GM Service Manual Online
For 1990-2009 cars only
Makes
🢒
Chevrolet
🢒
2000
🢒
S10 Pickup - 2WD
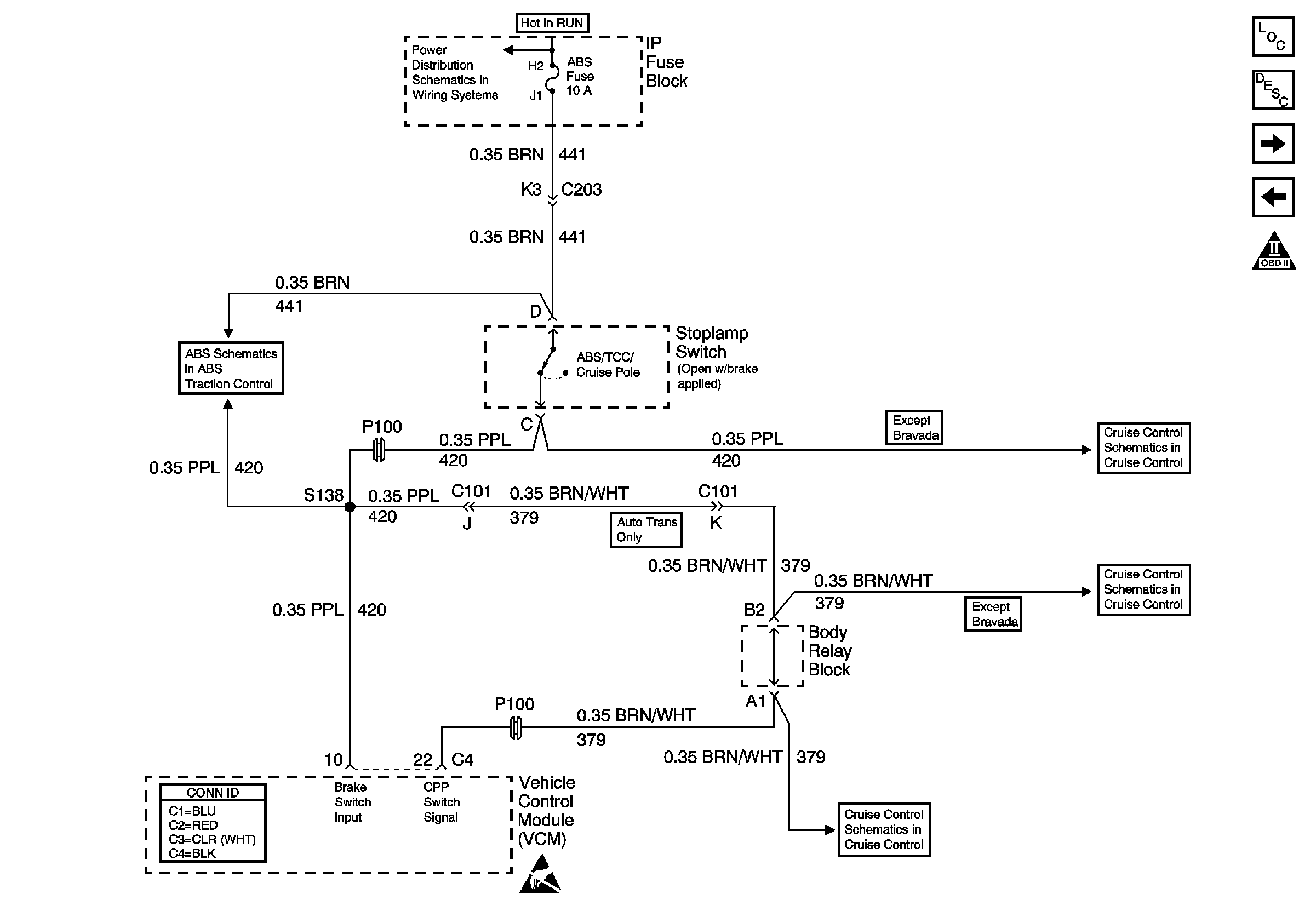
🢒 Brake Switch Input
Brake Switch Input
Brake Switch Input
Engine Controls Components
Vehicle Control Module Description
Vehicle Speed Signal, Transfer Case Shift Control Module and 4WD IndicAtor Switch
Automatic A/C Compressor Control
OBD II Symbol Description Notice
Ign ACC, RUN and RAP Bus Bar
Power and Ground (310 ABS)
Clutch Pedal Position Switch and Stoplamp Switch
Clutch Pedal Position Switch and Stoplamp Switch
VCM Connector End Views
Handling ESD Sensitive Parts Notice
Clutch Pedal Position Switch and Stoplamp Switch