GM Service Manual Online
For 1990-2009 cars only
Makes
🢒
Chevrolet
🢒
2000
🢒
S10 Pickup - 2WD
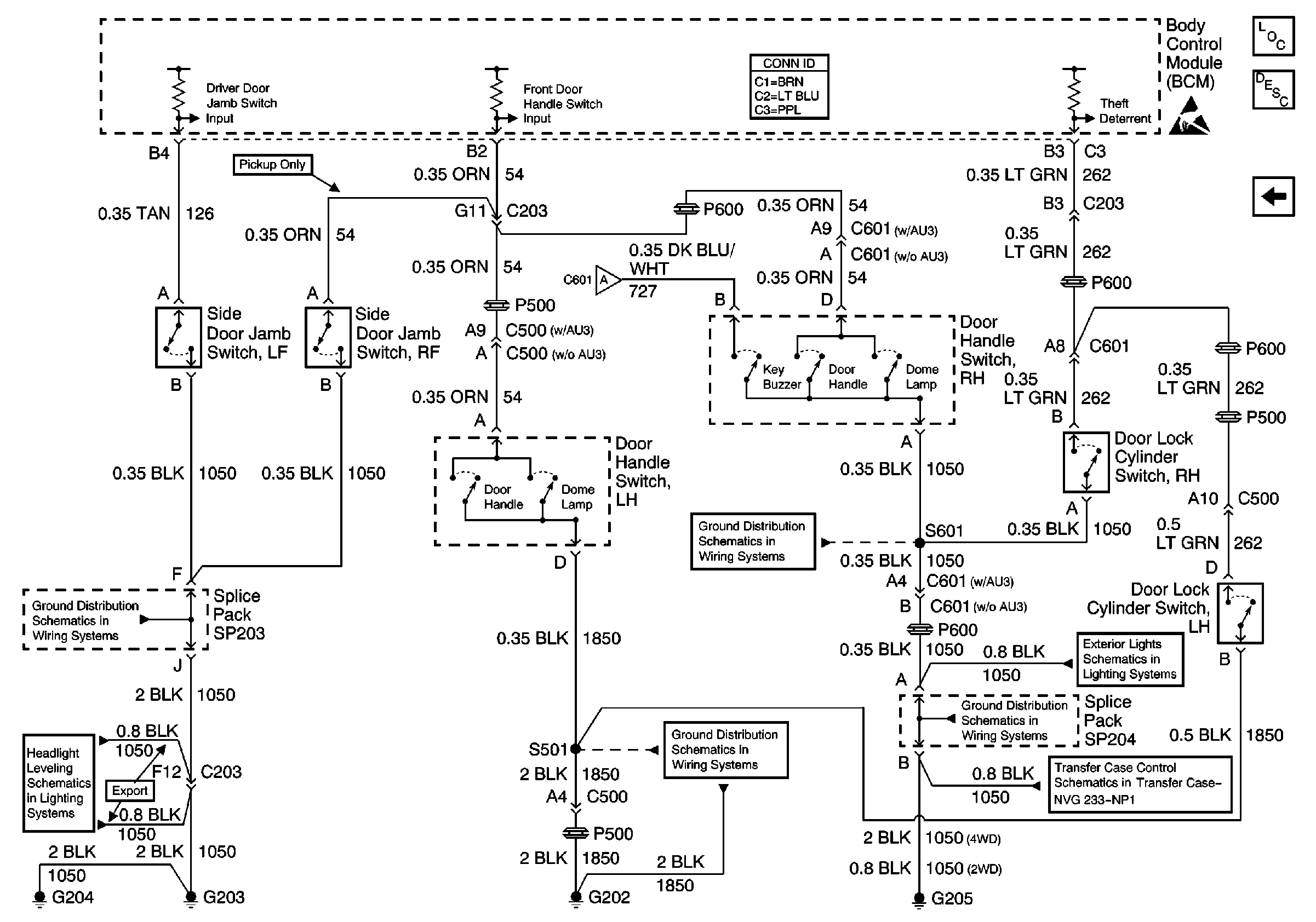
🢒 Door Handle Switch Inputs
Door Handle Switch Inputs
Door Handle Switch Inputs
Theft Deterrent System Components
Content Theft Deterrent (CTD) Circuit Description
Door Jamb Switch Inputs
Body Control System Connector End Views
Door Jamb Switch Inputs
G203 and G204 (Pickup)
2000 S/T Headlight Leveling
G202 (Pickup)
G205 and G206 (Utility)
Handling ESD Sensitive Parts Notice
Turn Signal Lamp Flasher
G205 and G206 (Utility)
Power and Ground