GM Service Manual Online
For 1990-2009 cars only
Makes
🢒
Chevrolet
🢒
2000
🢒
S10 Pickup - 2WD
🢒 2000 S/T Headlight Leveling
2000 S/T Headlight Leveling
Lighting Systems Components
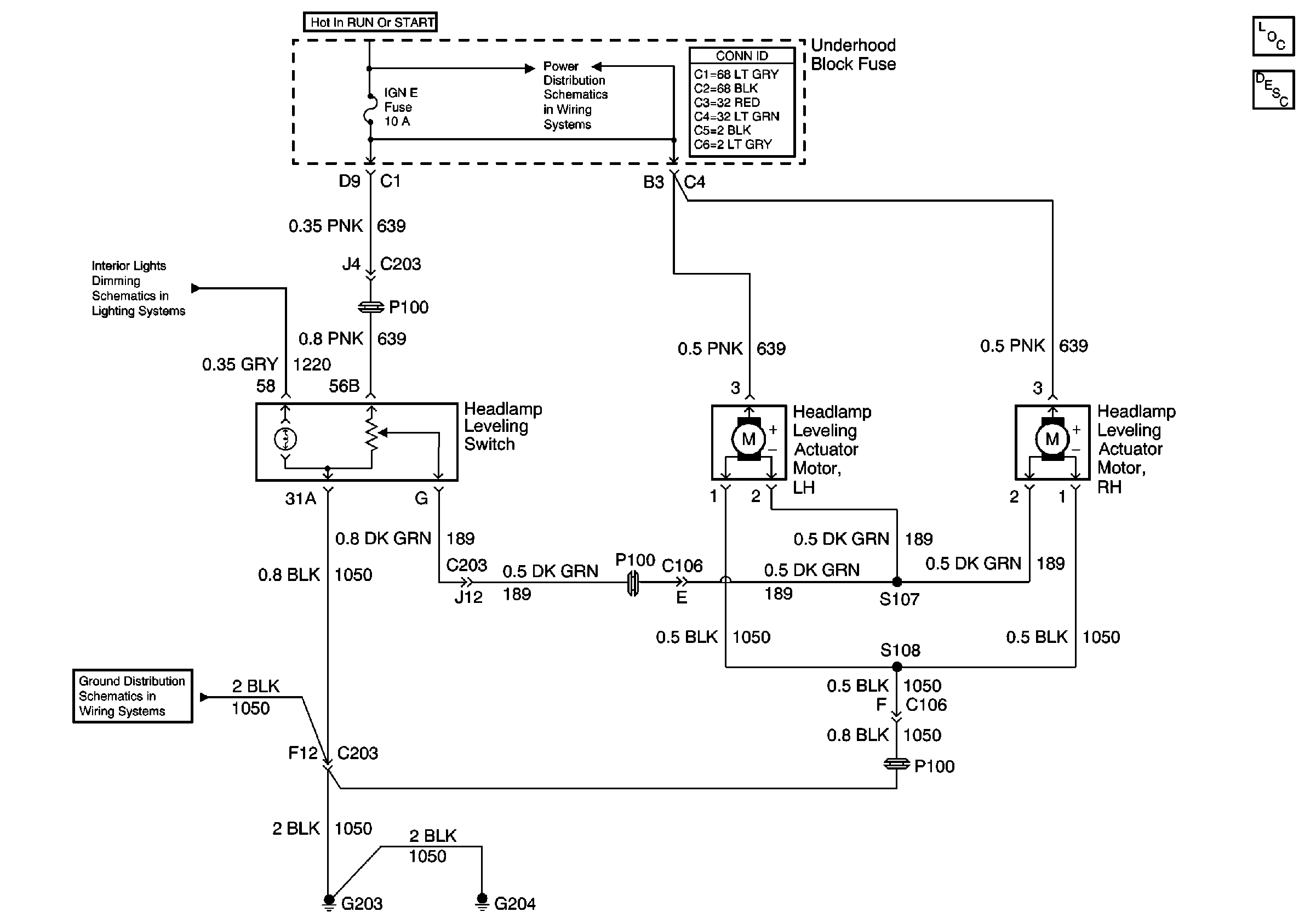
Headlight Leveling Circuit Description
Ign RUN and START Bus Bar
Power and Grounding Connector End Views
ILLUM Fuse 12
G203 and G204 (Utility w/ Manual A/C)