GM Service Manual Online
For 1990-2009 cars only
Makes
🢒
Chevrolet
🢒
2000
🢒
S10 Pickup - 2WD
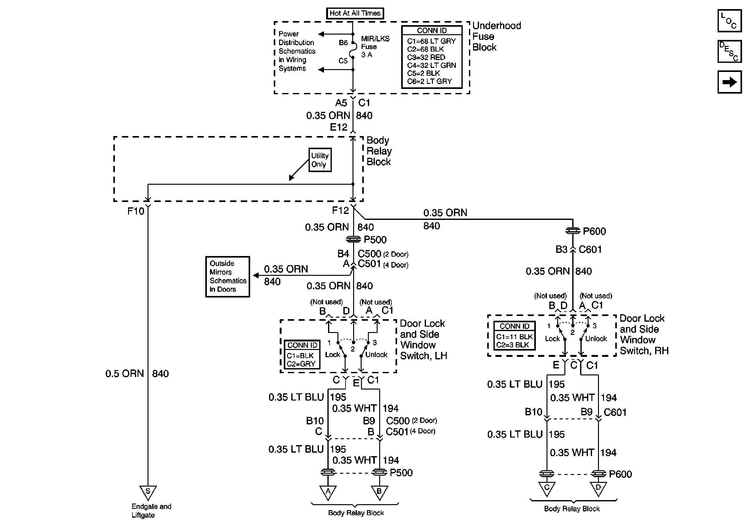
🢒 Door Lock Switch Inputs
Door Lock Switch Inputs
Door Lock Switch Inputs
Power Door Systems Components
Power Door Locks Circuit Description
Liftgate/Endgate Lock Cylinder Switch Inputs (Utility)
MIR/LKS, FOG LP Fuses and DRL, Headlamp Power Relays
Power and Grounding Connector End Views
Liftgate/Endgate Lock Cylinder Switch Inputs (Utility)
Outside Rear View Mirror Switch
Power Door Systems Connector End Views
Power Door Systems Connector End Views
Relay Control
Relay Control