GM Service Manual Online
For 1990-2009 cars only
Makes
🢒
Chevrolet
🢒
2000
🢒
S10 Pickup - 2WD
🢒 Power
Power
Power
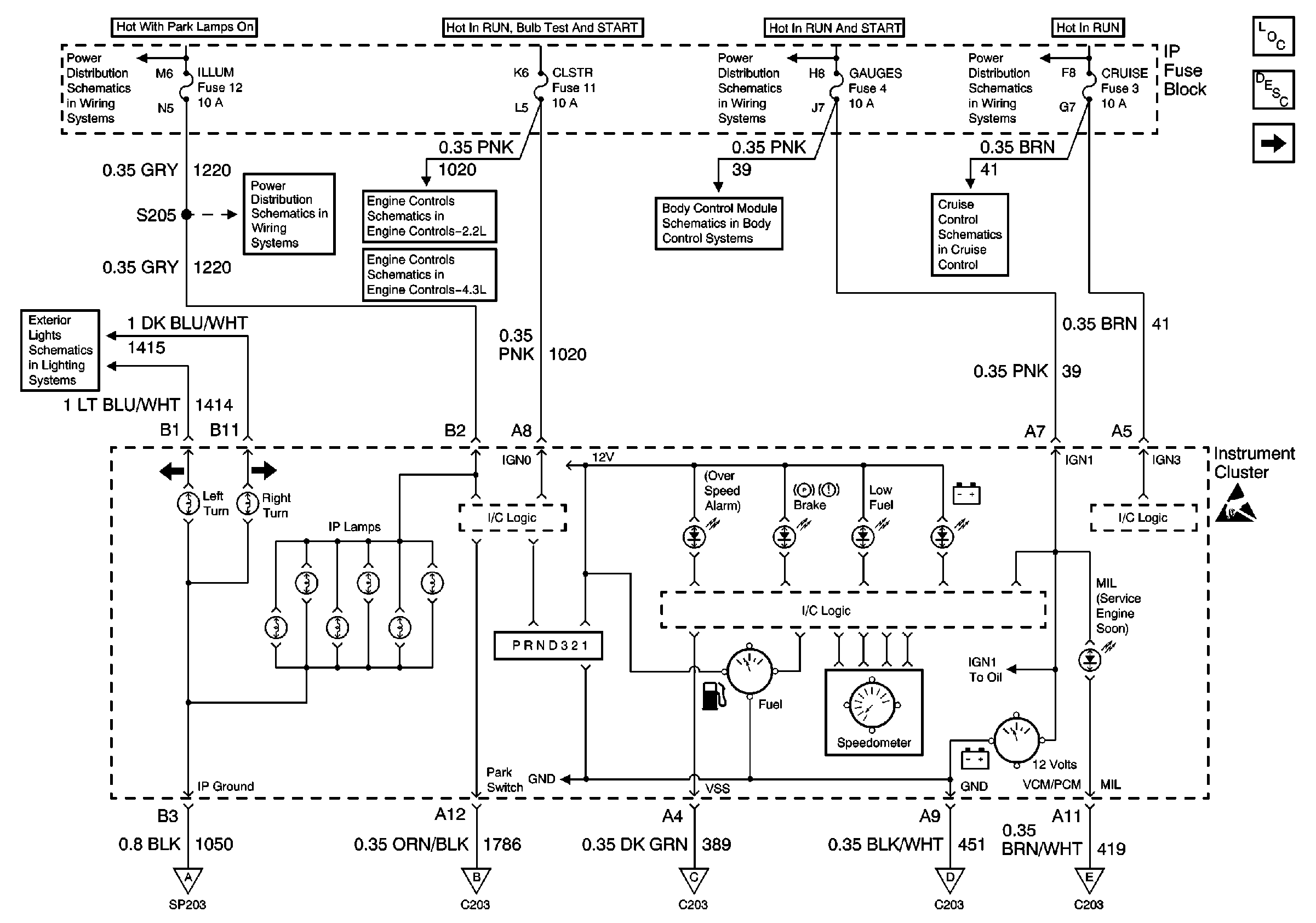
Instrument Cluster Components
Instrument Cluster Description
PCM/VCM, Data Link Connector (DLC), Engine Oil Pressure Gauge Sensor
ILLUM and PARK LP Fuses
Ign RUN and START Bus Bar
Ign ACC, RUN and RAP Bus Bar
ILLUM and PARK LP Fuses
Instrument Cluster Turn Signal Indicators
Power and Grounding
CLSTR and 4WD Fuses
Power and Ground
CRUISE Fuse, Multifunction Switch and Cruise Control Module
Handling ESD Sensitive Parts Notice
G200, G201, G203, G204, Park Position Switch and PCM/VCM
G200, G201, G203, G204, Park Position Switch and PCM/VCM
G200, G201, G203, G204, Park Position Switch and PCM/VCM
G105 and PCM/VCM
G105 and PCM/VCM