GM Service Manual Online
For 1990-2009 cars only
Makes
🢒
Chevrolet
🢒
2000
🢒
S10 Pickup - 2WD
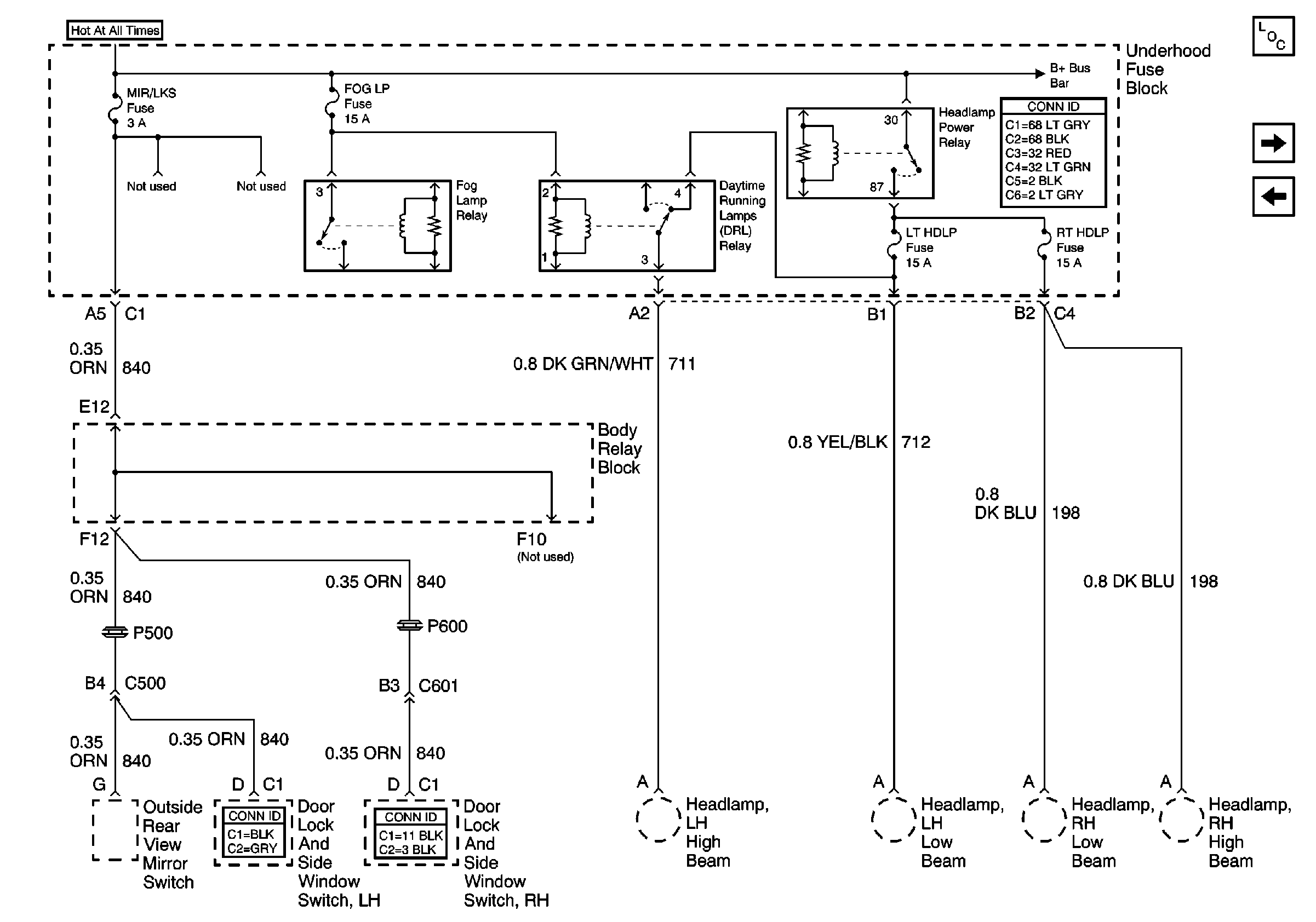
🢒 MIR/LKS, FOG LP, LT HDLP, and RT HDLP Fuses
MIR/LKS, FOG LP, LT HDLP, and RT HDLP Fuses
MIR/LKS, FOG LP, LT HDLP, and RT HDLP Fuses
Power and Grounding Components
ECM B, HORN, HTD MIR Fuses, Horn and Fuel Pump Relays
ATC, HVAC and A/C Fuses
B+ Bus Bar
Power and Grounding Connector End Views
Power Door Systems Connector End Views
Power Door Systems Connector End Views