GM Service Manual Online
For 1990-2009 cars only
Makes
🢒
Chevrolet
🢒
2000
🢒
S10 Pickup - 2WD
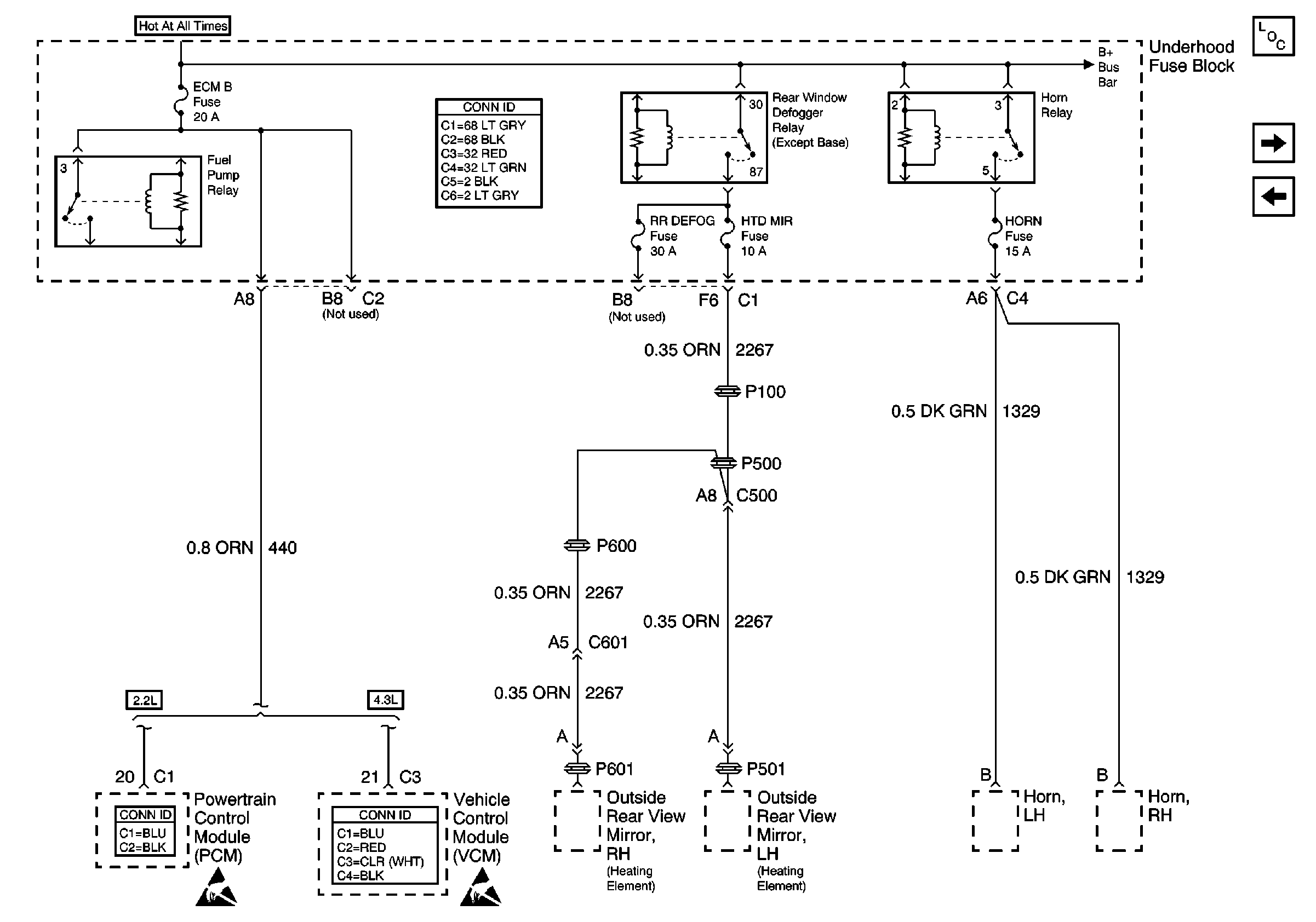
🢒 ECM B, HORN, HTD MIR Fuses, Horn and Fuel Pump Relays
ECM B, HORN, HTD MIR Fuses, Horn and Fuel Pump Relays
ECM B, HORN, HTD MIR Fuses, Horn and Fuel Pump Relays
Power and Grounding Components
PARK LP, ILLUM Fuses, Park Lamp and Headlamp Grounding Relays
MIR/LKS, FOG LP, LT HDLP, and RT HDLP Fuses
Power and Grounding Connector End Views
B+ Bus Bar
Powertrain Control Module Connector End Views
Handling ESD Sensitive Parts Notice
VCM Connector End Views
Handling ESD Sensitive Parts Notice