GM Service Manual Online
For 1990-2009 cars only
Makes
🢒
Chevrolet
🢒
2000
🢒
S10 Pickup - 2WD
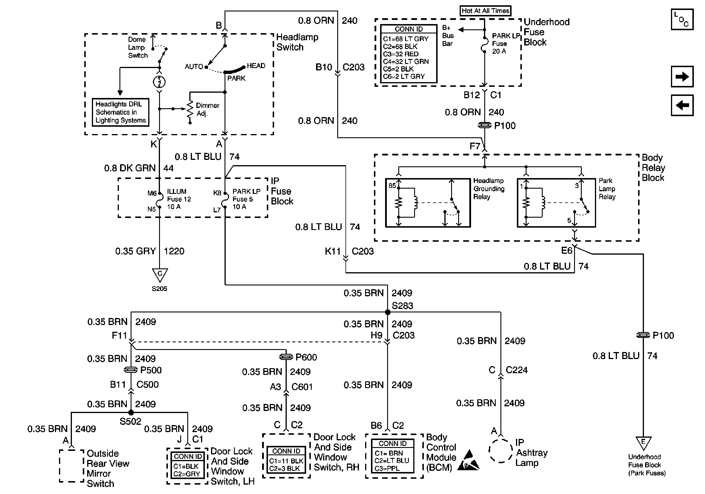
🢒 PARK LP, ILLUM Fuses, Park Lamp and Headlamp Grounding Relays
PARK LP, ILLUM Fuses, Park Lamp and Headlamp Grounding Relays
PARK LP, ILLUM Fuses, Park Lamp and Headlamp Grounding Relays
Power and Grounding Components
ILLUM Fuse Power
ECM B, HORN, HTD MIR Fuses, Horn and Fuel Pump Relays
Headlamp Switch, Ambient Light Sensor and BCM
Power and Grounding Connector End Views
ILLUM Fuse Power
Power Door Systems Connector End Views
Power Door Systems Connector End Views
Body Control System Connector End Views
Handling ESD Sensitive Parts Notice
FR PRK, LR PRK, and RR PRK Fuses