GM Service Manual Online
For 1990-2009 cars only
Makes
🢒
Chevrolet
🢒
2000
🢒
S10 Pickup - 2WD
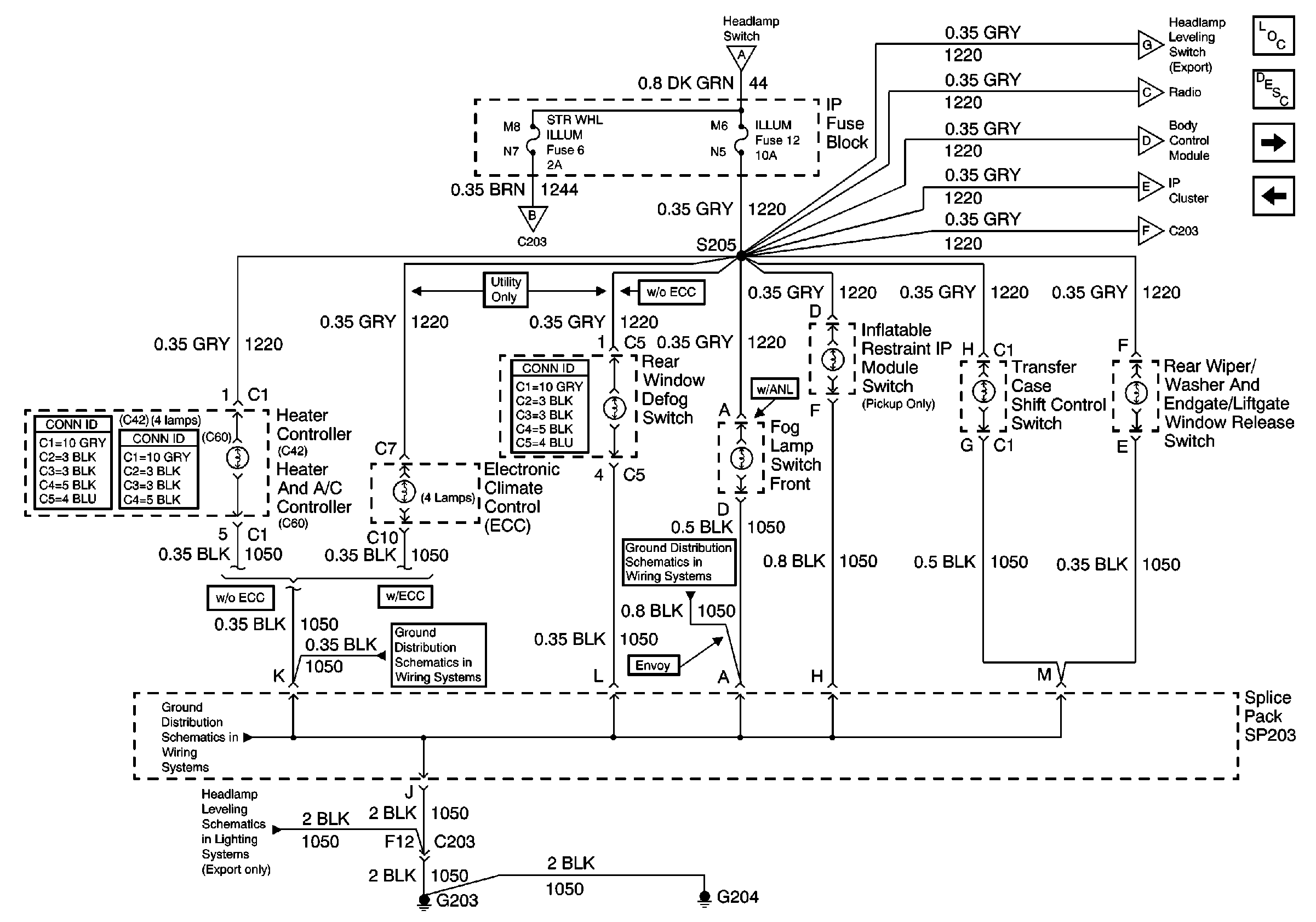
🢒 ILLUM Fuse 12
ILLUM Fuse 12
ILLUM Fuse 12
Lighting Systems Components
Interior Lights Dimming Circuit Description
Steering Wheel Controls
Headlamp Switch
Headlamp Switch
Instrument Cluster and BCM
Steering Wheel Controls
Instrument Cluster and BCM
HVAC Connector End Views
HVAC Connector End Views
G203 and G204 (Envoy)
G203 and G204 (Utility w/ Manual A/C)
G203 and G204 (Utility w/ Manual A/C)
2000 S/T Headlight Leveling