GM Service Manual Online
For 1990-2009 cars only
Makes
🢒
Chevrolet
🢒
2000
🢒
S10 Pickup - 2WD
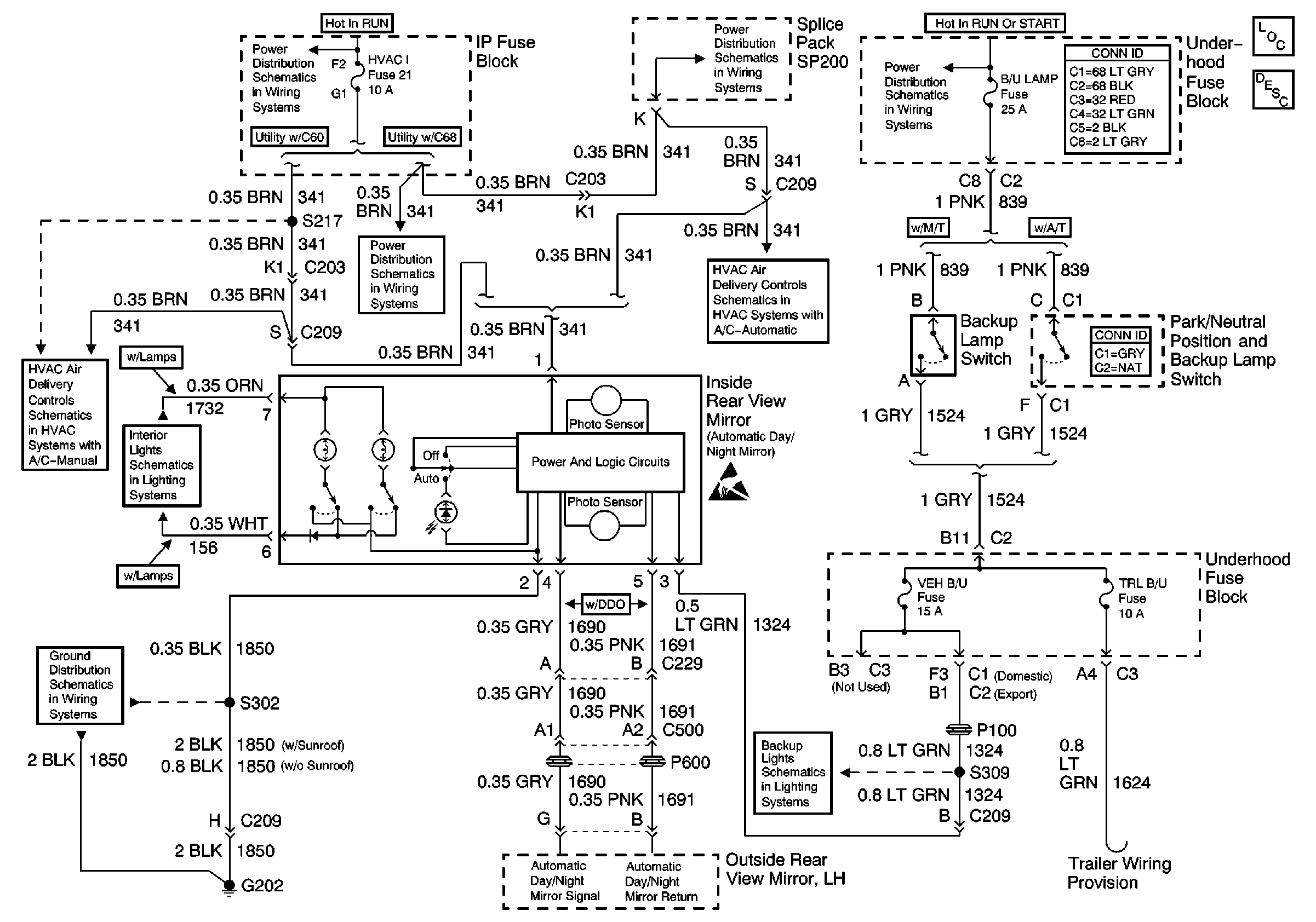
🢒 Automatic Day-Night Mirrors Schematics
Automatic Day-Night Mirrors Schematics
Stationary Windows Components
Automatic Day-Night Mirrors Circuit Description
HVAC I Fuse
HVAC I Fuse
B/U LP, TRL B/U and BTSI Fuses (Automatic Transmission)
Power and Grounding Connector End Views
HVAC I Fuse
HVAC Vacuum Control Solenoid Valve Assembly and Electric Actuator
Shift Lock Control Connector End Views
Heat and A/C
Inside Rear View Mirror or Driver Information Display Module
Handling ESD Sensitive Parts Notice
G202 (Pickup)
Utility