GM Service Manual Online
For 1990-2009 cars only
Makes
🢒
Chevrolet
🢒
2000
🢒
S10 Pickup - 2WD
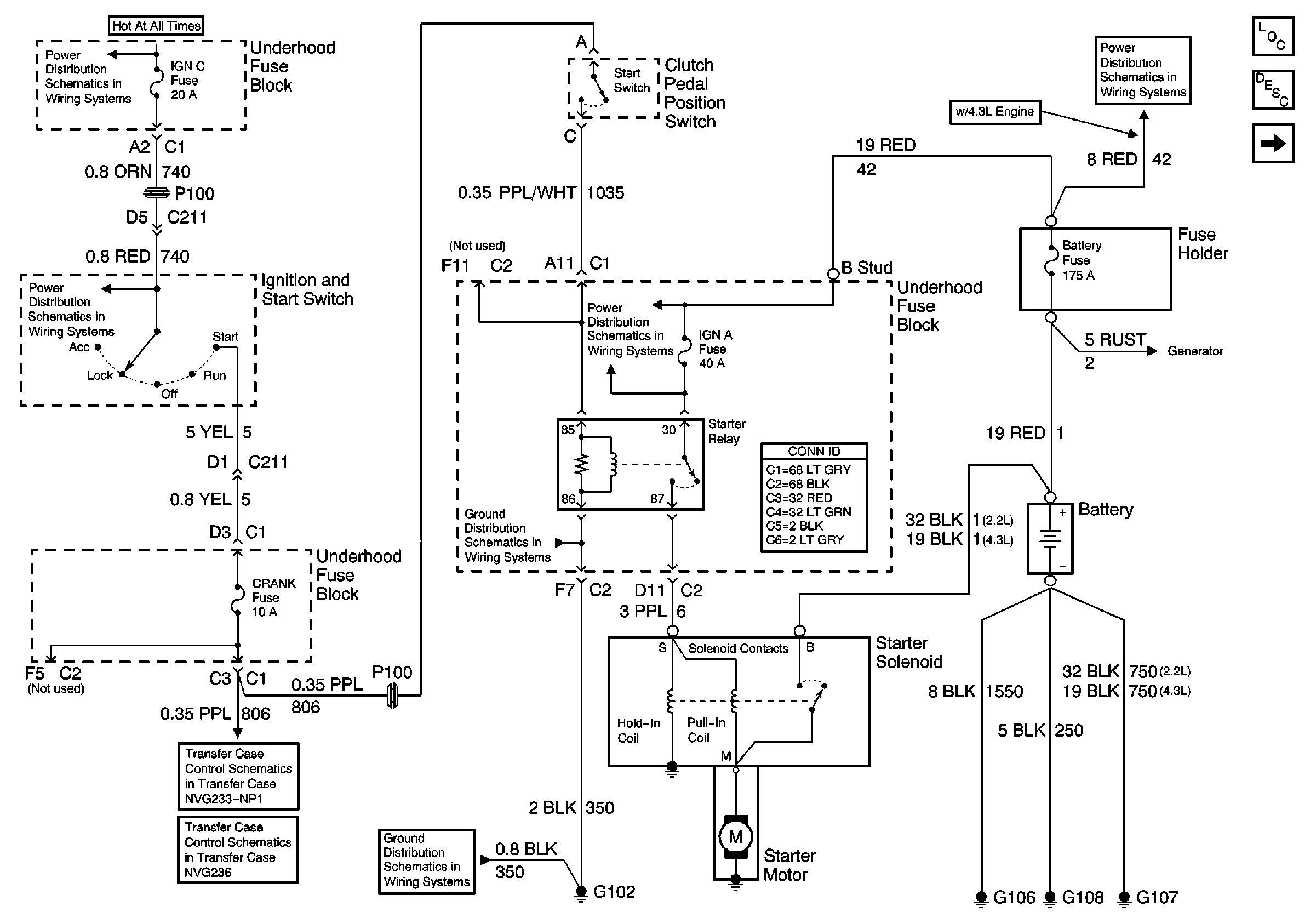
🢒 Manual Transmission Starting
Manual Transmission Starting
Manual Transmission Starting
Engine Electrical Components
Starting System Circuit Description
Automatic Transmission Starting
B+ Bus Bar
Ign RUN and START Bus Bar
Four Wheel Drive Indicator Switch and Vehicle Control Module (VCM)
CRANK Fuse, 4WD Indicator Switch and Axle Clutch Solenoid
G102 (Except Export)
G102 (Except Export)
B+ Bus Bar
Power and Grounding Connector End Views
B+ Bus Bar
Engine Charging (2.2L)