GM Service Manual Online
For 1990-2009 cars only
Makes
🢒
Chevrolet
🢒
2000
🢒
S10 Pickup - 2WD
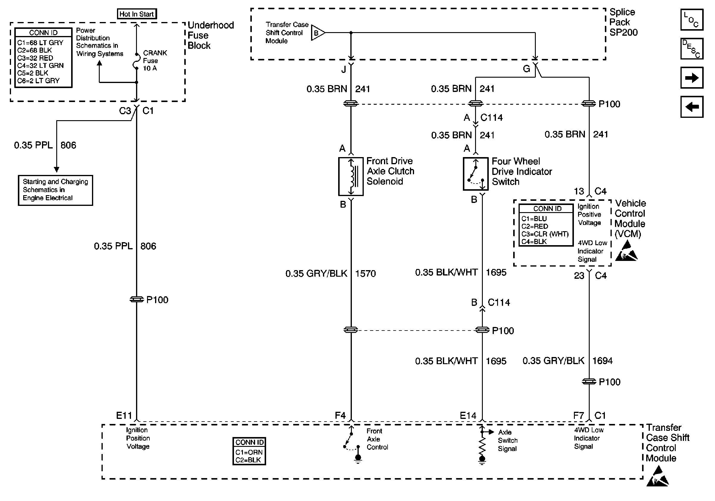
🢒 CRANK Fuse, 4WD Indicator Switch and Axle Clutch Solenoid
CRANK Fuse, 4WD Indicator Switch and Axle Clutch Solenoid
CRANK Fuse, 4WD Indicator Switch and Axle Clutch Solenoid
Transfer Case Control Components
Transfer Case Circuit Description
ILLUM and 4WD Fuses, Shift Control Switch and Body Control Module (BCM)
Power, Ground and Transfer Case
Power and Grounding Connector End Views
CRANK and CLSTR Fuses
Manual Transmission Starting
Power, Ground and Transfer Case
Transfer Case Control Connector End Views
VCM Connector End Views
Handling ESD Sensitive Parts Notice
Handling ESD Sensitive Parts Notice