GM Service Manual Online
For 1990-2009 cars only
Makes
🢒
Chevrolet
🢒
2000
🢒
S10 Pickup - 2WD
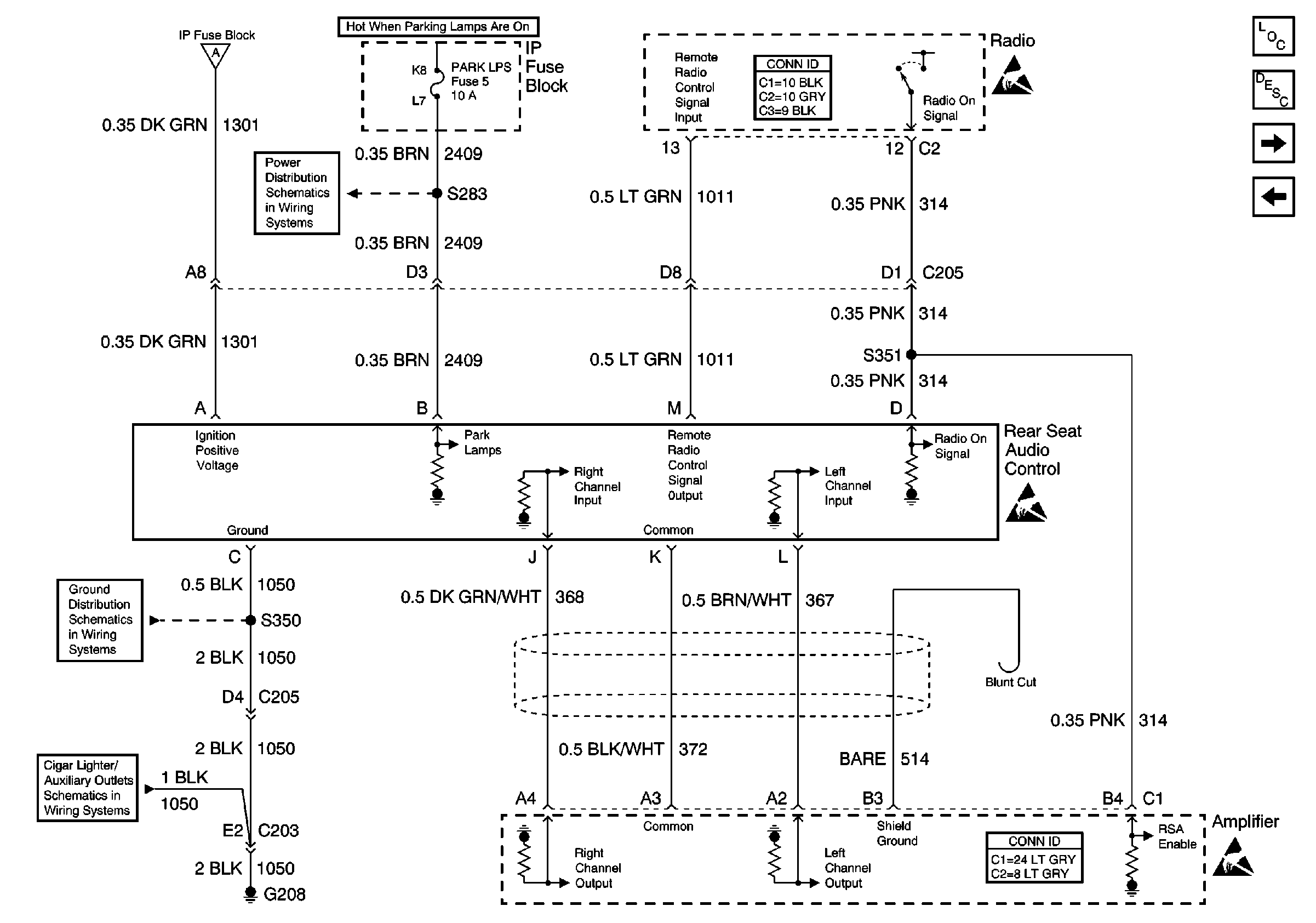
🢒 Rear Seat Audio Control (Envoy)
Rear Seat Audio Control (Envoy)
Rear Seat Audio Control (Envoy)
Entertainment Components
Radio/Audio System Circuit Description
Radio Power and Ground and Speakers (w/o Amplifier - Bravada)
Amplifier, Right Channel Output (Chevy/GMC)
Power and Ground (Chevy/GMC)
ILLUM and PARK LP Fuses
Entertainment Connector End Views
Handling ESD Sensitive Parts Notice
Handling ESD Sensitive Parts Notice
G205 and G208 (Envoy)
Envoy Only
Handling ESD Sensitive Parts Notice