GM Service Manual Online
For 1990-2009 cars only
Makes
🢒
Chevrolet
🢒
2000
🢒
S10 Pickup - 2WD
🢒 2.2L
2.2L
2.2L
HVAC Components
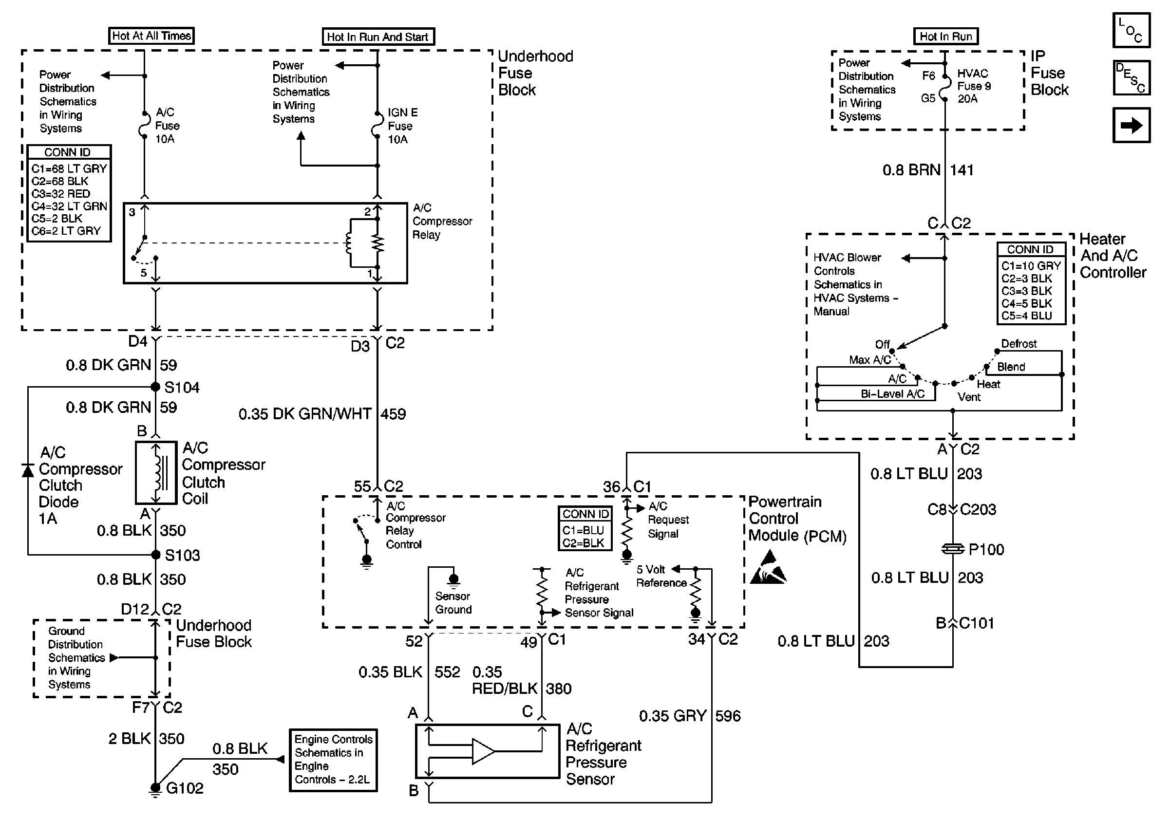
HVAC Compressor Controls Circuit Description
4.3L
B+ Bus Bar
Power and Grounding Connector End Views
G102
IGN C, IGN A Fuses and Ignition and Start Switch
Fuel Injectors and Fuel Pump
Powertrain Control Module Connector End Views
Handling ESD Sensitive Parts Notice
RAP, IGN B Fuses and Ignition Switch
RPO C60
HVAC Connector End Views