GM Service Manual Online
For 1990-2009 cars only
Makes
🢒
Chevrolet
🢒
2000
🢒
S10 Pickup - 2WD
🢒 4.3L
4.3L
4.3L
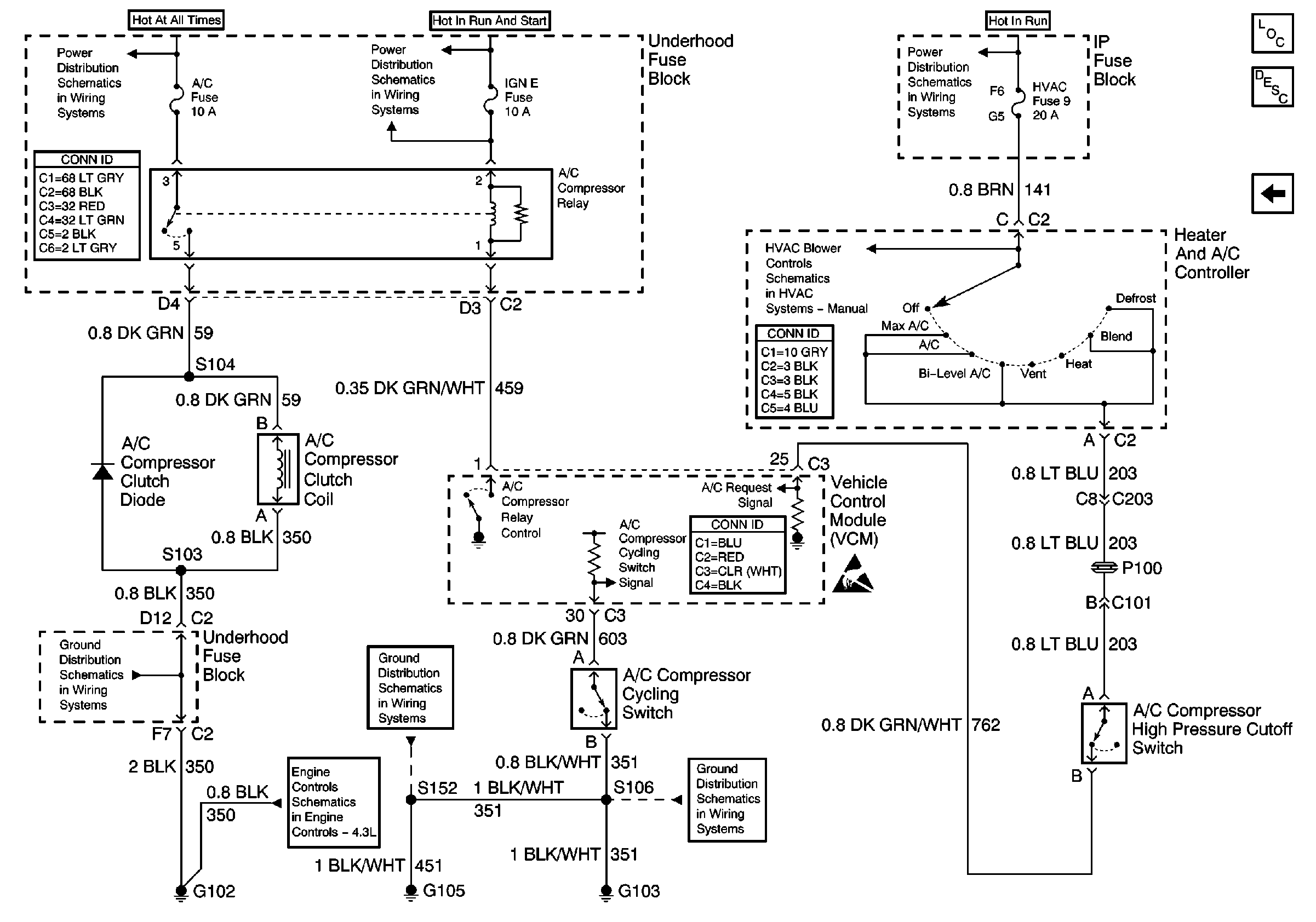
HVAC Components
HVAC Compressor Controls Circuit Description
2.2L
B+ Bus Bar
Power and Grounding Connector End Views
G102
IGN C, IGN A Fuses and Ignition and Start Switch
Heated Oxygen Sensors
G103 and G105 (2.2L)
RAP, IGN B Fuses and Ignition Switch
RPO C60
HVAC Connector End Views
VCM Connector End Views
Handling ESD Sensitive Parts Notice
G103 and G105 (2.2L)