GM Service Manual Online
For 1990-2009 cars only
Makes
🢒
Chevrolet
🢒
2000
🢒
S10 Pickup - 2WD
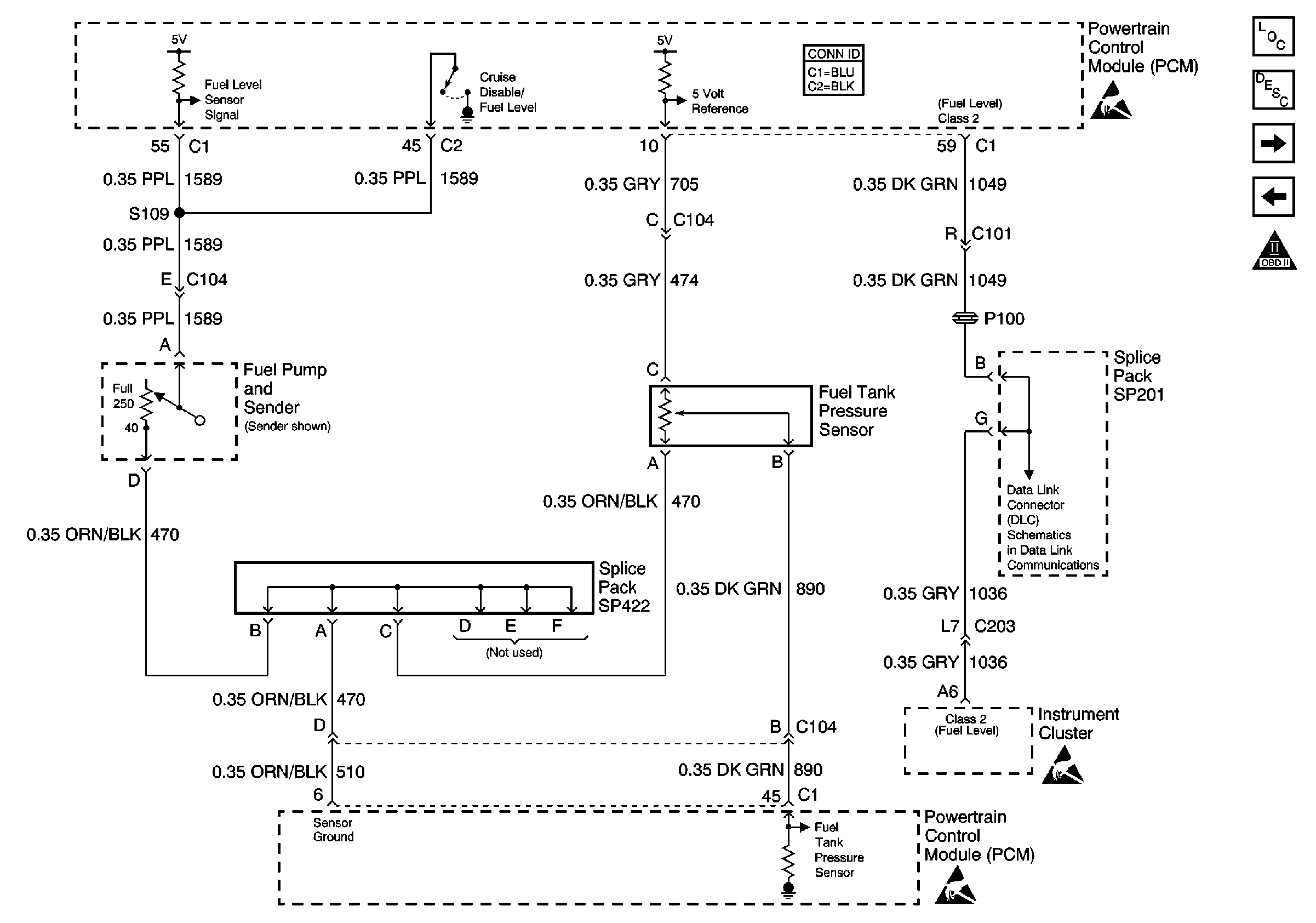
🢒 Fuel Level and Fuel Tank Pressure Sensors
Fuel Level and Fuel Tank Pressure Sensors
Fuel Level and Fuel Tank Pressure Sensors
Engine Controls Components
Fuel Supply Component Description
Fuel Injectors and Fuel Pump
Ignition Controls
OBD II Symbol Description Notice
Powertrain Control Module Connector End Views
Handling ESD Sensitive Parts Notice
SP201 (2.2L)
Handling ESD Sensitive Parts Notice
Handling ESD Sensitive Parts Notice