GM Service Manual Online
For 1990-2009 cars only
Makes
🢒
Chevrolet
🢒
2000
🢒
S10 Pickup - 2WD
🢒 Ignition Controls
Ignition Controls
Ignition Controls
Engine Controls Components
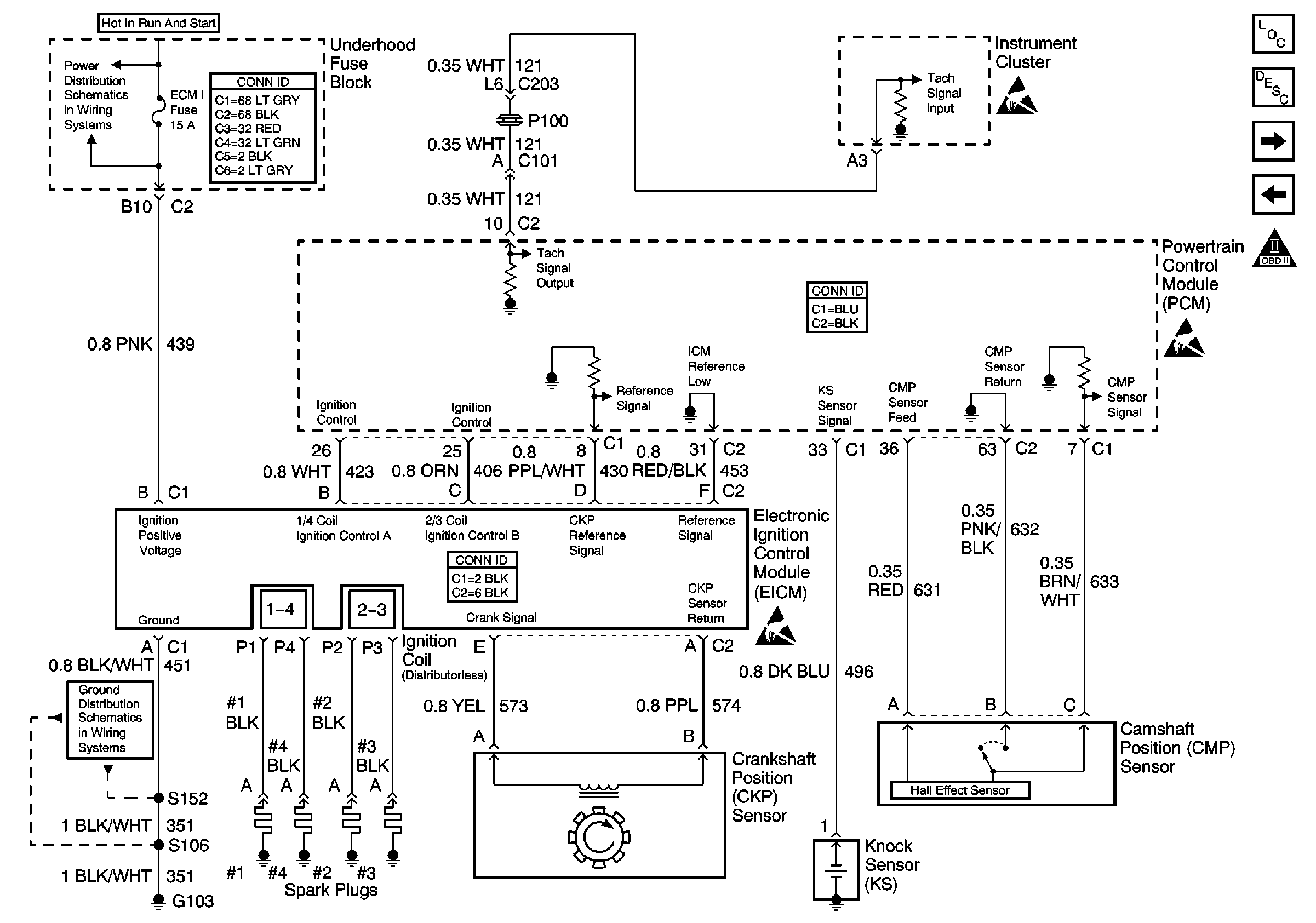
Electronic Ignition (EI) System Description
Fuel Level and Fuel Tank Pressure Sensors
Data Link Connector (DLC)
OBD II Symbol Description Notice
ECM I Fuse
Power and Grounding Connector End Views
Handling ESD Sensitive Parts Notice
Powertrain Control Module Connector End Views
Handling ESD Sensitive Parts Notice
G103 and G105 (2.2L)
Engine Controls Connector End Views
Handling ESD Sensitive Parts Notice