GM Service Manual Online
For 1990-2009 cars only
Makes
🢒
Chevrolet
🢒
2000
🢒
S10 Pickup - 2WD
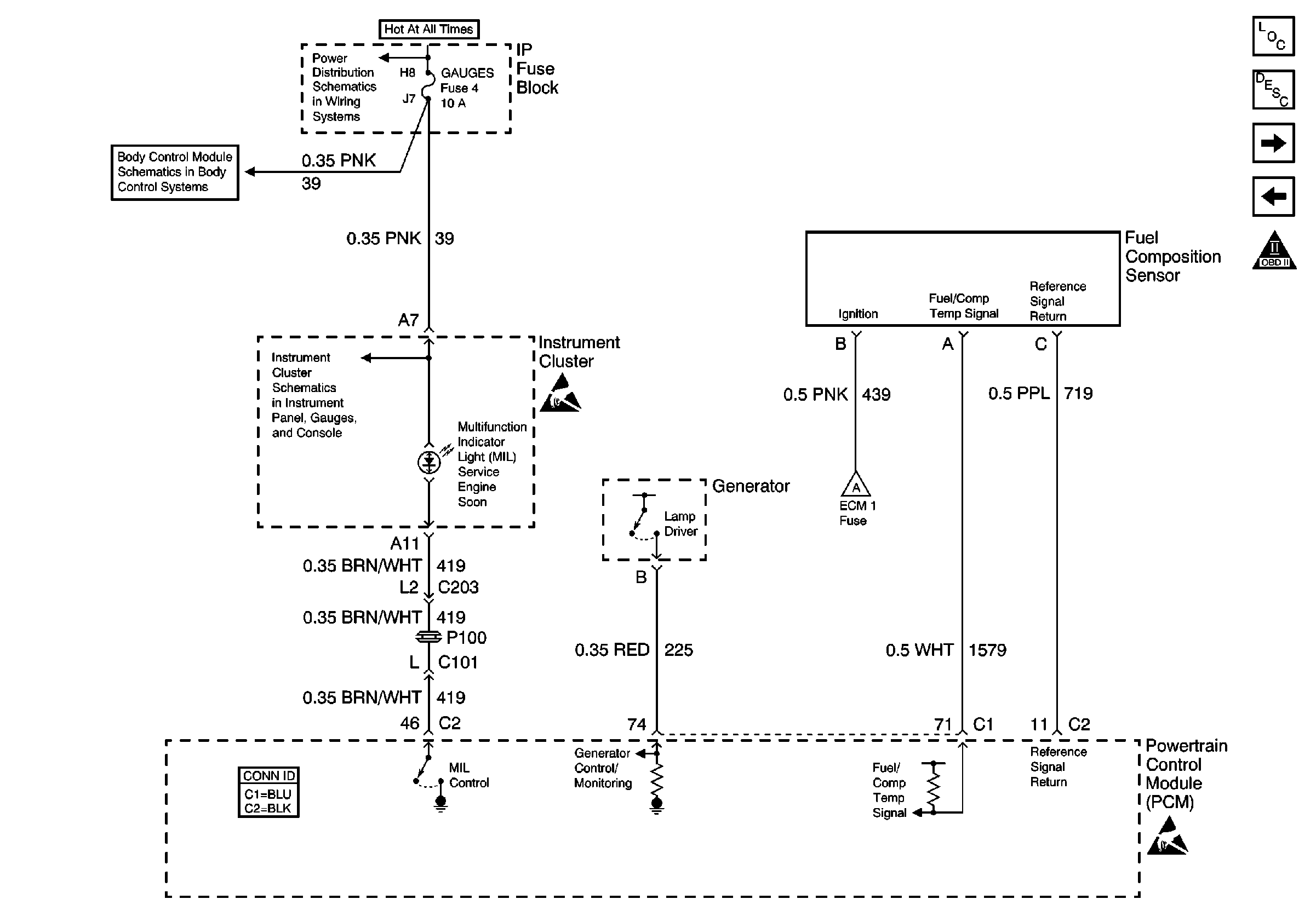
🢒 MIL, Generator, and Fuel Composition Sensor
MIL, Generator, and Fuel Composition Sensor
MIL, Generator, and Fuel Composition Sensor
Engine Controls Components
Powertrain Control Module Description
Data Link Connector (DLC)
ECM B, ECM I, CLSTR Fuses, and PCM Ground
OBD II Symbol Description Notice
Power and Ground
AUX PWR, RDO BATT and HDLP SW Fuses
PCM/VCM, Data Link Connector (DLC), Engine Oil Pressure Gauge Sensor
Handling ESD Sensitive Parts Notice
ECM B, ECM I, CLSTR Fuses, and PCM Ground
Powertrain Control Module Connector End Views
Handling ESD Sensitive Parts Notice