GM Service Manual Online
For 1990-2009 cars only
Makes
🢒
Chevrolet
🢒
2000
🢒
S10 Pickup - 2WD
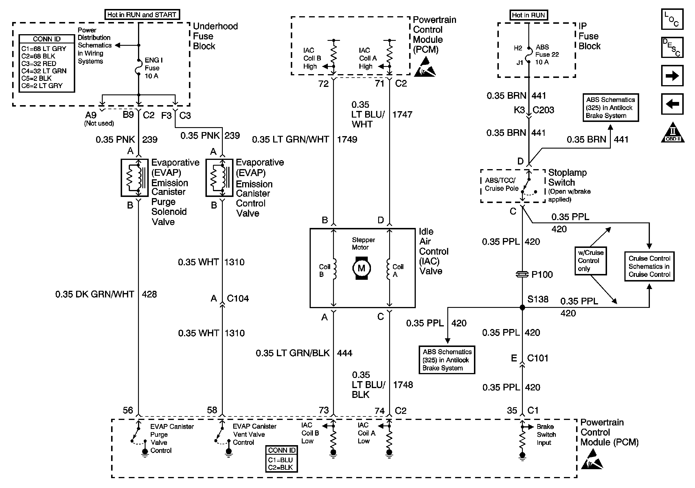
🢒 IAC, EVAP Valve Controls, and Stop Lamp Switch Input w/ A/T
IAC, EVAP Valve Controls, and Stop Lamp Switch Input w/ A/T
IAC, EVAP Valve Controls, and Stop Lamp Switch Input w/ A/T
Engine Controls Components
Evaporative Emission Control System Operation Description
Automatic Transmission Valve Controls
Vehicle Speed Sensor (VSS) Signal
OBD II Symbol Description Notice
Power and Grounding Connector End Views
Ign RUN and START Bus Bar
Handling ESD Sensitive Parts Notice
Power and Ground (325 ABS)
Clutch Pedal Position Switch and Stoplamp Switch
Powertrain Control Module Connector End Views
Power and Ground (325 ABS)
Handling ESD Sensitive Parts Notice