GM Service Manual Online
For 1990-2009 cars only
Makes
🢒
Chevrolet
🢒
2003
🢒
SSR
🢒
Body and Accessories
🢒
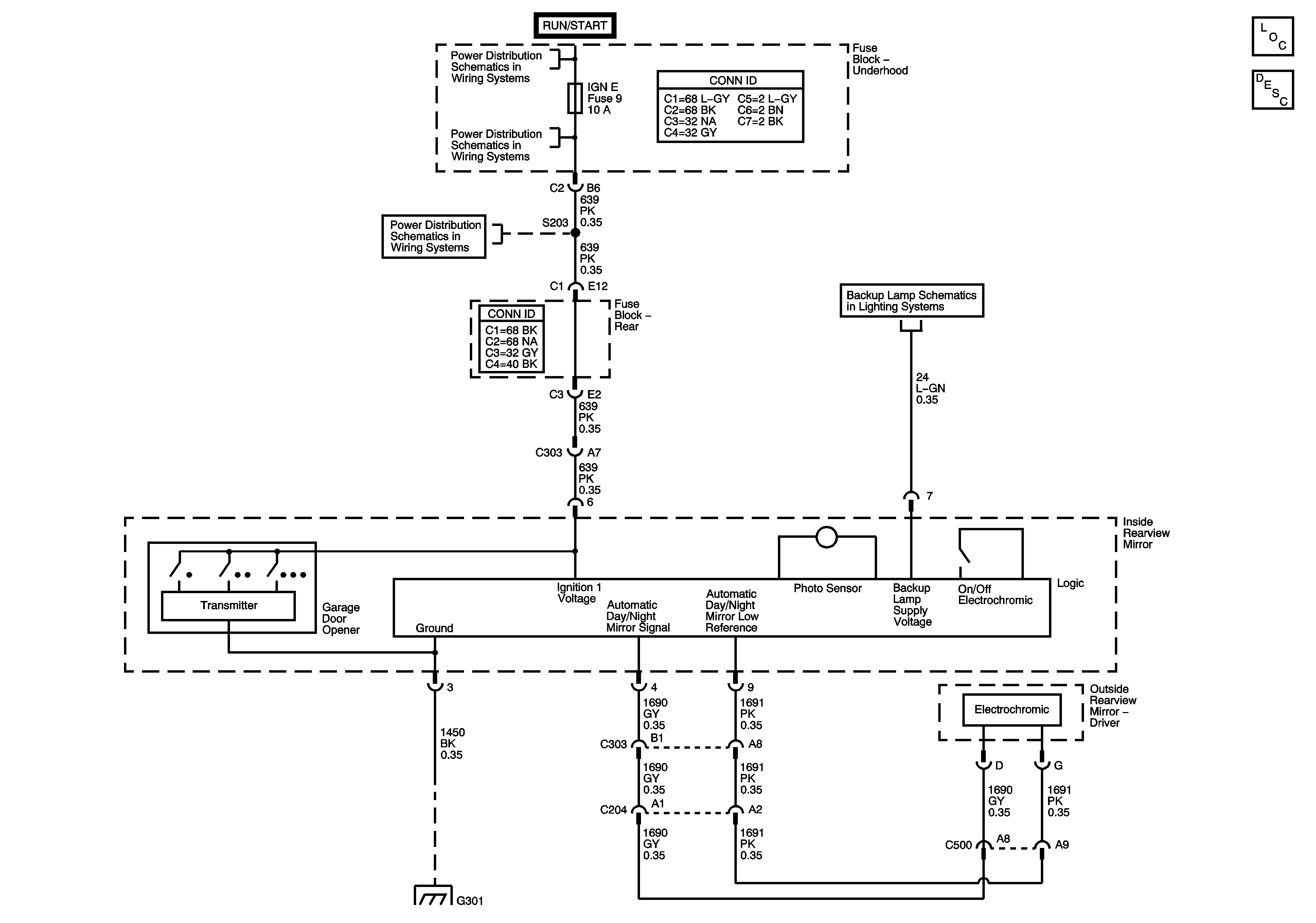
Garage Door Opener
🢒 Garage Door Opener Schematics
Master Electrical Component List
Automatic Day-Night Mirror Description and Operation
ACCY/RUN and RUN/START BUS BAR
IGN E, TBC IGN 1, BACK UP and BTSI Fuses
IGN E, TBC IGN 1, BACK UP and BTSI Fuses
Backup Lamps
G301, G302