GM Service Manual Online
For 1990-2009 cars only
Makes
🢒
Chevrolet
🢒
2003
🢒
SSR
🢒 Backup Lamps
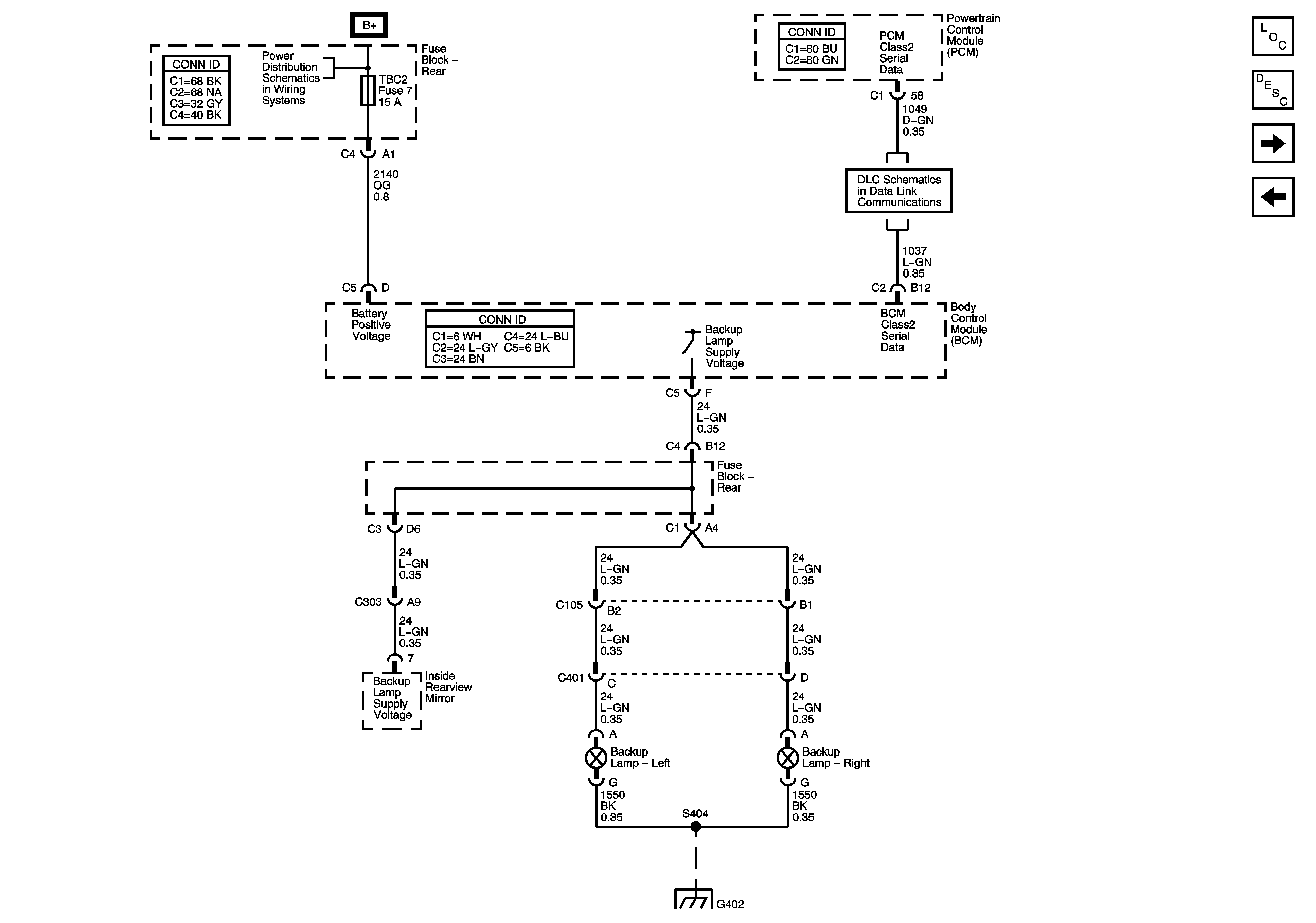
Backup Lamps
Backup Lamps
Master Electrical Component List
Exterior Lighting Systems Description and Operation
Trailer Tow
Stop Lamps
B+ Bus - Fuse Block - Rear
Data Link Connector (DLC) Schematics
G400, G401, G402, G403, G404, G405