GM Service Manual Online
For 1990-2009 cars only
Makes
🢒
Chevrolet
🢒
2003
🢒
SSR
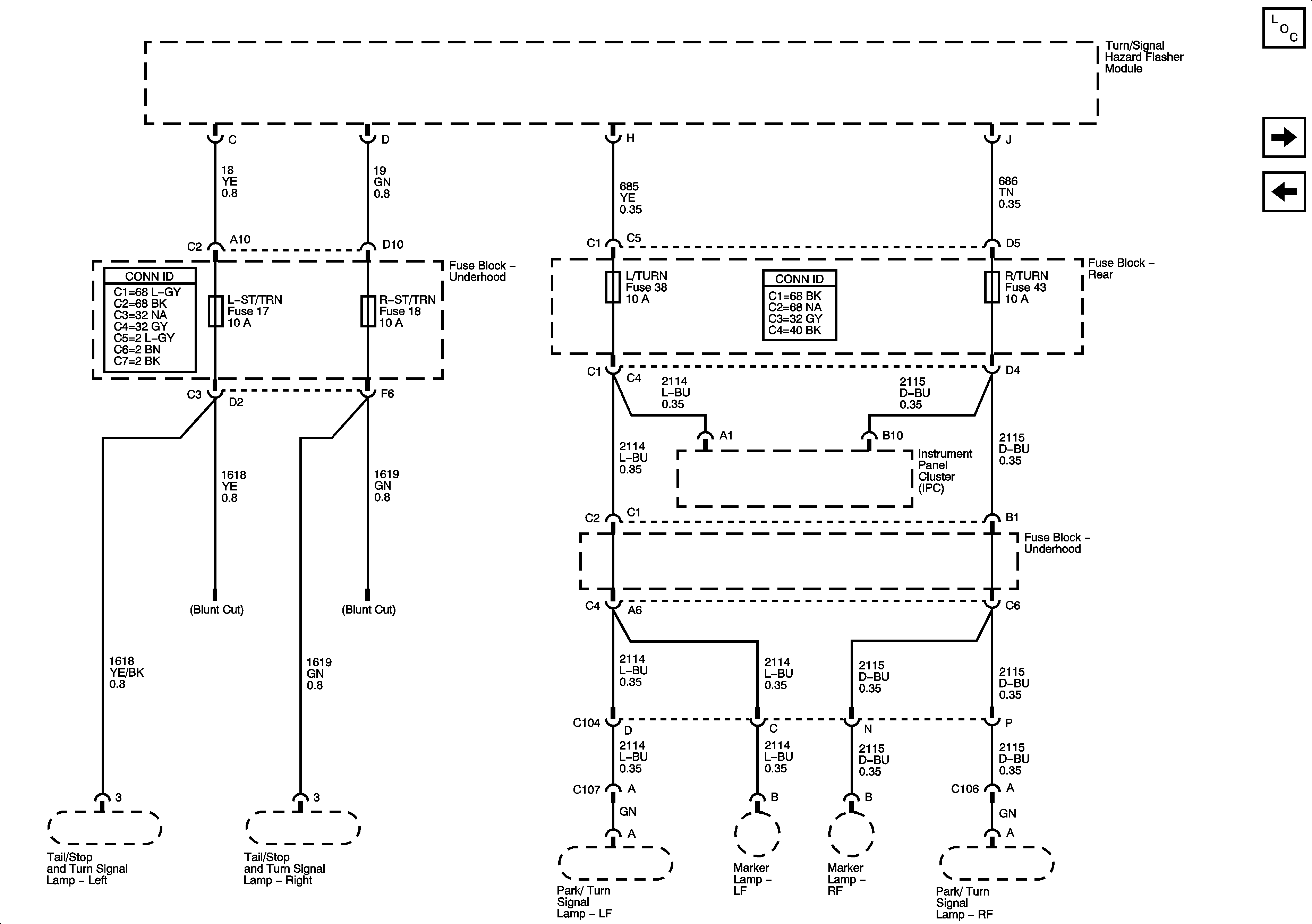
🢒 L-ST/TRN, R-ST/TRN, L/TURN and R/TURN Fuses
L-ST/TRN, R-ST/TRN, L/TURN and R/TURN Fuses
L-ST/TRN, R-ST/TRN, L/TURN and R/TURN Fuses
Master Electrical Component List
IGN 0, TBC IG, TBC 4CC and FT WPR Fuses
LR PRK, RR PRK, F/PRK and TR PRK Fuses, and SEATS Circuit Breaker