GM Service Manual Online
For 1990-2009 cars only
Makes
🢒
Chevrolet
🢒
2003
🢒
SSR
🢒 Starting System
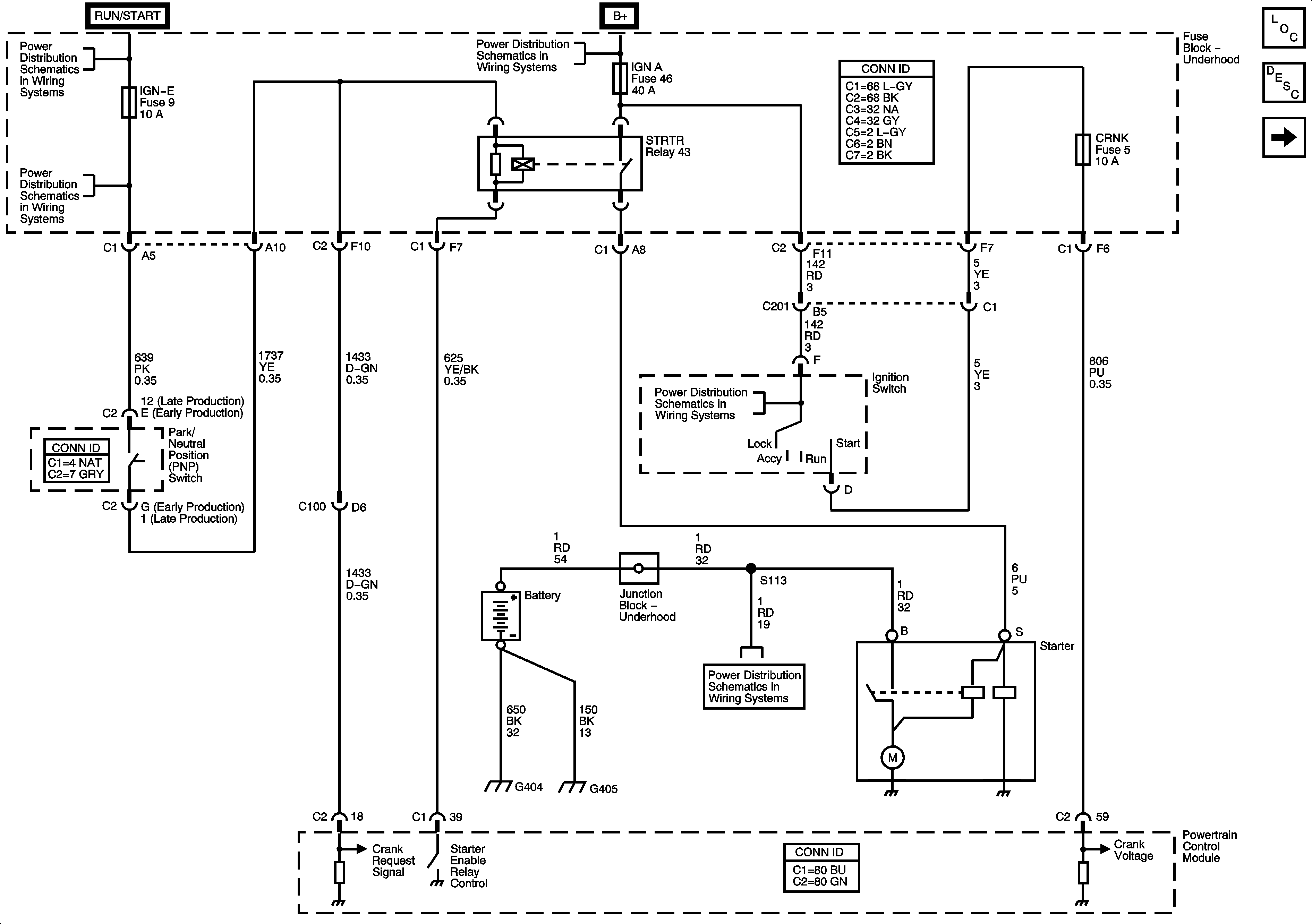
Starting System
Starting System
Master Electrical Component List
Starting System Description and Operation
Charging System
ACCY/RUN and RUN/START BUS BAR
IGN E, TBC IGN 1, BACK UP and BTSI Fuses
B+ BUS - Fuse Block Underhood