GM Service Manual Online
For 1990-2009 cars only
Makes
🢒
Chevrolet
🢒
2003
🢒
SSR
🢒 Charging System
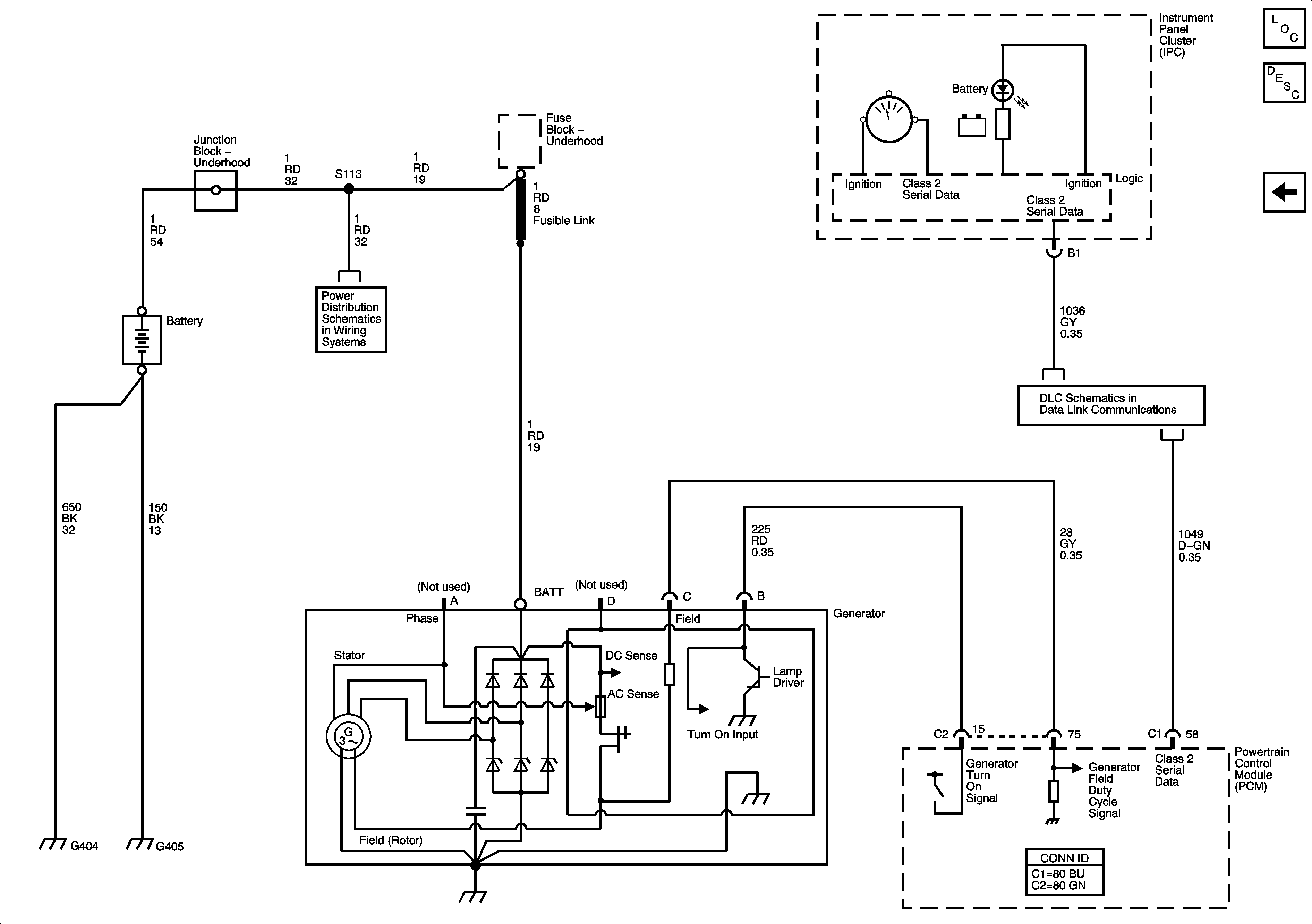
Charging System
Charging System
Master Electrical Component List
Starting System Description and Operation
Starting System
B+ BUS - Fuse Block Underhood
Data Link Connector (DLC) Schematics