GM Service Manual Online
For 1990-2009 cars only
Makes
🢒
Chevrolet
🢒
2003
🢒
SSR
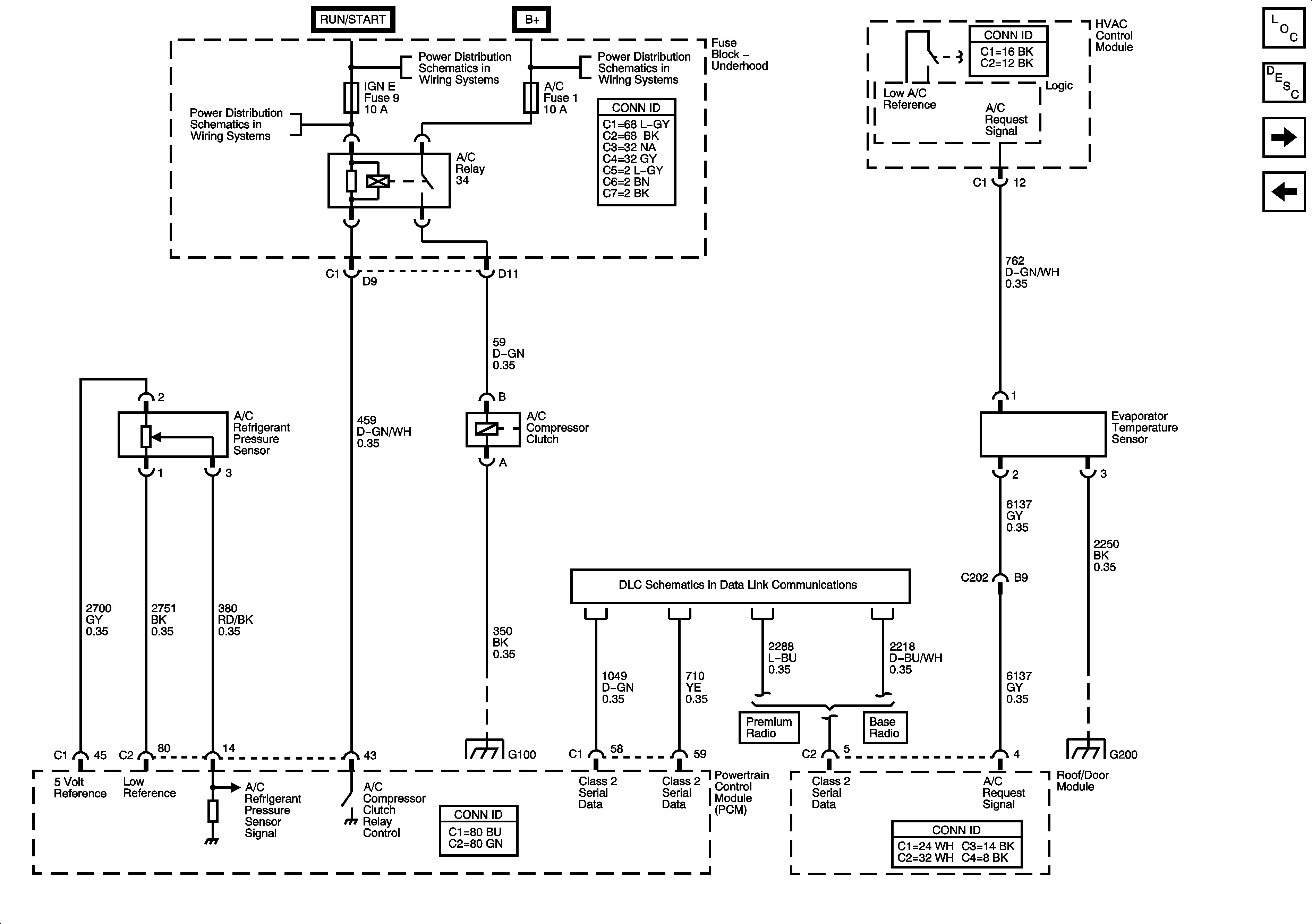
🢒 A/C Compressor Controls
A/C Compressor Controls
A/C Compressor Controls
Master Electrical Component List
Air Delivery Description and Operation
Actuators
Blower Motor and Mode Controls
IGN E, TBC IGN 1, BACK UP and BTSI Fuses
ACCY/RUN and RUN/START BUS BAR
Data Link Connector (DLC) Schematics
G200