GM Service Manual Online
For 1990-2009 cars only
Makes
🢒
Chevrolet
🢒
2003
🢒
SSR
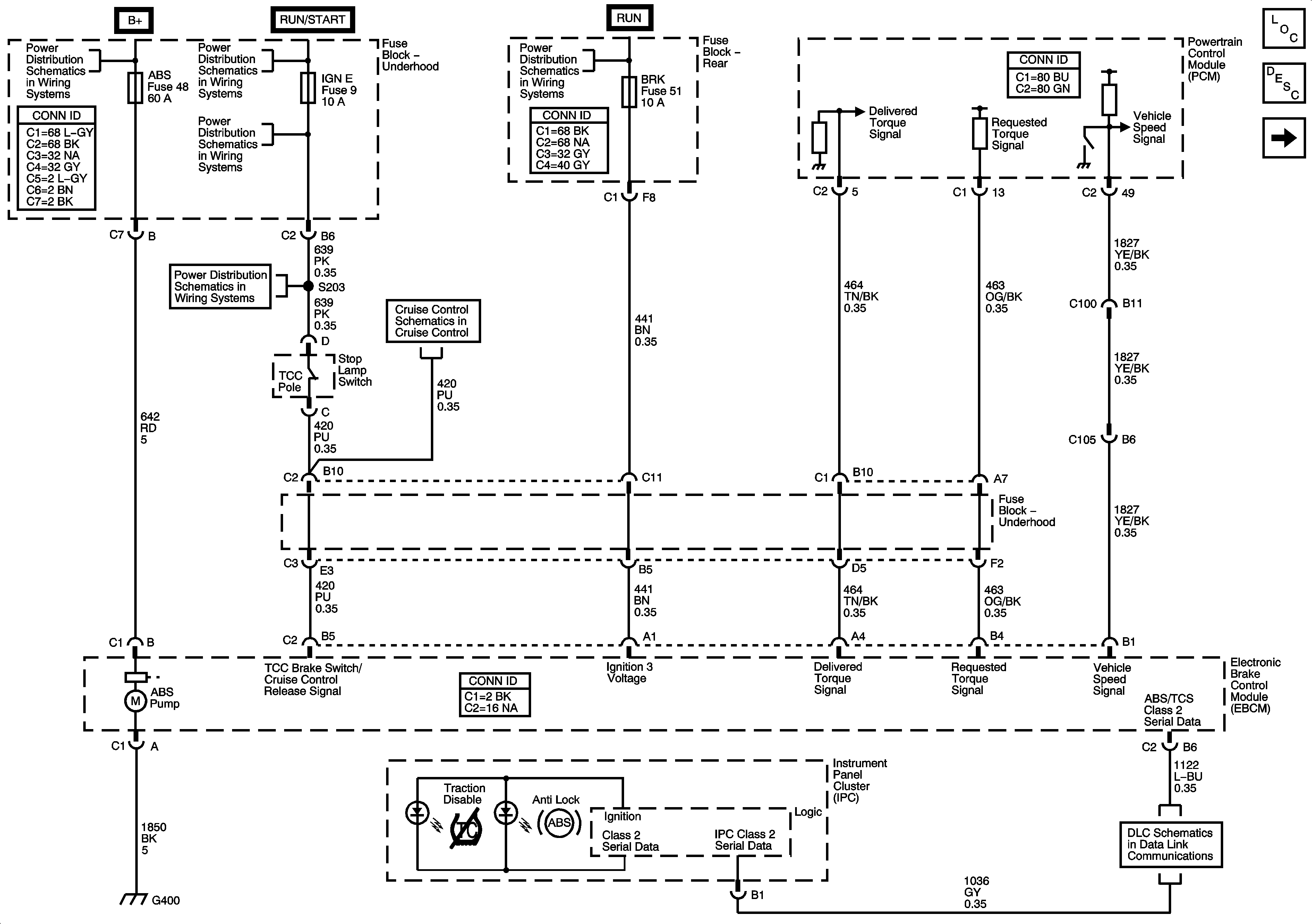
🢒 Power, Ground and Electronic Brake Control Module
Power, Ground and Electronic Brake Control Module
Power, Ground and Electronic Brake Control Module
Master Electrical Component List
ABS Description and Operation
Wheel Speed Sensors and Traction Control
B+ BUS - Fuse Block Underhood
ACCY/RUN and RUN/START BUS BAR
IGN E, TBC IGN 1, BACK UP and BTSI Fuses
IGN E, TBC IGN 1, BACK UP and BTSI Fuses
Stop Lamp Switch, EBCM and PCM
ACCY/RUN and RUN/START BUS BAR
Data Link Connector (DLC) Schematics