GM Service Manual Online
For 1990-2009 cars only
Makes
🢒
Chevrolet
🢒
2003
🢒
SSR
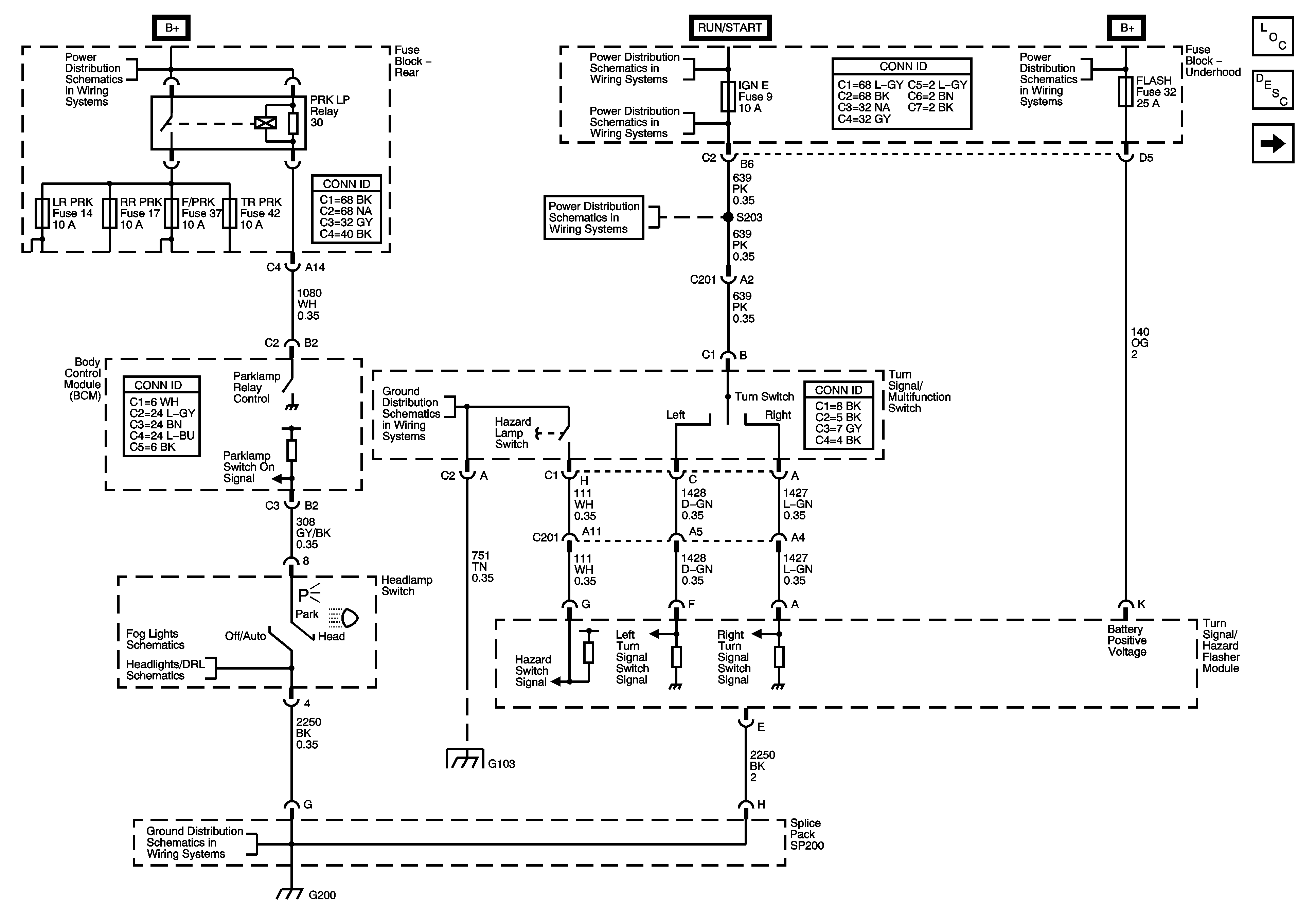
🢒 Park Lamp Control, Turn Signal Inputs and Hazard Switch
Park Lamp Control, Turn Signal Inputs and Hazard Switch
Park Lamp Control, Turn Signal Inputs and Hazard Switch
Master Electrical Component List
Exterior Lighting Systems Description and Operation
Turn Signal Lamps
B+ Bus - Fuse Block - Rear
ACCY/RUN and RUN/START BUS BAR
IGN E, TBC IGN 1, BACK UP and BTSI Fuses
IGN E, TBC IGN 1, BACK UP and BTSI Fuses
B+ BUS - Fuse Block Underhood
G103, G104
Headlamp and Headlamp Dimmer Switch Control
Fog Lights Schematics
G200
G103, G104