GM Service Manual Online
For 1990-2009 cars only
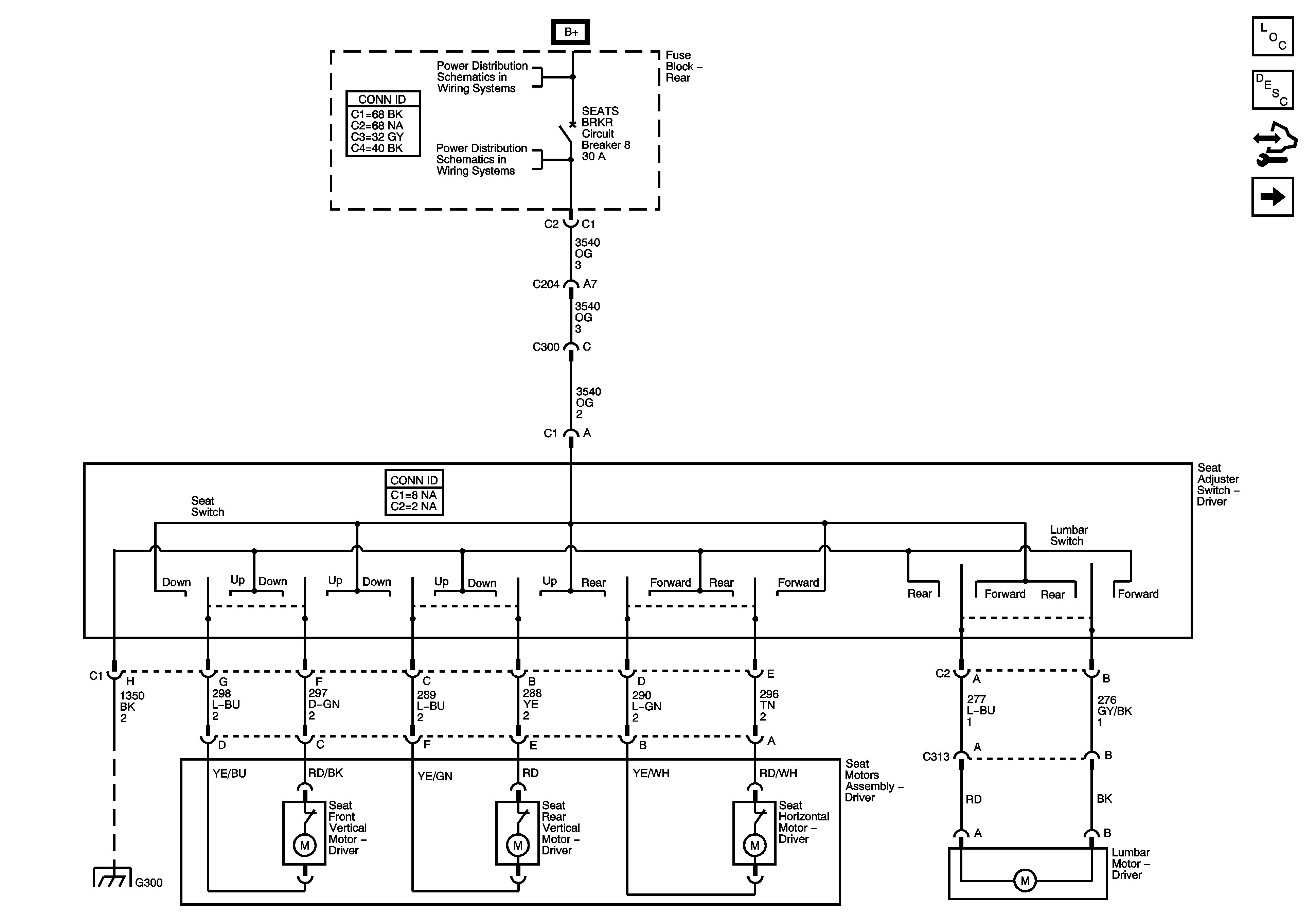
Figure 1:

Driver 6-Way, Lumbar w/o Memory


Object Number: 1458679  Size: FS
Master Electrical Component List
Power Seats System Description and Operation
Control Module References
Driver 6-Way Memory
B+ Bus - Rear Fuse Block
AMP, DDM, RKE Fuses, and ROOF-DOOR MOD, ROOF-PUMP, and SEATSCircuit Breakers
G300
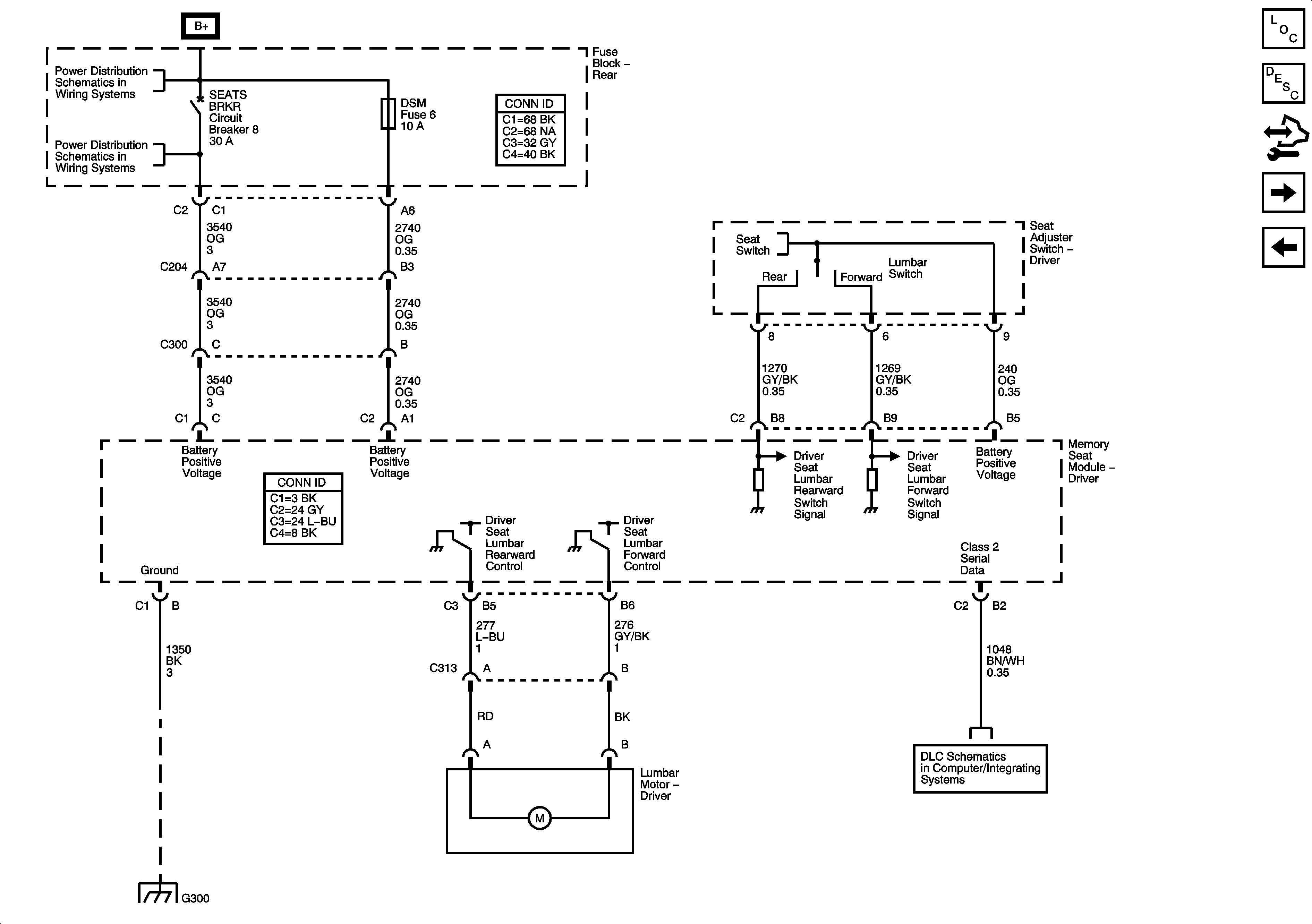
Figure 2:

Driver 6-Way Memory


Object Number: 1458680  Size: FS
Master Electrical Component List
Power Seats System Description and Operation
Control Module References
Driver 6-Way Lumbar Memory
Driver 6-Way Lumbar w/o Memory
B+ Bus - Rear Fuse Block
AMP, DDM, RKE Fuses, and ROOF-DOOR MOD, ROOF-PUMP, and SEATSCircuit Breakers
Data Link Connector Schematics
G300
Figure 3:

Driver 6-Way Lumbar Memory


Object Number: 1458682  Size: FS
Master Electrical Component List
Power Seats System Description and Operation
Control Module References
Driver Heated Seat
Driver 6-Way Memory
B+ Bus - Rear Fuse Block
AMP, DDM, RKE Fuses, and ROOF-DOOR MOD, ROOF-PUMP, and SEATSCircuit Breakers
Data Link Connector Schematics
G300
Figure 4:

Driver Heated Seat


Object Number: 1458684  Size: FS
Master Electrical Component List
Power Seats System Description and Operation
Control Module References
Driver 6-Way Lumbar Memory
B+ Bus - Rear Fuse Block
AMP, DDM, RKE Fuses, and ROOF-DOOR MOD, ROOF-PUMP, and SEATSCircuit Breakers
Data Link Connector Schematics
Passenger Heated Seat
Passenger Heated Seat