GM Service Manual Online
For 1990-2009 cars only
Makes
🢒
Chevrolet
🢒
2005
🢒
SSR
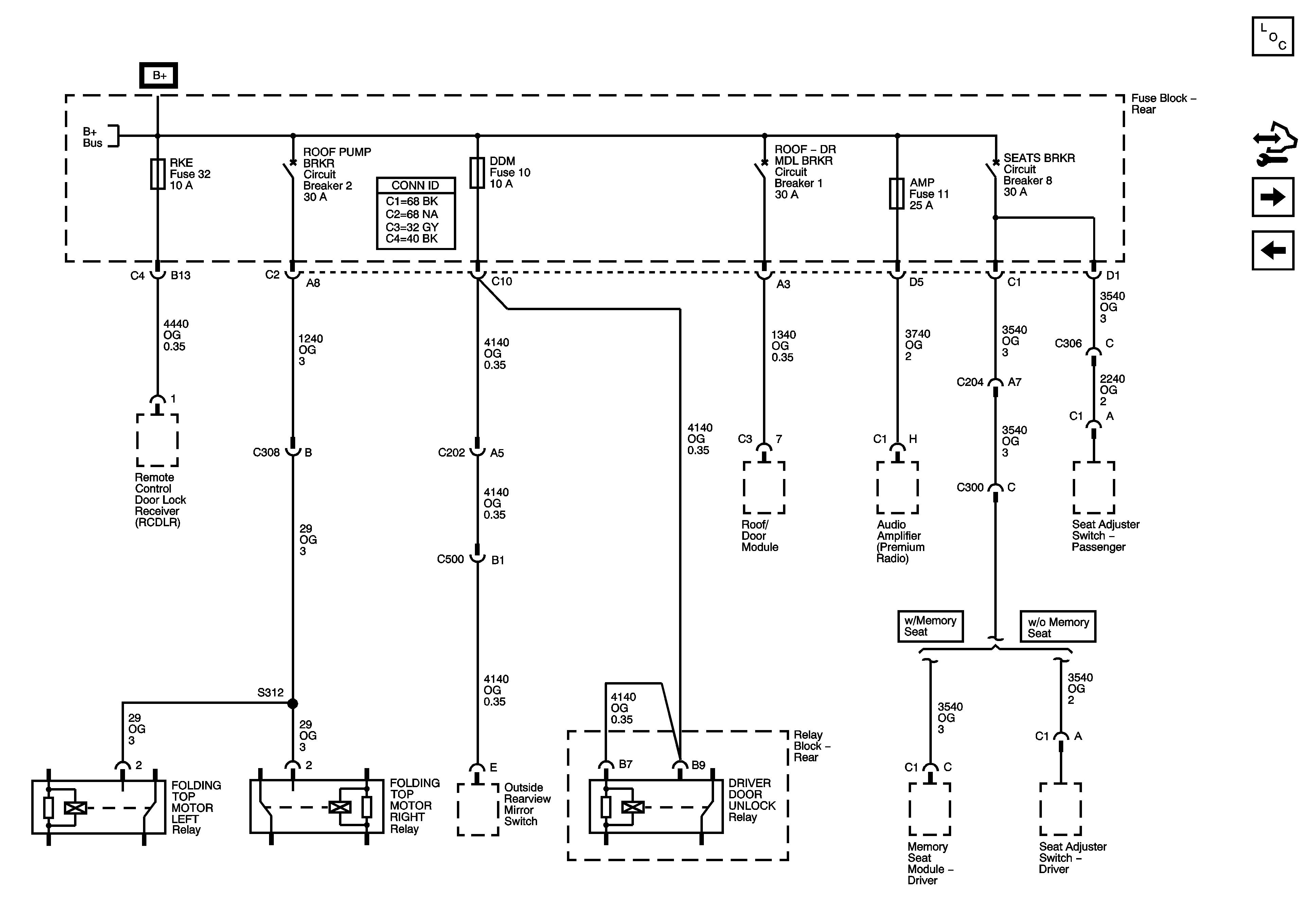
🢒 AMP, DDM, RKE Fuses, and ROOF-DOOR MOD, ROOF-PUMP, and SEATSCircuit Breakers
AMP, DDM, RKE Fuses, and ROOF-DOOR MOD, ROOF-PUMP, and SEATSCircuit Breakers
AMP, DDM, and RKE Fuses, and ROOF-DOOR MOD, ROOF-PUMP, and SEATS Circuit Breakers
Master Electrical Component List
Control Module References
Ignition Switch - ACCY/RUN/START,RUN and START Bus Bars, CRNK and IGN A Fuses
AUX PWR, DRL, RDM 2, TBC2,TBC3 and TBC4 Fuses
B+ Bus - Rear Fuse Block