GM Service Manual Online
For 1990-2009 cars only
Makes
🢒
Chevrolet
🢒
2005
🢒
SSR
🢒
Body
🢒
Wiring Systems
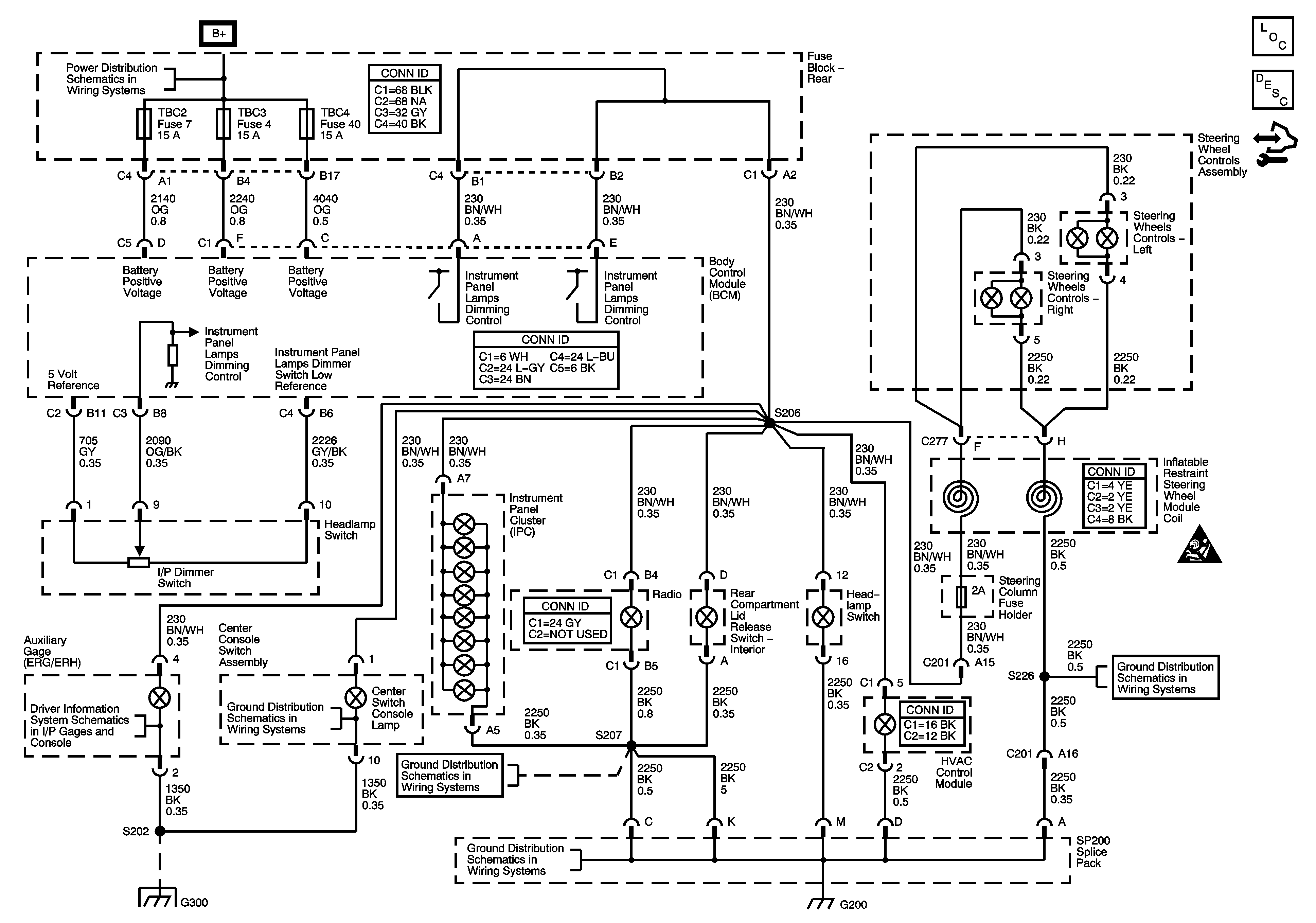
🢒 Interior Lights Dimming Schematics
Master Electrical Component List
Interior Lighting Systems Description and Operation
Control Module References
B+ Bus - Rear Fuse Block
SIR Caution for Zoning
Driver Information System
G300
G200
G300
G200
G200