GM Service Manual Online
For 1990-2009 cars only
Makes
🢒
Chevrolet
🢒
2005
🢒
SSR
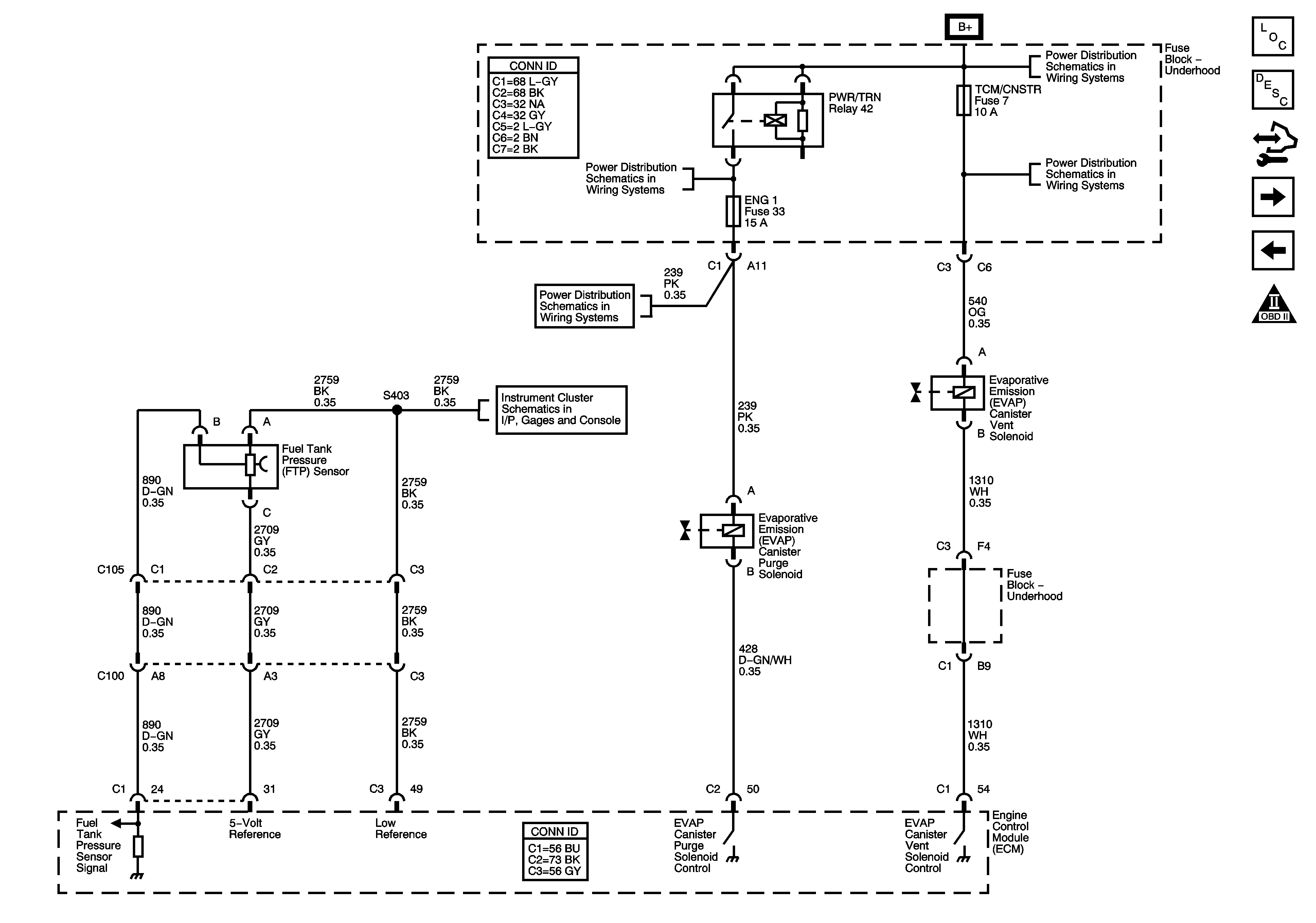
🢒 Fuel Controls - EVAP Controls
Fuel Controls - EVAP Controls
Fuel Controls - EVAP Controls
Master Electrical Component List
Engine Control Module Description
Control Module References
Transmission Control References
Fuel Controls - Fuel Pump Controls and Fuel Injectors
OBD II Symbol Description Notice
B+ Bus Underhood Fuse Block
ECM 2, ENG 1, INJ A, INJ B, O2A, and O2B Fuses
COILS, ECM, FLASHER, HDM, HI HDLP LT, HI HDLP RT, IPC DIC, LOW HDLP LT, LOW HDLP RT, TBC 1, and TCM/CNSTR Fuses
ECM 2, ENG 1, INJ A, INJ B, O2A, and O2B Fuses
Fuel Gage