GM Service Manual Online
For 1990-2009 cars only
Makes
🢒
Chevrolet
🢒
2005
🢒
SSR
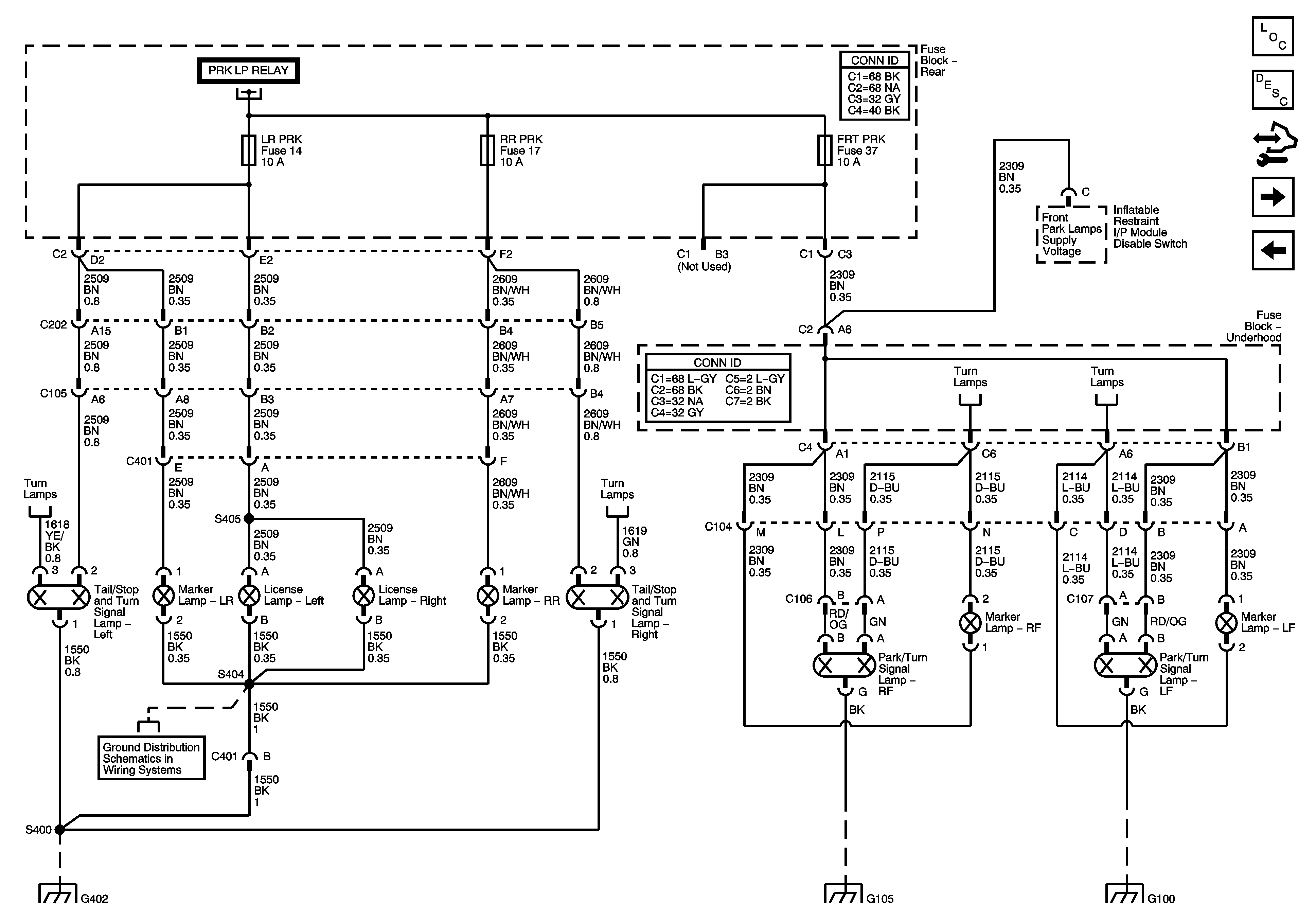
🢒 Park Lamps
Park Lamps
Park Lamps
Master Electrical Component List
Exterior Lighting Systems Description and Operation
Control Module References
Stop Lamps
Turn Signal Lamps
Park Lamp Control, Turn Signal Inputs and Hazard Switch
Turn Signal Lamps
Turn Signal Lamps
Turn Signal Lamps
Turn Signal Lamps
G400, G401, G402, G404, G405
G400, G401, G402, G404, G405
G105
G100, G102