GM Service Manual Online
For 1990-2009 cars only
Makes
🢒
Chevrolet
🢒
2005
🢒
SSR
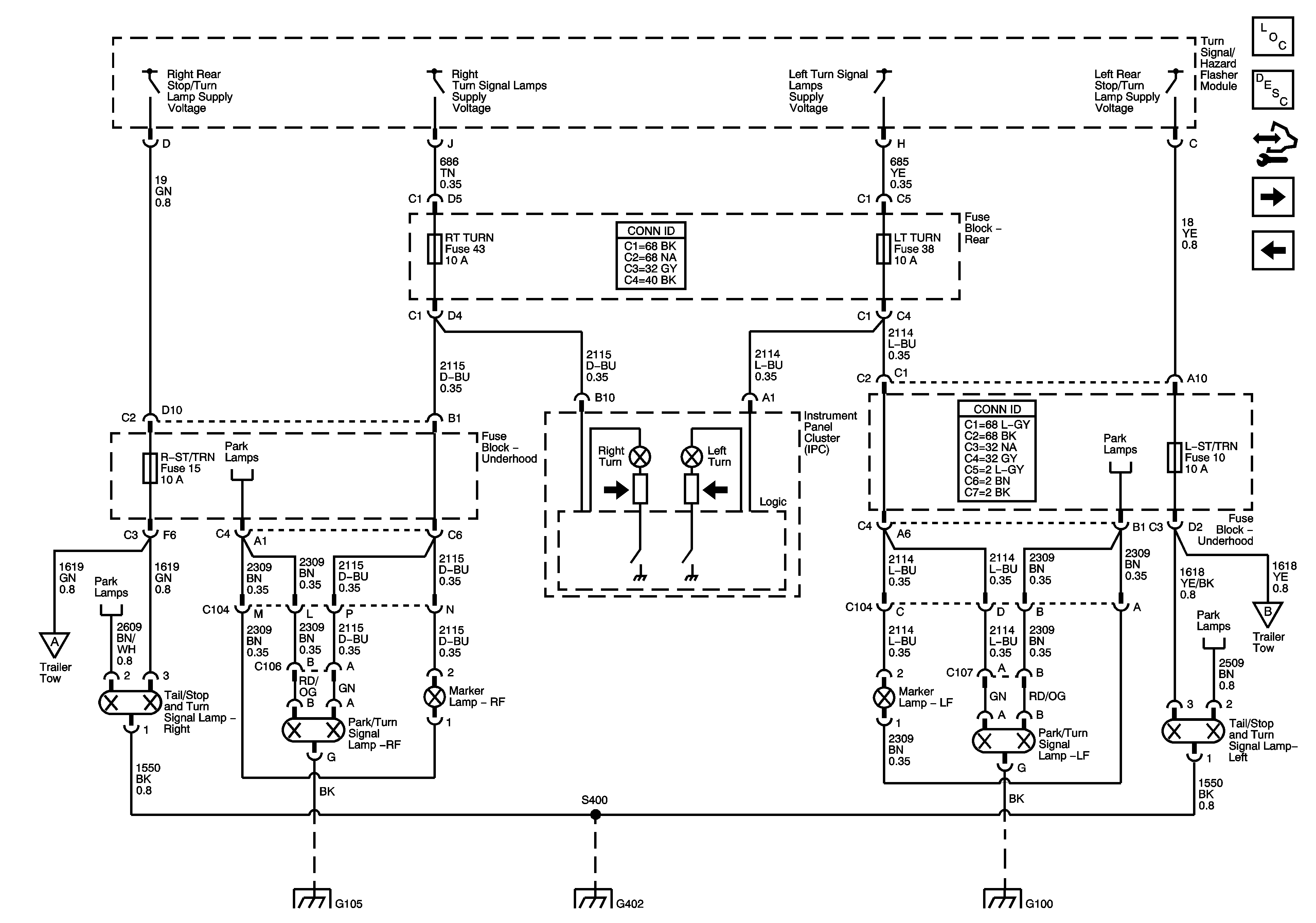
🢒 Turn Signal Lamps
Turn Signal Lamps
Turn Signal Lamps
Master Electrical Component List
Exterior Lighting Systems Description and Operation
Control Module References
Park Lamps
Park Lamp Control, Turn Signal Inputs and Hazard Switch
Trailer Tow
Park Lamps
Park Lamps
Park Lamps
Park Lamps
Trailer Tow
G105
G400, G401, G402, G404, G405
G100, G102