GM Service Manual Online
For 1990-2009 cars only
Makes
🢒
Chevrolet
🢒
2005
🢒
SSR
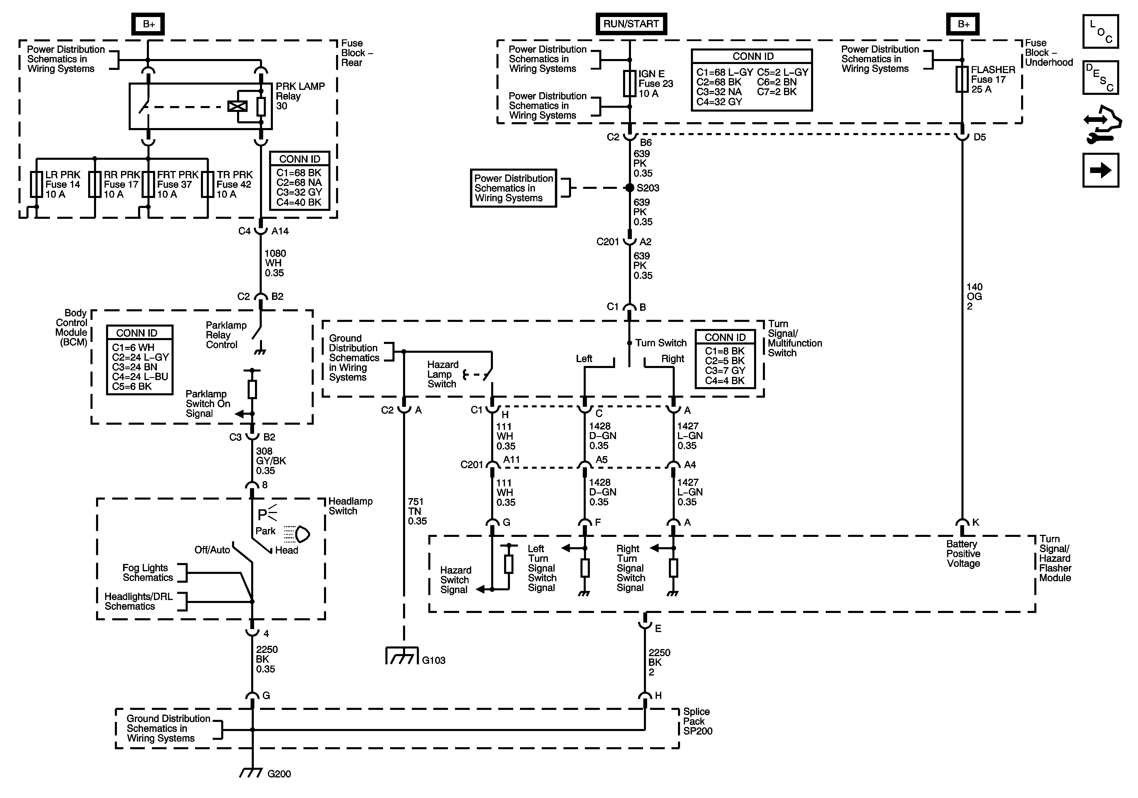
🢒 Park Lamp Control, Turn Signal Inputs and Hazard Switch
Park Lamp Control, Turn Signal Inputs and Hazard Switch
Park Lamp Control, Turn Signal Inputs and Hazard Switch
Master Electrical Component List
Exterior Lighting Systems Description and Operation
Control Module References
Turn Signal Lamps
B+ Bus - Rear Fuse Block
Ignition Switch - ACCY/RUN and RUN/START Bus Bar and IGN B Fuse
BCK/UP REV LK OUT, BTSI, and IGN E Fuses
BCK/UP REV LK OUT, BTSI, and IGN E Fuses
B+ Bus Underhood Fuse Block
G103, G104
Fog Lights Schematics
Headlamp and Headlamp Dimmer Switch Control
G200
G103, G104