GM Service Manual Online
For 1990-2009 cars only
Makes
🢒
Chevrolet
🢒
2005
🢒
SSR
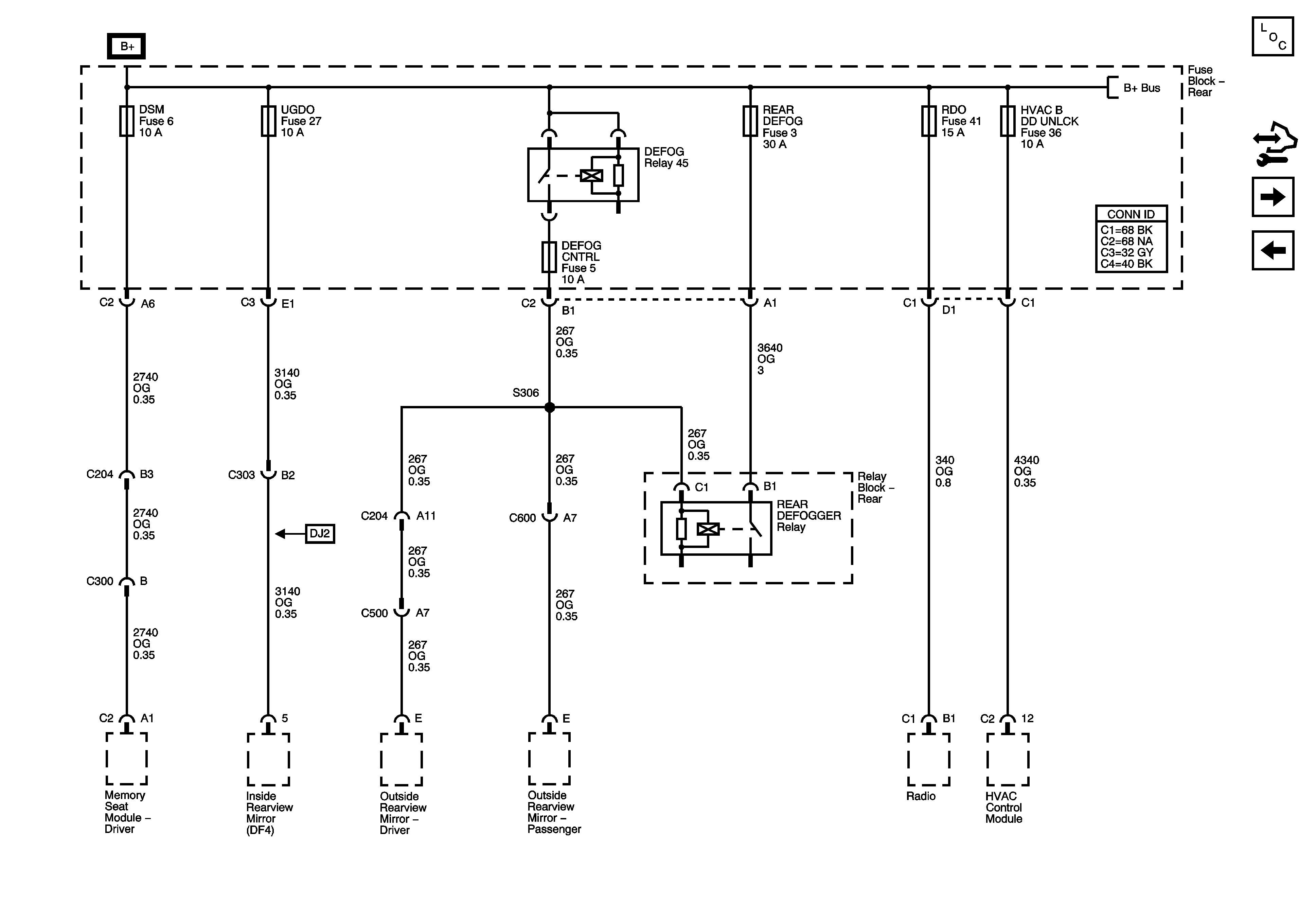
🢒 DEFG CONT, DR SEAT MOD, HVAC B DD UNLOCK, R/DEFG, RDO, and UGDO Fuses
DEFG CONT, DR SEAT MOD, HVAC B DD UNLOCK, R/DEFG, RDO, and UGDO Fuses
DEFG CONT, DR SEAT MOD, HVAC B DD UNLOCK, R/DEFG, RDO, and UGDO Fuses
Master Electrical Component List
Control Module References
AUX PWR, DRL, RDM 2, TBC2,TBC3 and TBC4 Fuses
ABS, AUX PWR 2, ENG COOL FAN, HVAC BLWR, LTR, STOP, STOP/LP, and VEH CHMSL Fuses
B+ Bus - Rear Fuse Block