GM Service Manual Online
For 1990-2009 cars only
Makes
🢒
Chevrolet
🢒
2005
🢒
SSR
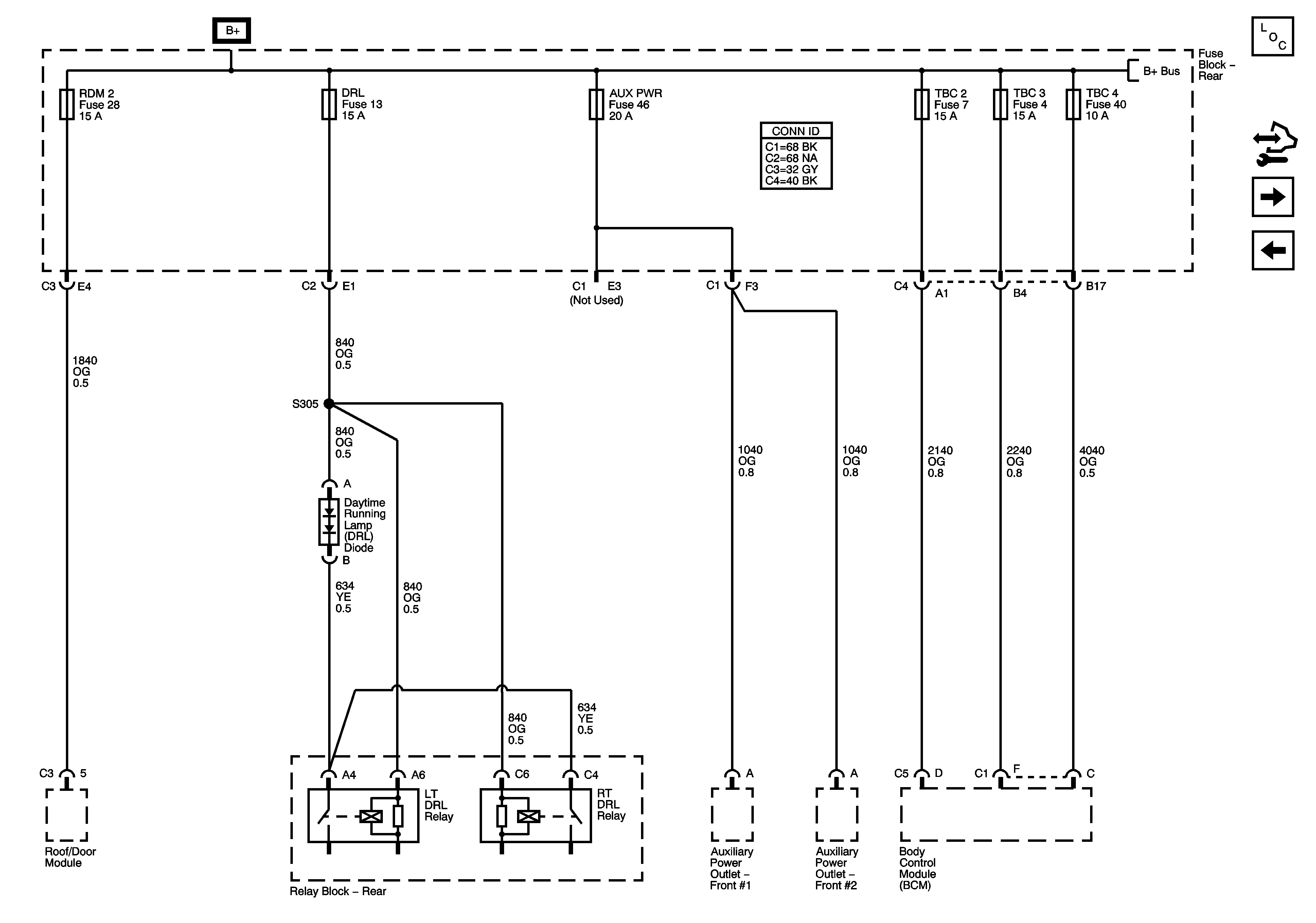
🢒 AUX PWR, DRL, RDM 2, TBC2,TBC3 and TBC4 Fuses
AUX PWR, DRL, RDM 2, TBC2,TBC3 and TBC4 Fuses
AUX PWR, DRL, RDM 2, TBC 2, TBC 3, and TBC 4 Fuses
Master Electrical Component List
Control Module References
AMP, DDM, RKE Fuses, and ROOF-DOOR MOD, ROOF-PUMP, and SEATSCircuit Breakers
DEFG CONT, DR SEAT MOD, HVAC B DD UNLOCK, R/DEFG, RDO, and UGDO Fuses
B+ Bus - Rear Fuse Block