GM Service Manual Online
For 1990-2009 cars only
Makes
🢒
Chevrolet
🢒
2005
🢒
SSR
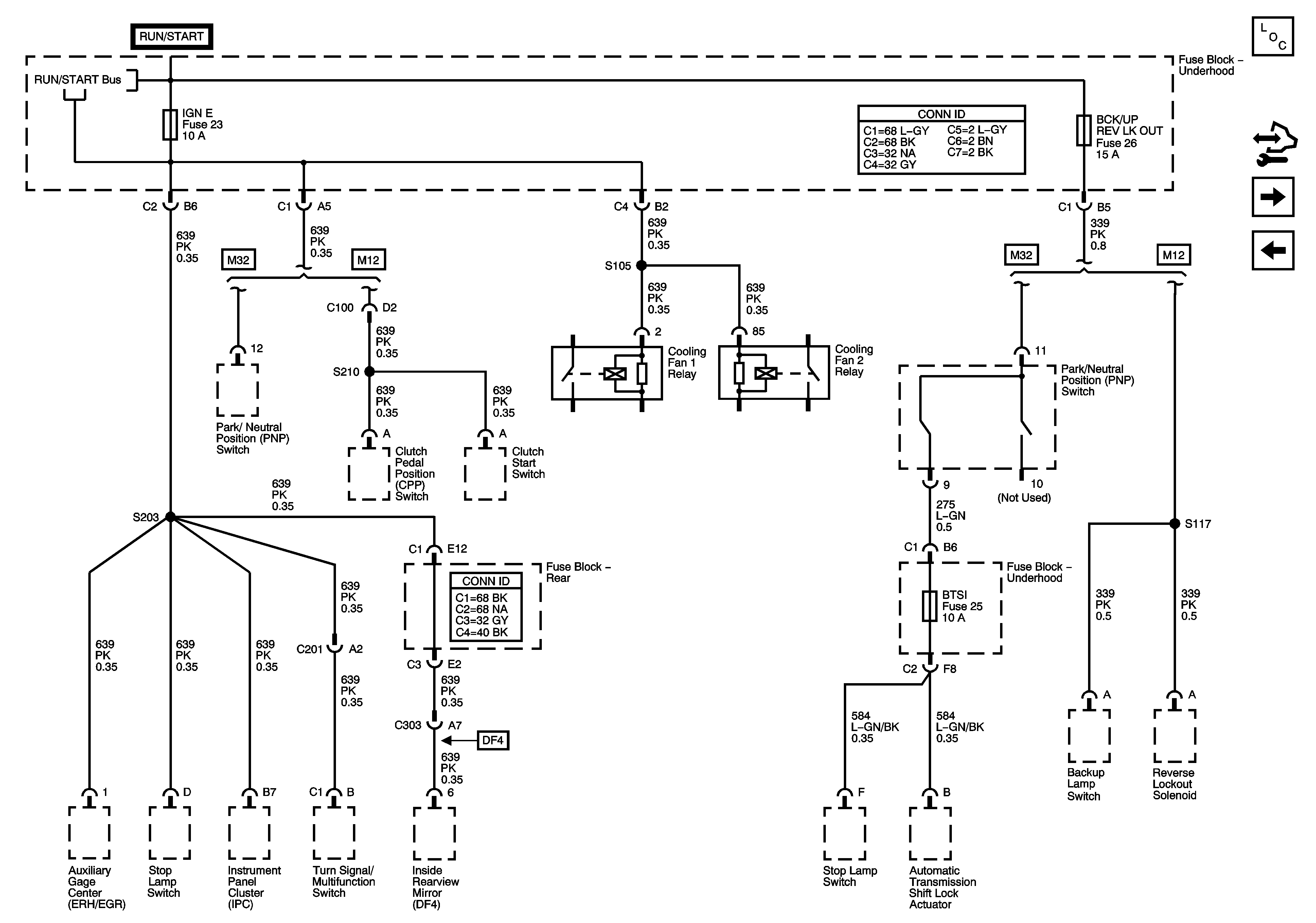
🢒 BCK/UP REV LK OUT, BTSI, and IGN E Fuses
BCK/UP REV LK OUT, BTSI, and IGN E Fuses
BCK/UP REV LK OUT, BTSI, and IGN E Fuses
Master Electrical Component List
Control Module References
AIRBAG, ECM 1/TCM, TCB IGN 1, and TRANS Fuses
IGN0, TBC IG, TBC 4CC, FT WPR Fuses
Ignition Switch - ACCY/RUN and RUN/START Bus Bar and IGN B Fuse