GM Service Manual Online
For 1990-2009 cars only
Makes
🢒
Chevrolet
🢒
2005
🢒
SSR
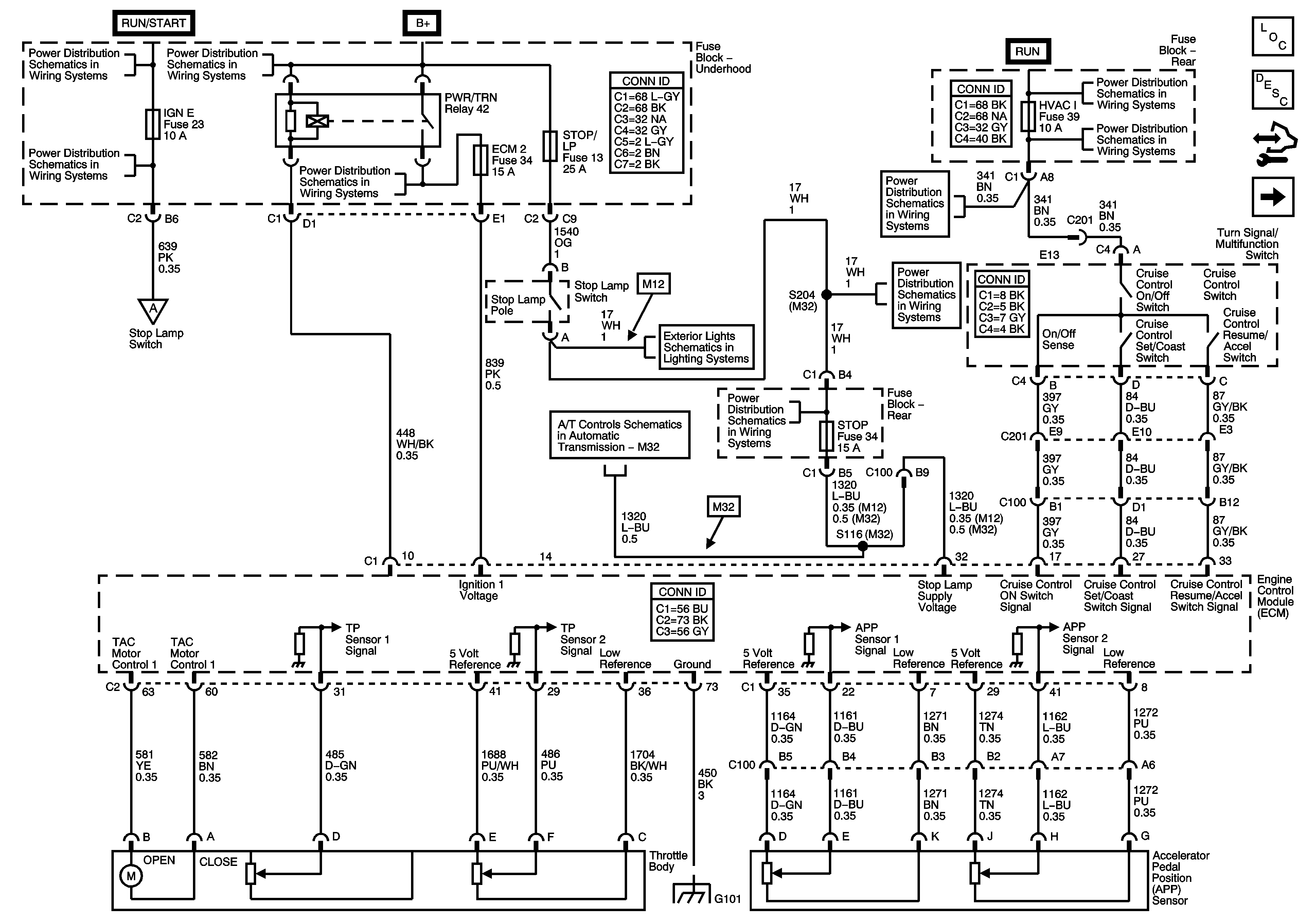
🢒 Power, Ground, TAC Module, APP Sensor and Throttle Body
Power, Ground, TAC Module, APP Sensor and Throttle Body
Power, Ground, TAC Module, APP Sensor and Throttle Body
Master Electrical Component List
Cruise Control Description and Operation
Control Module References
Stop Lamp Switch, EBCM and PCM
Ignition Switch - ACCY/RUN and RUN/START Bus Bar and IGN B Fuse
BCK/UP REV LK OUT, BTSI, and IGN E Fuses
B+ Bus Underhood Fuse Block
B+ Bus Underhood Fuse Block
Stop Lamp Switch, EBCM and PCM
Stop Lamps
ABS, AUX PWR 2, ENG COOL FAN, HVAC BLWR, LTR, STOP, STOP/LP, and VEH CHMSL Fuses
BRK and HVAC I Fuses
ABS, AUX PWR 2, ENG COOL FAN, HVAC BLWR, LTR, STOP, STOP/LP, and VEH CHMSL Fuses
Ignition Switch - ACCY/RUN/START,RUN and START Bus Bars, CRNK and IGN A Fuses
BRK and HVAC I Fuses
G101