GM Service Manual Online
For 1990-2009 cars only
Makes
🢒
Chevrolet
🢒
2005
🢒
SSR
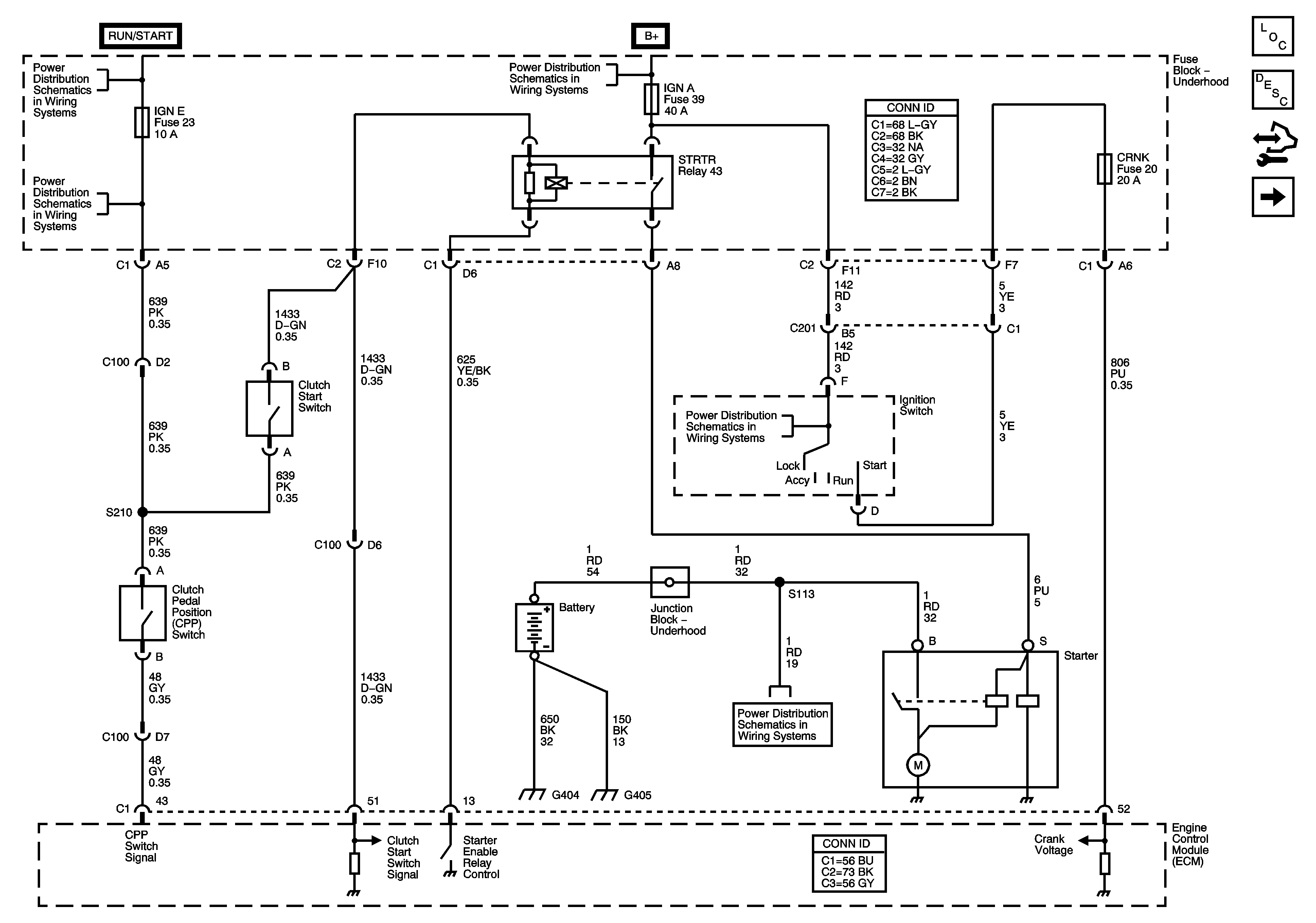
🢒 Starting System (M12)
Starting System (M12)
Starting System-M12
Master Electrical Component List
Starting System Description and Operation
Control Module References
Engine Electrical - Starting System
Ignition Switch - ACCY/RUN and RUN/START Bus Bar and IGN B Fuse
BCK/UP REV LK OUT, BTSI, and IGN E Fuses
B+ Bus Underhood Fuse Block
Ignition Switch - ACCY/RUN/START,RUN and START Bus Bars, CRNK and IGN A Fuses
B+ Bus Underhood Fuse Block