GM Service Manual Online
For 1990-2009 cars only
Makes
🢒
Chevrolet
🢒
2007
🢒
Silverado - 2WD
🢒
Diagnostic Navigation
🢒
Vehicle Diagnostic Information
🢒 Automatic Transmission Controls Schematics
Figure
1:
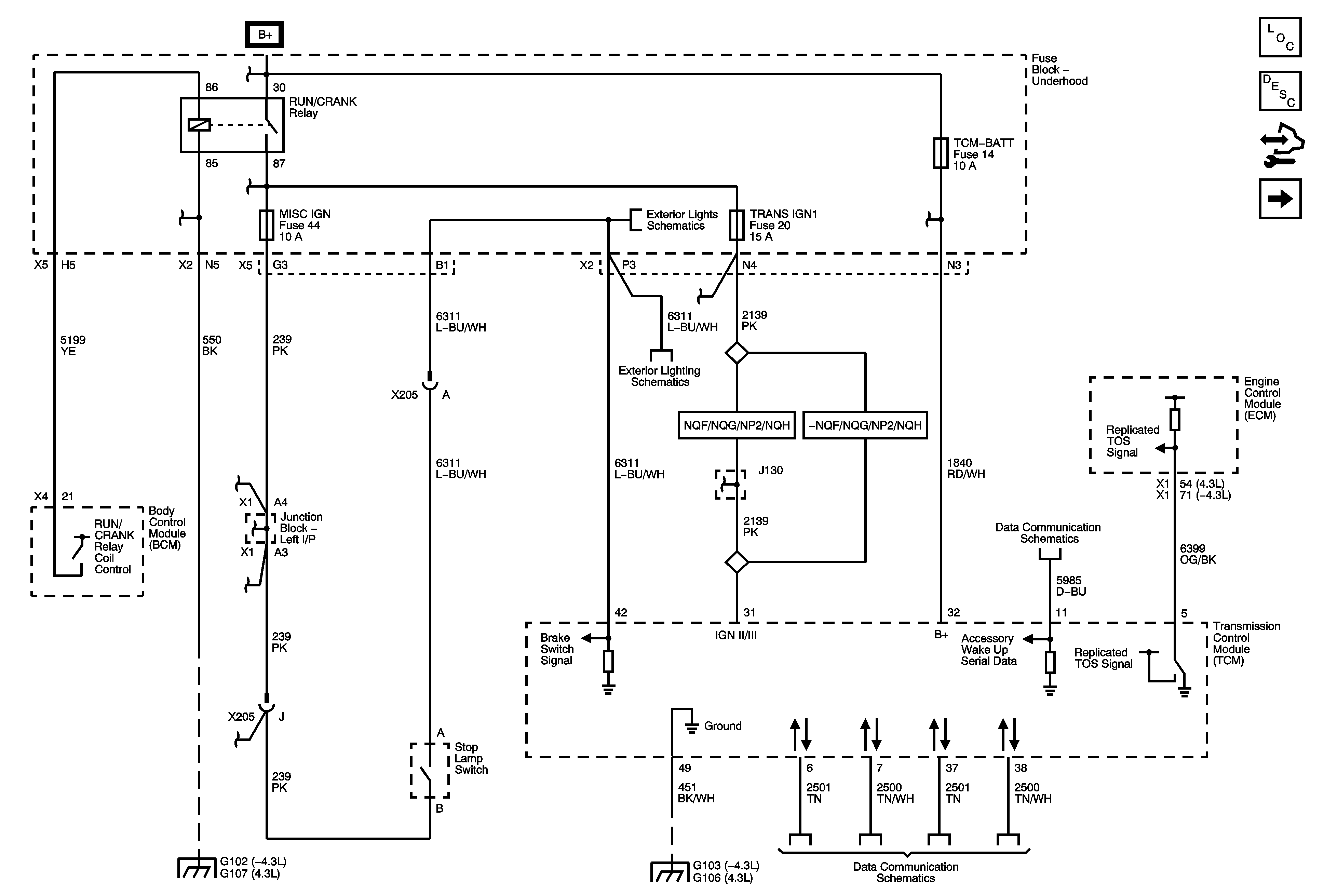
Module Power, Ground and Serial Data
Master Electrical Component List
Electronic Component Description (TCM)
Control Module References
Shift Controls
RUN/CRANK BUS - AIRBAG IGN, MISC IGN and SEO/ALC Fuses
Stop Lamp Controls and CHMSL
RUN/CRANK BUS - ECM-IGN and TRANS IGN 1 Fuses
ECM-BATT, HDLP WASH, HVAC BATT, IPC, LTR, S/ROOF and TCM-BATT Fuses
Stop Lamp Controls and CHMSL
Accessory Wakeup Serial Data
G102, G107 (4.3L), G104, G108
G106 (4.3L) and G103
High Speed Bus - 1 of 3
Figure
2:
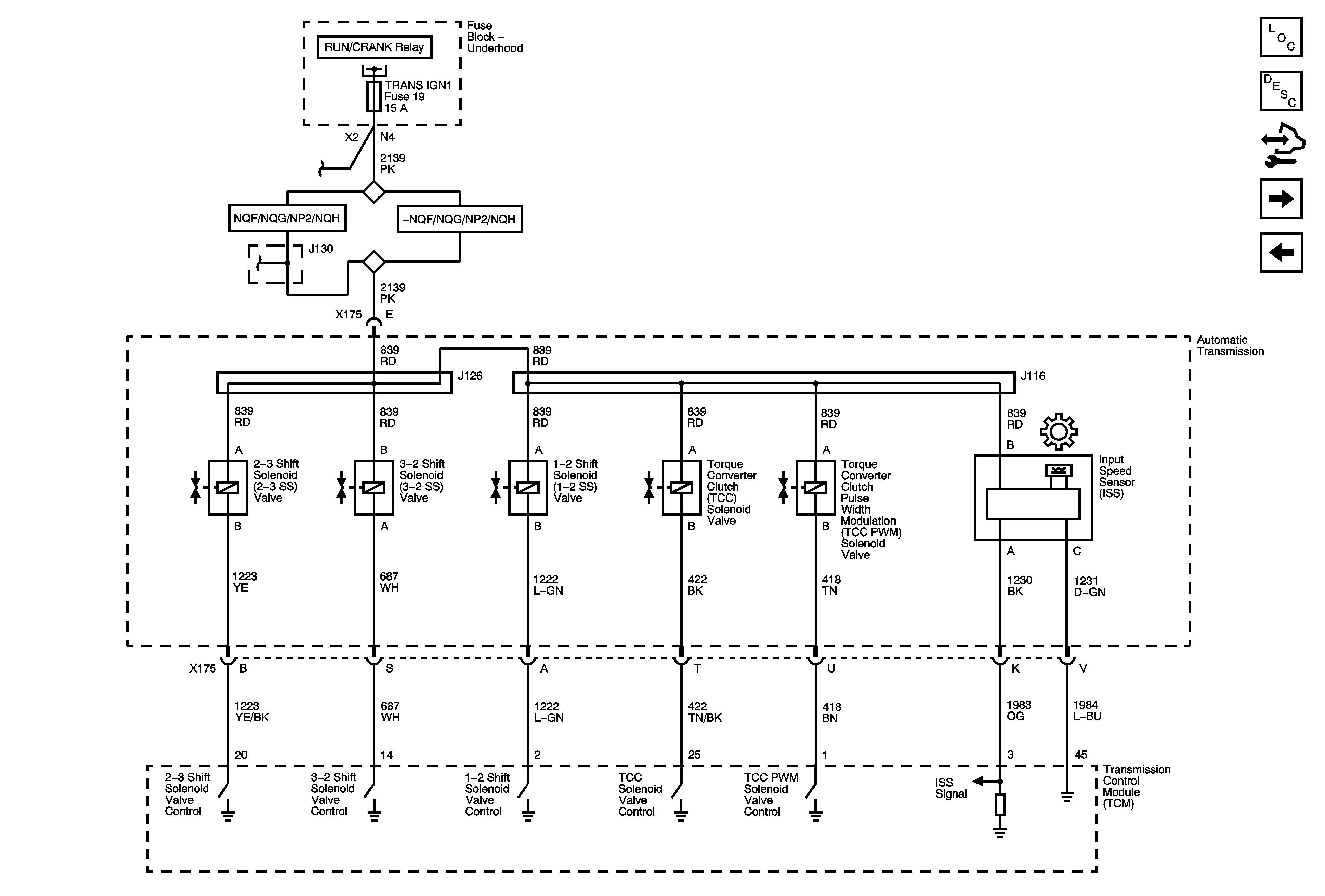
Shift Controls
Master Electrical Component List
Electronic Component Description (TCM)
Control Module References
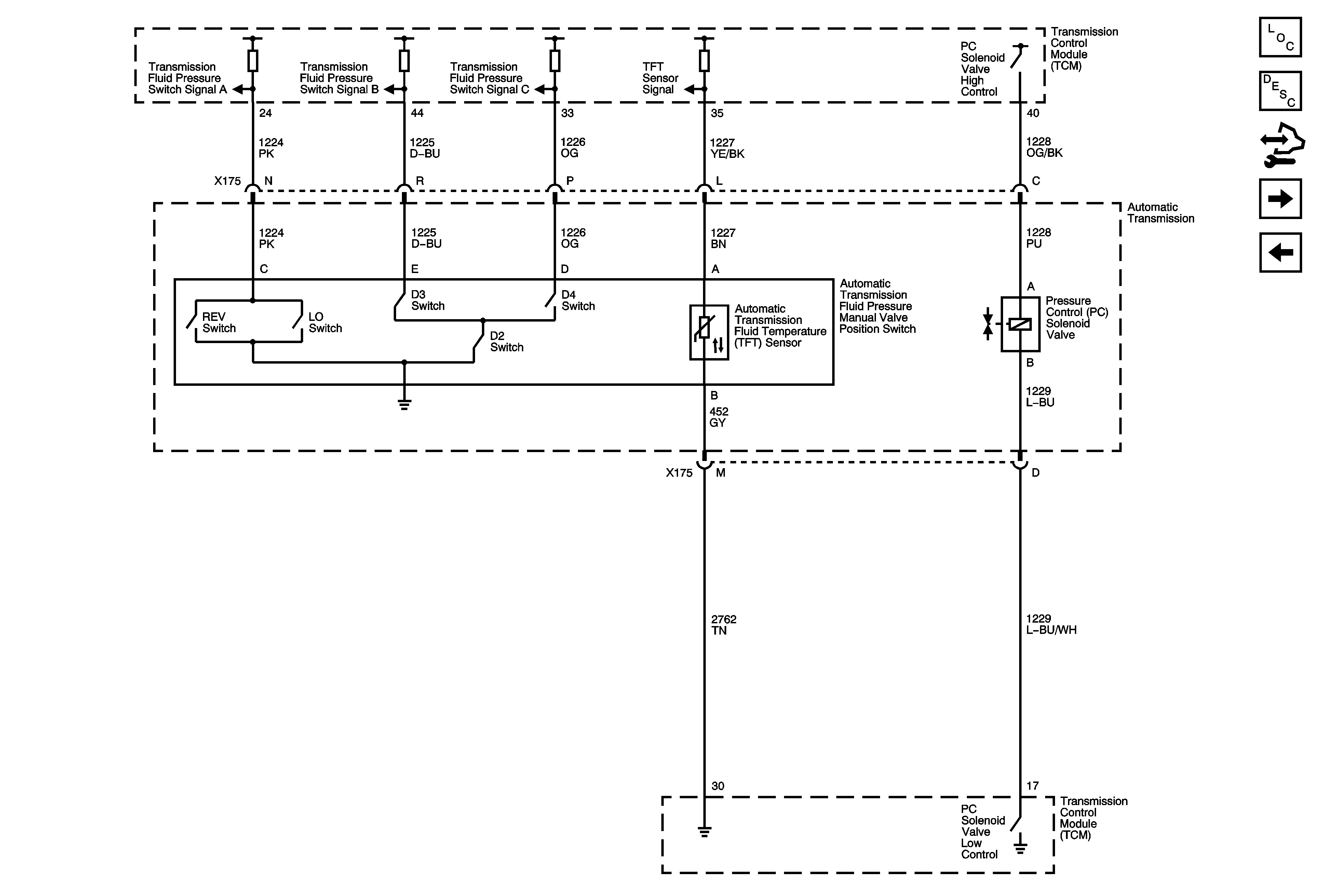
Pressure and Temperature Controls
Module Power, Ground and Serial Data
Module Power, Ground and Serial Data
RUN/CRANK BUS - ECM-IGN and TRANS IGN 1 Fuses
Figure
3:
Pressure and Temperature Controls
Master Electrical Component List
Electronic Component Description (TCM)
Control Module References
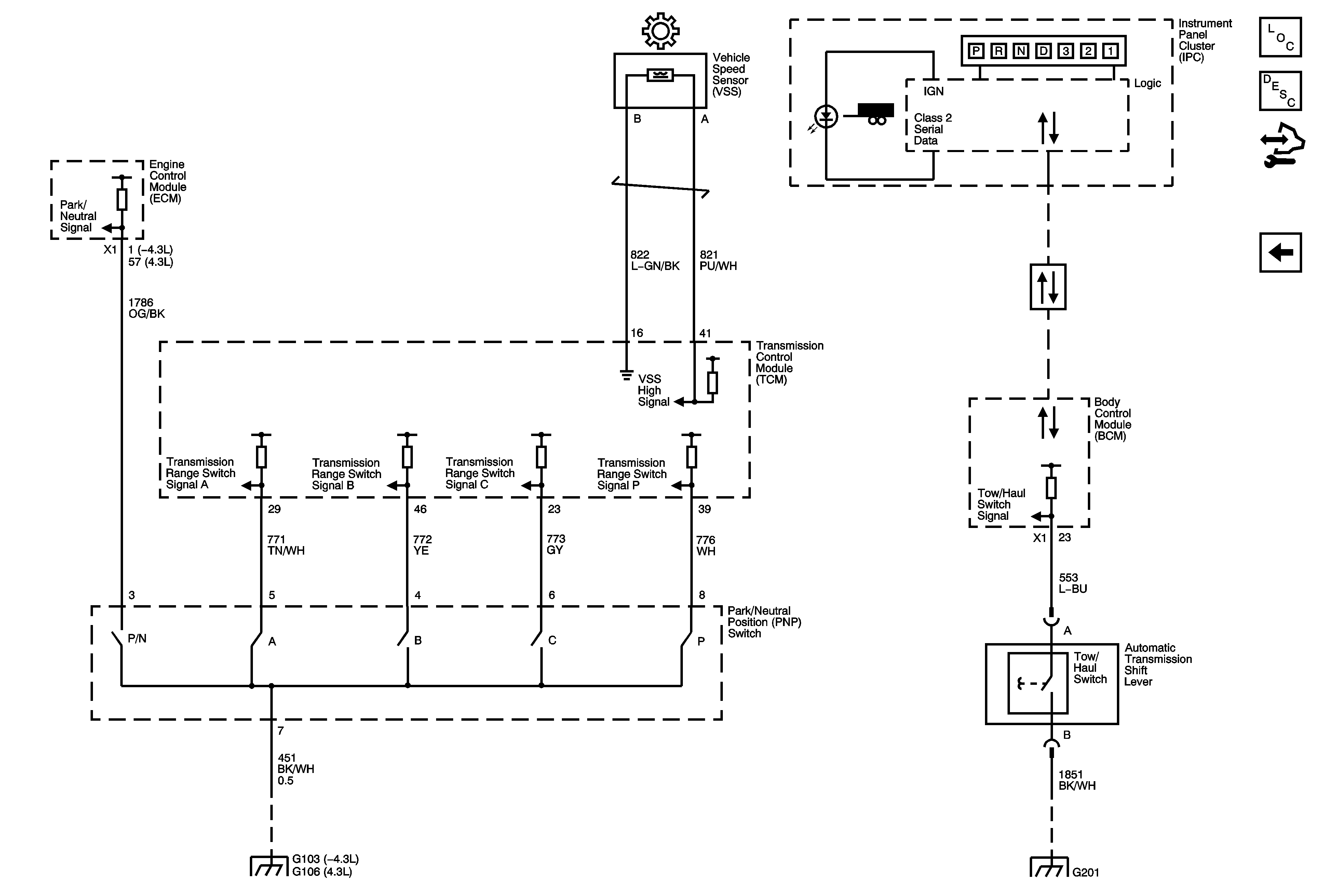
PNP Signals, VSS Signal and Tow/Haul Signal
Shift Controls
Figure
4:
PNP Signals, VSS Signal and Tow/Haul Signal
Master Electrical Component List
Electronic Component Description (TCM)
Control Module References
Pressure and Temperature Controls
Low Speed Bus - 1 of 3
G106 (4.3L) and G103
G201 2 of 2