GM Service Manual Online
For 1990-2009 cars only
Makes
🢒
Chevrolet
🢒
2007
🢒
Silverado - 2WD
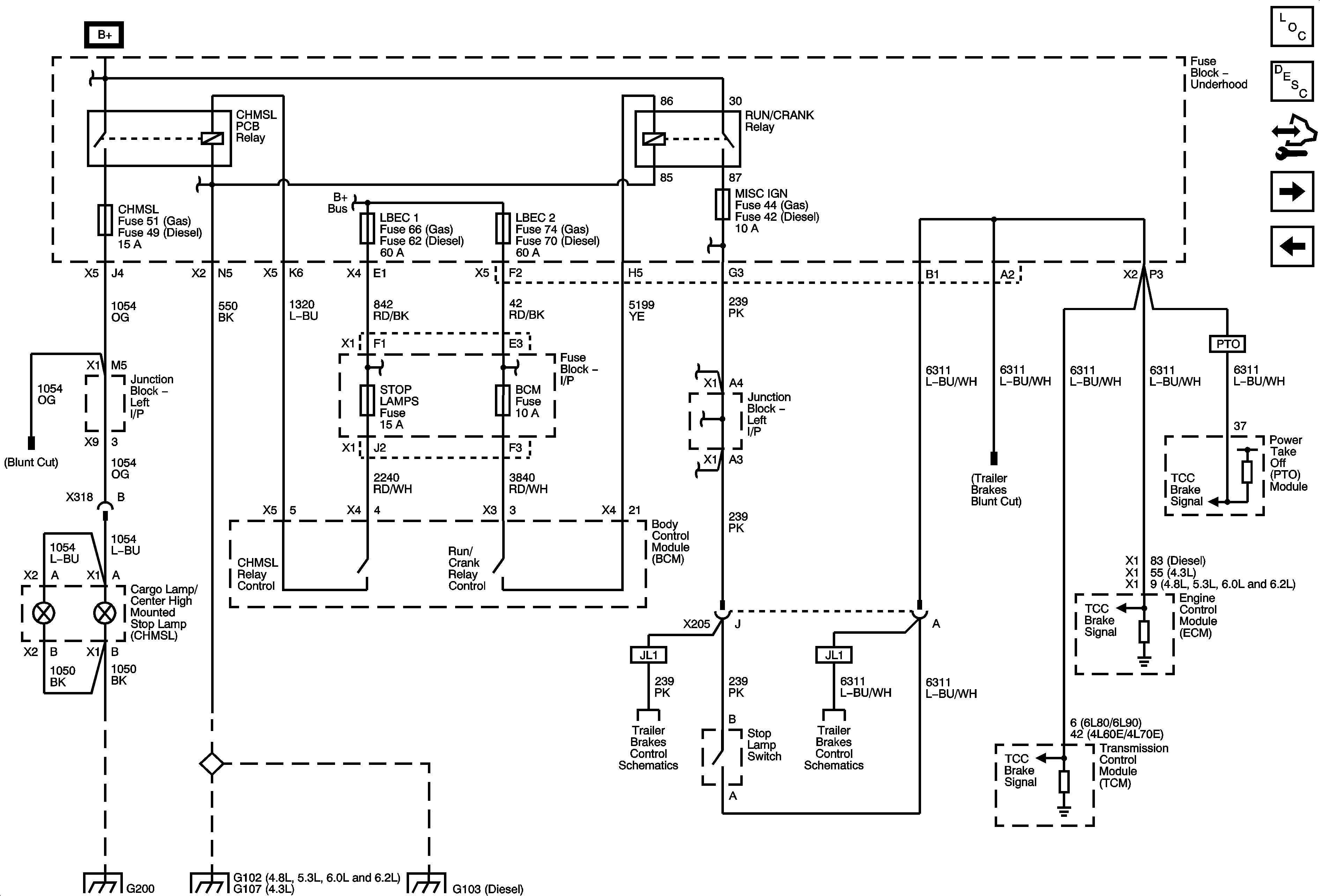
🢒 Stop Lamp Controls and CHMSL
Stop Lamp Controls and CHMSL
Stop Lamp Controls and CHMSL
Master Electrical Component List
Exterior Lighting Systems Description and Operation
Control Module References
Backup Lamps and Backup Alarm
Rear Stop/Turn Signal Lamps
CHMSL, TRLR BCK/UP, TRLR STOP LT, TRLR STOP RT and VEH BCK/UP Fuses
RUN/CRANK BUS - AIRBAG IGN, MISC IGN and SEO/ALC Fuses
Module Power and Ground
Module Power and Ground
G200 1 of 2
G102, G107 (4.3L), G104, G108
G106 (4.3L) and G103