GM Service Manual Online
For 1990-2009 cars only
Makes
🢒
Chevrolet
🢒
2007
🢒
Silverado - 2WD
🢒
Power and Signal Distribution
🢒
Wiring Systems and Power Management
🢒 Upfitter Provision Schematics
Figure
1:
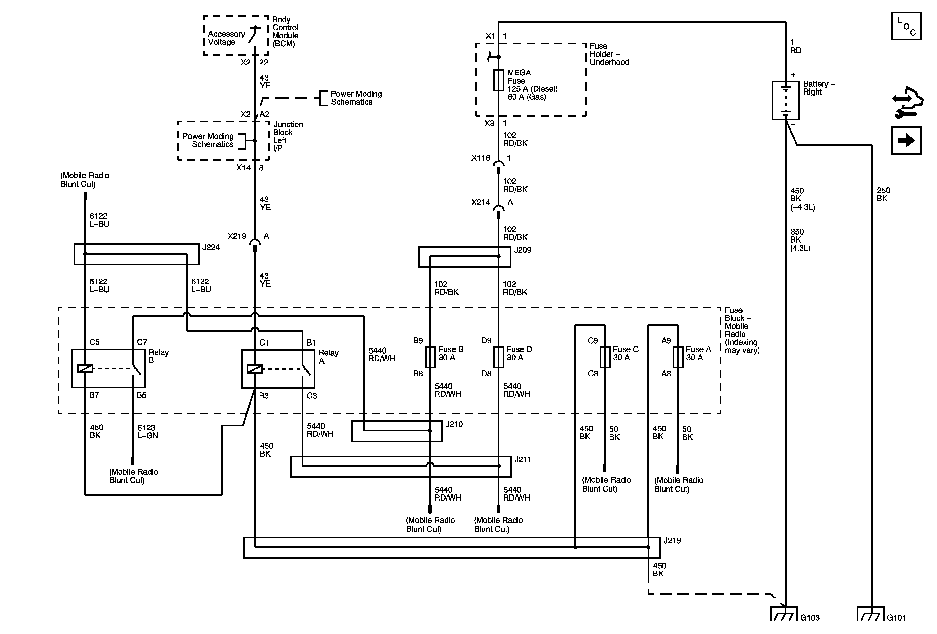
Mobile Radio Power (9L4)
Master Electrical Component List
Control Module References
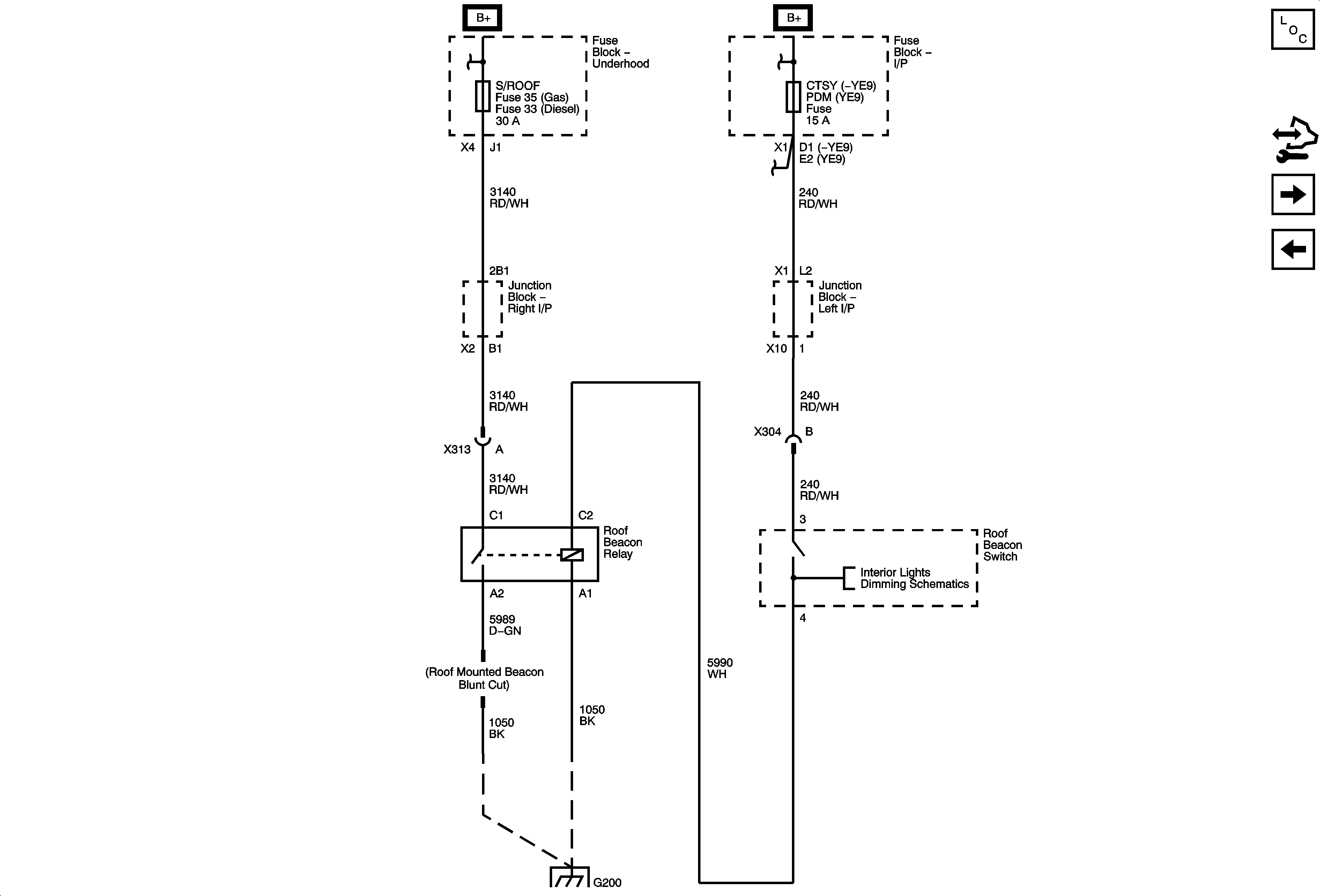
Roof Beacon Wiring (TRW)
Battery Supply
Ignition III Voltage and Accessory Voltage
Ignition III Voltage and Accessory Voltage
G106 (4.3L) and G103
G101
Figure
2:
Roof Beacon Wiring (TRW)
Master Electrical Component List
Control Module References
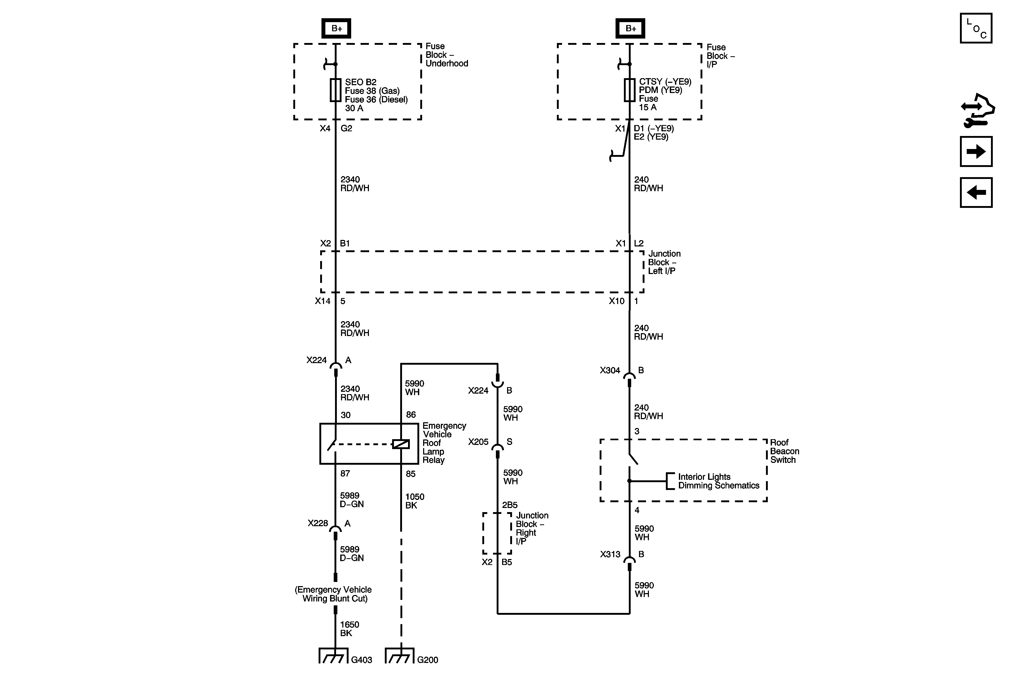
Emergency Vehicle Wiring (5Y0)
Mobile Radio Power 9L4
ECM-BATT, HDLP WASH, HVAC BATT, IPC, LTR, S/ROOF and TCM-BATT Fuses
BCM, COOLED SEATS, CTSY, DDM, DIM, DSM, LBEC 2, PWR MIR, REAR HVAC and RT STOP TRN Fuses
I/P Bulb Dimming 1 of 2
G200 1 of 2
Figure
3:
Emergency Vehicle Wiring (5Y0)
Master Electrical Component List
Control Module References
Wrecker Wiring (5X7)
Roof Beacon Wiring (TRW)
AIRBAG BATT, ALC COMP, EAP, LGM, SEO B1 and SEO B2 Fuses
BCM, COOLED SEATS, CTSY, DDM, DIM, DSM, LBEC 2, PWR MIR, REAR HVAC and RT STOP TRN Fuses
I/P Bulb Dimming 1 of 2
G401 and G403
G200 1 of 2
Figure
4:
Wrecker Wiring (5X7)
Master Electrical Component List
Control Module References
Emergency Vehicle Wiring (5Y0)
Emergency Vehicle Wiring (5Y0)
I/P Bulb Dimming 1 of 2
G200 1 of 2