GM Service Manual Online
For 1990-2009 cars only
Makes
🢒
Chevrolet
🢒
2007
🢒
Silverado - 2WD
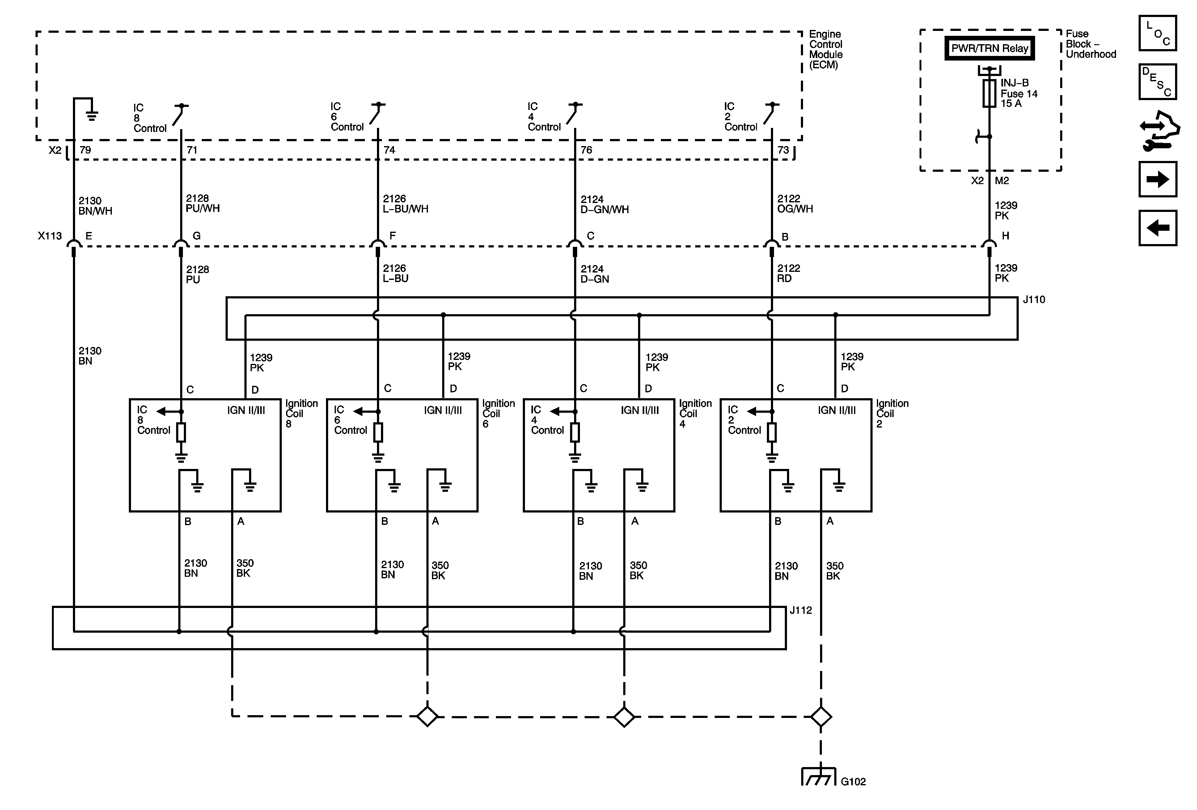
🢒 Ignition Controls - Ignition System Coils 2,4,6 and 8
Ignition Controls - Ignition System Coils 2,4,6 and 8
Ignition Controls - Ignition System Coils 2, 4, 6 and 8
Master Electrical Component List
Electronic Ignition (EI) System Description
Control Module References
Ignition Controls - Sensors
Ignition Controls - Ignition System Coils 1,3,5 and 7
Module Power, Ground and Serial Data
PWR/TRN BUS - INJ-A and INJ-B Fuses
G102, G107 (4.3L), G104, G108