GM Service Manual Online
For 1990-2009 cars only
Makes
🢒
Chevrolet
🢒
2007
🢒
Silverado - 2WD
🢒 Ignition Controls - Sensors
Ignition Controls - Sensors
Ignition Controls - Sensors
Master Electrical Component List
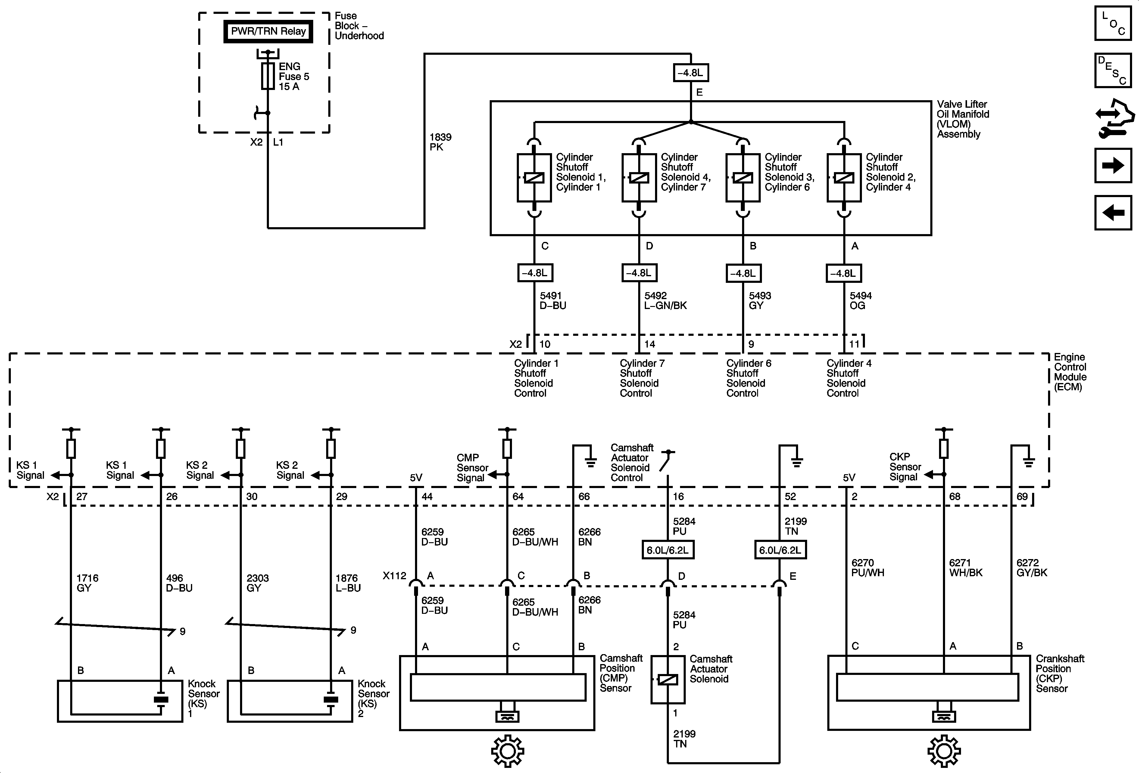
Knock Sensor (KS) System Description
Control Module References
Fuel Controls - Fuel Pump Controls (-LMG/LY6/LC9)
Ignition Controls - Ignition System Coils 2,4,6 and 8
Module Power, Ground and Serial Data