GM Service Manual Online
For 1990-2009 cars only
Makes
🢒
Chevrolet
🢒
2007
🢒
Silverado - 2WD
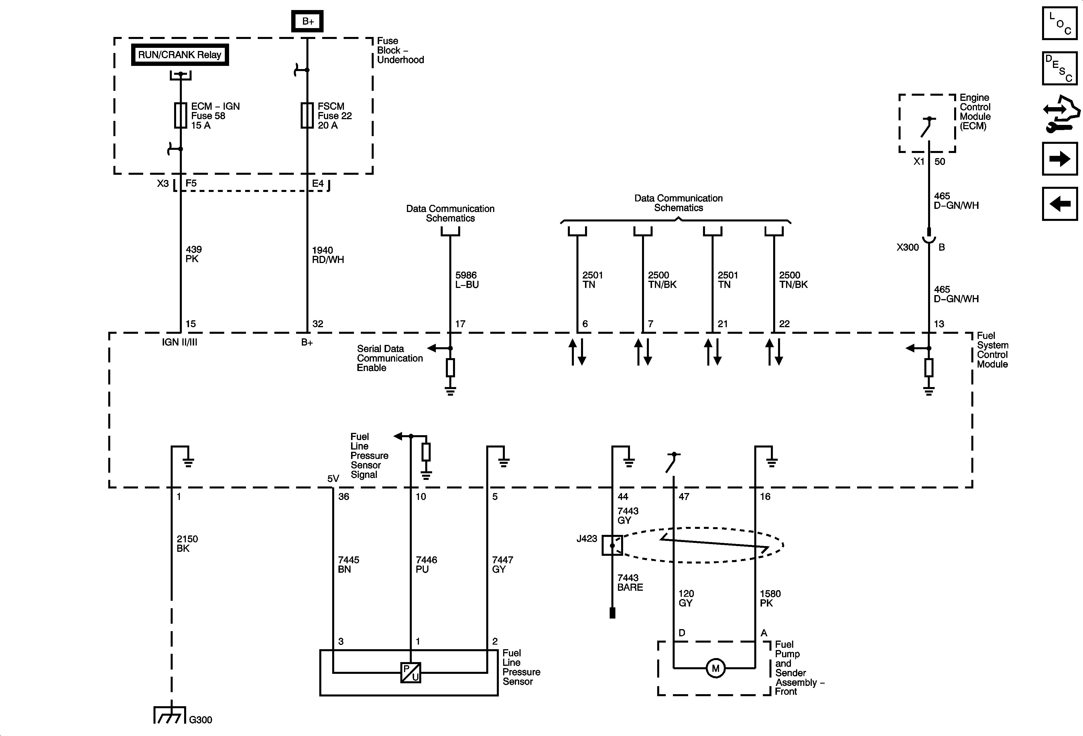
🢒 Fuel Controls - Fuel Pump Controls (-LMG/LY6/LC9)
Fuel Controls - Fuel Pump Controls (-LMG/LY6/LC9)
Fuel Pump Controls (-LMG/LY6/LC9)
Master Electrical Component List
Fuel System Description
Control Module References
Fuel Pump Controls +LMG/LY6/LC9
Ignition Controls - Sensors
Ignition II/III Voltage
Module Power, Ground and Serial Data
FSCM, ITBC and RDO Fuses
Serial Data Communication Enable
High Speed Bus - 2 of 3
G300