GM Service Manual Online
For 1990-2009 cars only
Makes
🢒
Chevrolet
🢒
2007
🢒
Silverado - 2WD
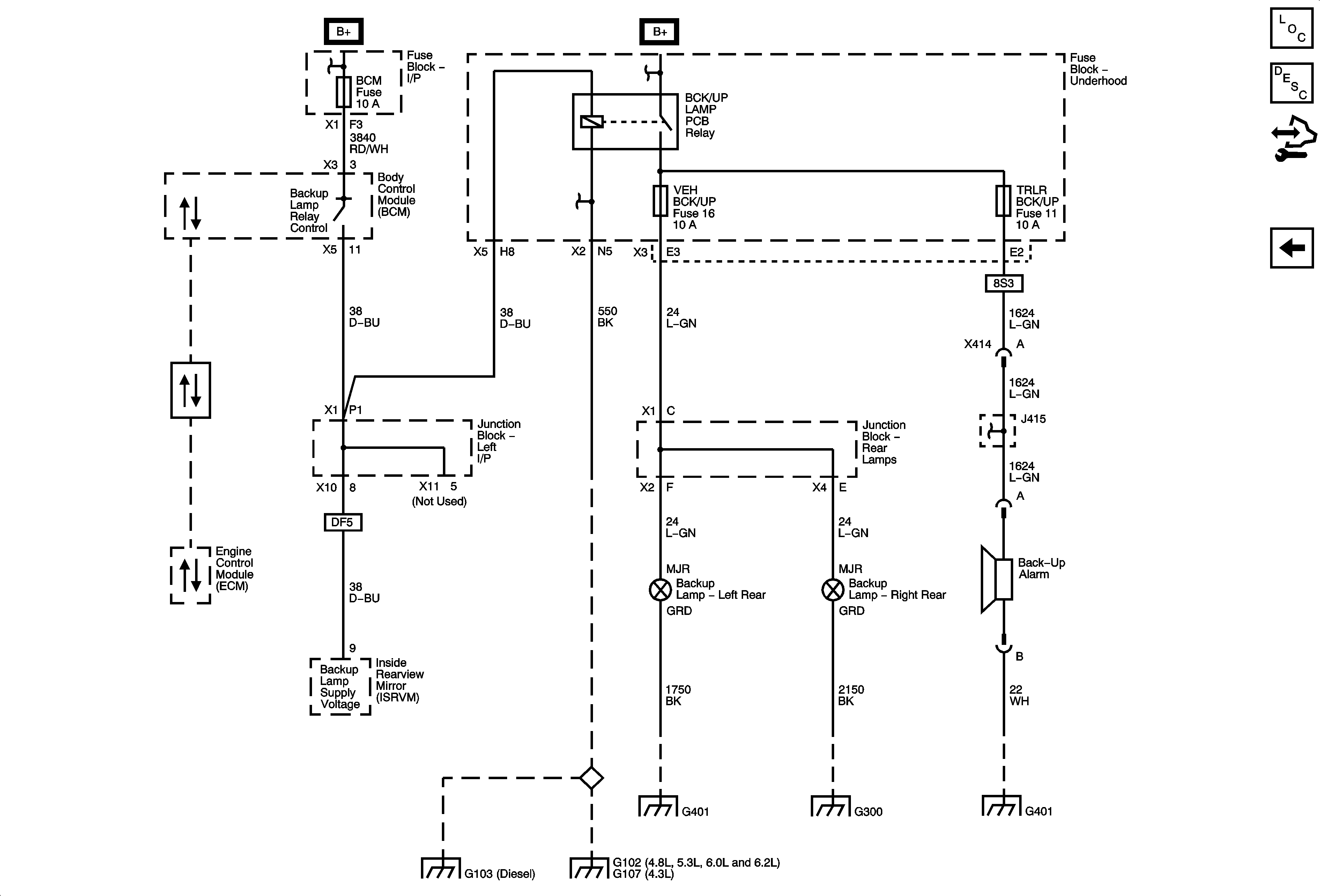
🢒 Backup Lamps and Backup Alarm
Backup Lamps and Backup Alarm
Backup Lamps and Back-Up Alarm
Master Electrical Component List
Exterior Lighting Systems Description and Operation
Control Module References
Stop Lamp Controls and CHMSL
CHMSL, TRLR BCK/UP, TRLR STOP LT, TRLR STOP RT and VEH BCK/UP Fuses
CHMSL, TRLR BCK/UP, TRLR STOP LT, TRLR STOP RT and VEH BCK/UP Fuses
High Speed Bus - 1 of 3
G401 and G403
G300
G401 and G403
G106 (4.3L) and G103
G102, G107 (4.3L), G104, G108