GM Service Manual Online
For 1990-2009 cars only
Makes
🢒
Chevrolet
🢒
2007
🢒
Silverado - 2WD
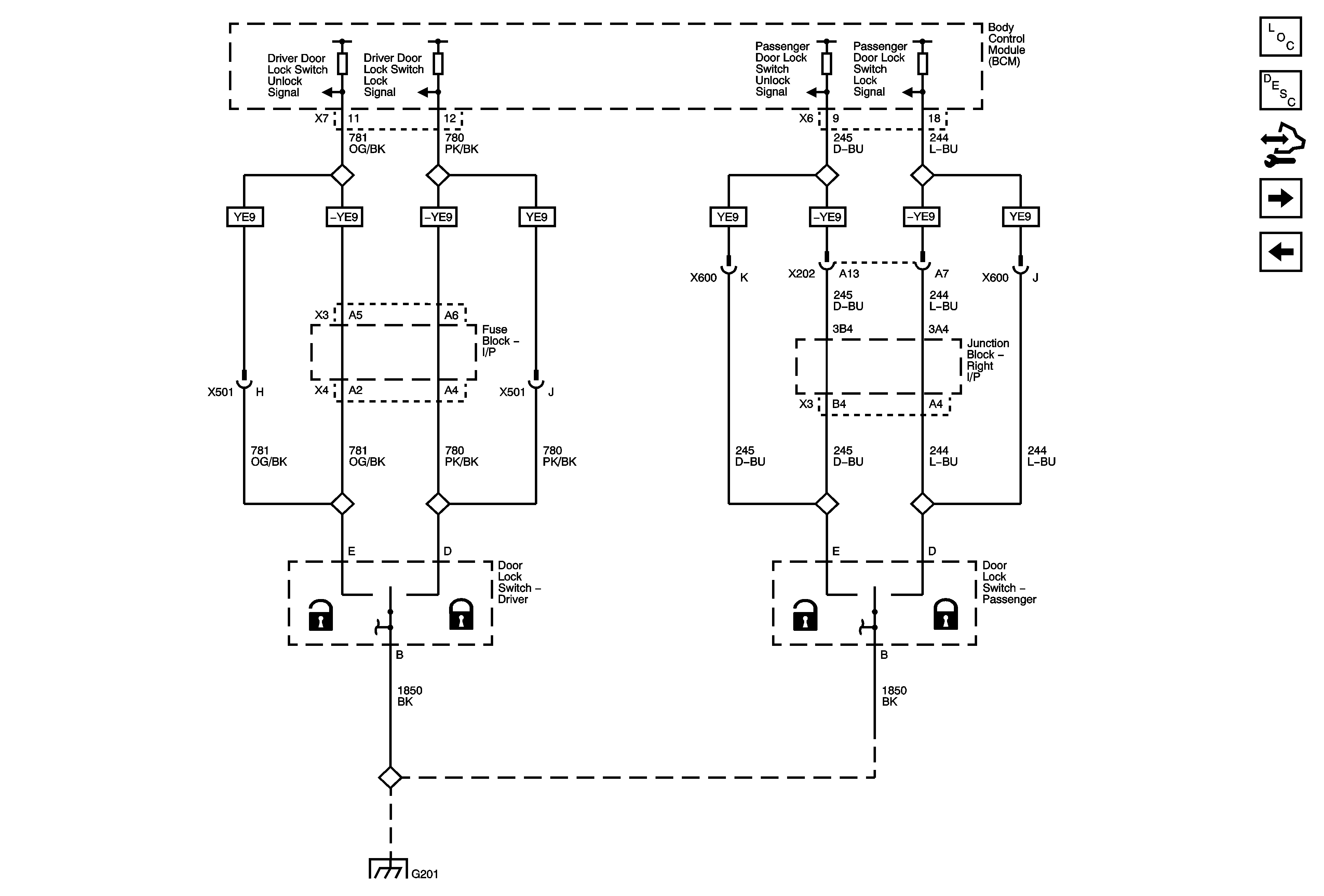
🢒 Door Lock Controls AU3 -AN3/DL3
Door Lock Controls AU3 -AN3/DL3
Door Lock Controls (AU3 -AN3/DL3)
Master Electrical Component List
Door Ajar Indicator Description and Operation (w/o AN3)
Control Module References
Door Lock Motors AU3 -AN3/DL3
Rear Door Locks Crew Cab +AN3
G201 1 of 2