GM Service Manual Online
For 1990-2009 cars only
Makes
🢒
Chevrolet
🢒
1998
🢒
Tracker - 2WD
🢒
Body and Accessories
🢒
Entertainment
🢒 Radio/Audio System Schematics
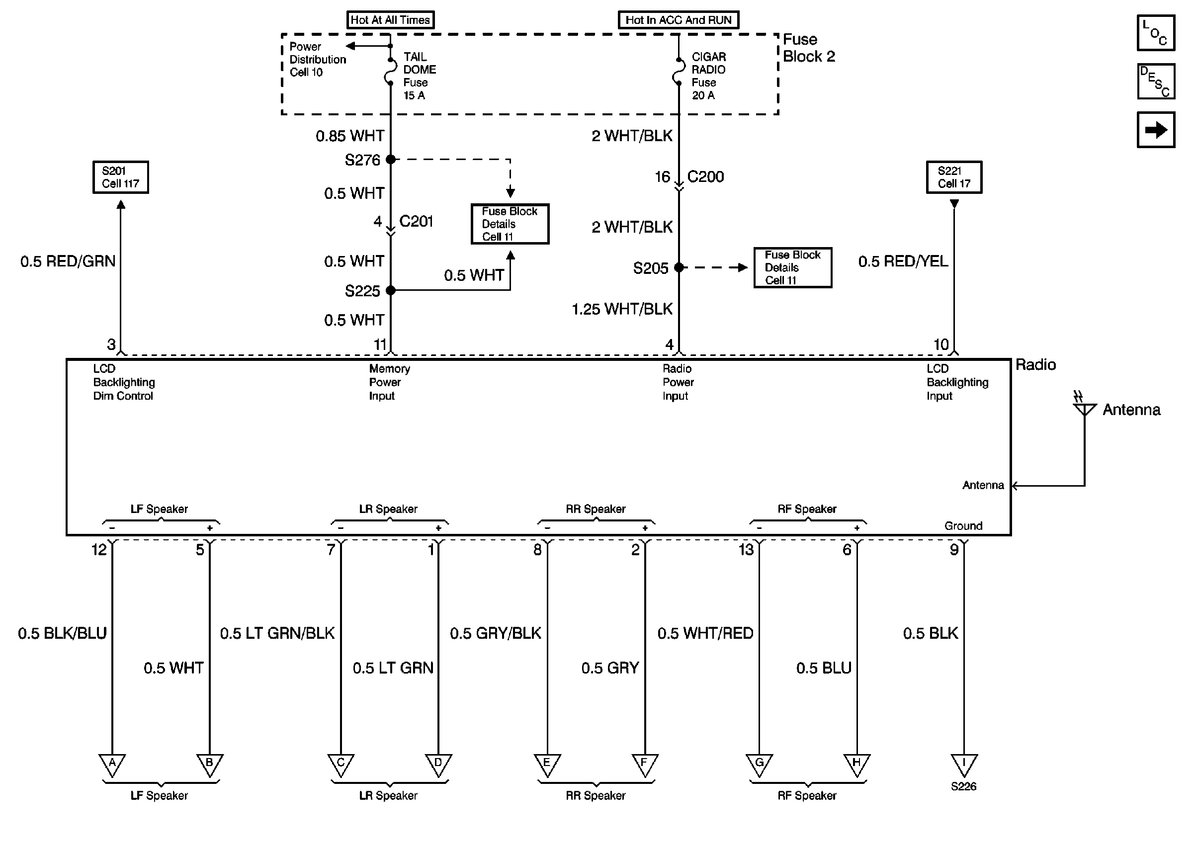
Figure
1:
Radio/Audio System -- Radio
Entertainment Components
Radio/Audio System Circuit Description
Radio/Audio System - Speakers
Fuse Block Schematics
Fuse Block Schematics
Interior Lights Dimming Schematics
Power Distribution Schematics
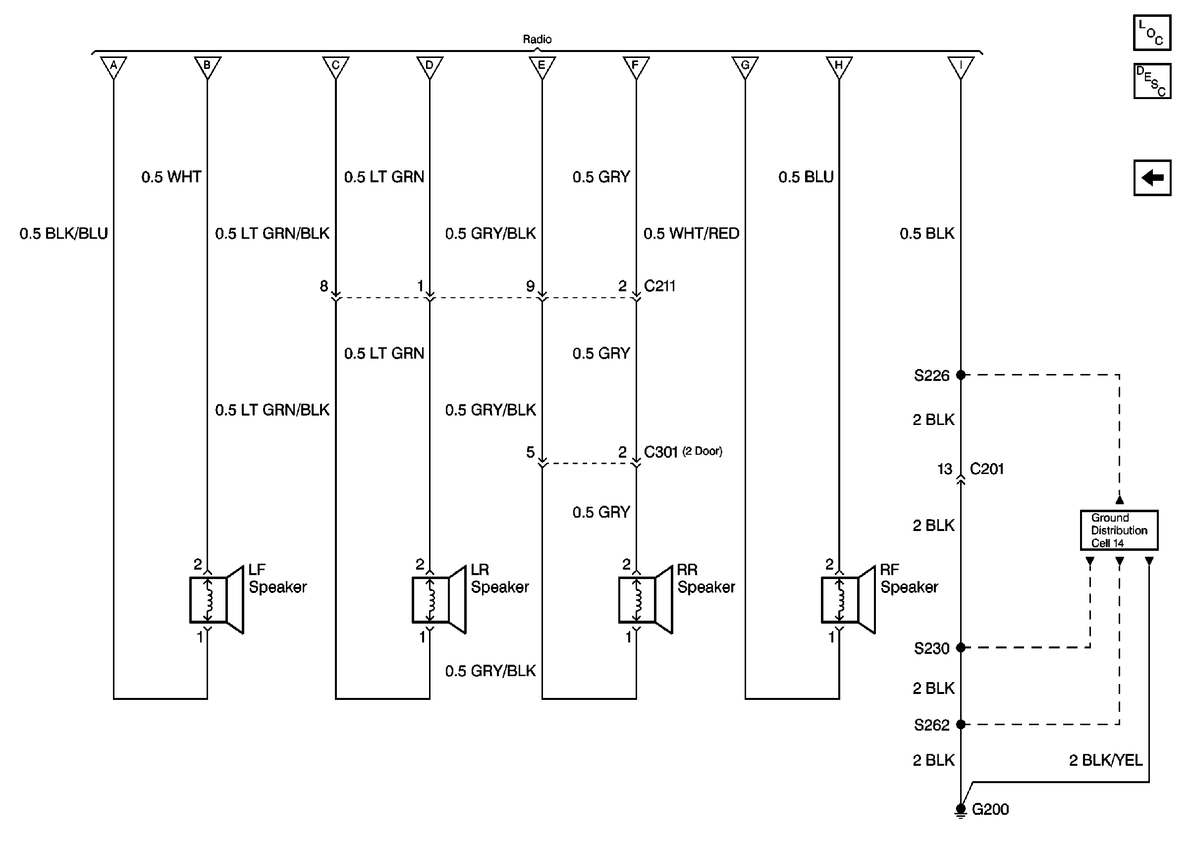
Figure
2:
Radio/Audio System -- Speakers
Entertainment Components
Radio/Audio System Circuit Description
Radio/Audio System - Radio
Ground Distribution Schematics