GM Service Manual Online
For 1990-2009 cars only
Makes
🢒
Chevrolet
🢒
1998
🢒
Tracker - 2WD
🢒
Body and Accessories
🢒
Doors
🢒 Power Window Schematics
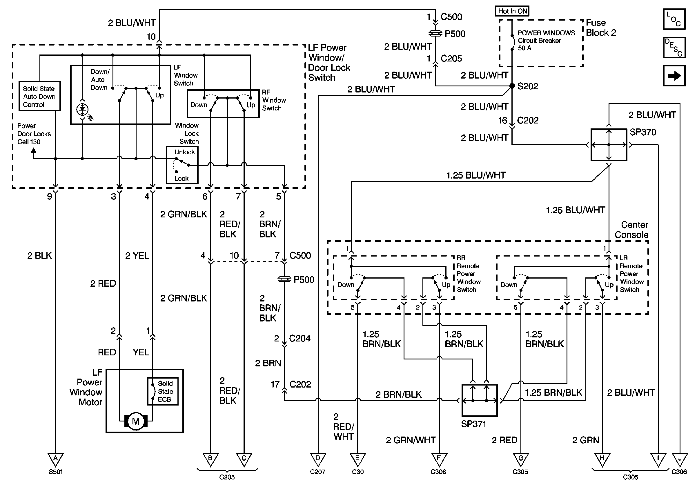
Figure
1:
Cell 120: LH Front and Remote Window Switches
Door Lock/Indicator Schematics
Power Door Systems Components
Power Windows Circuit Description
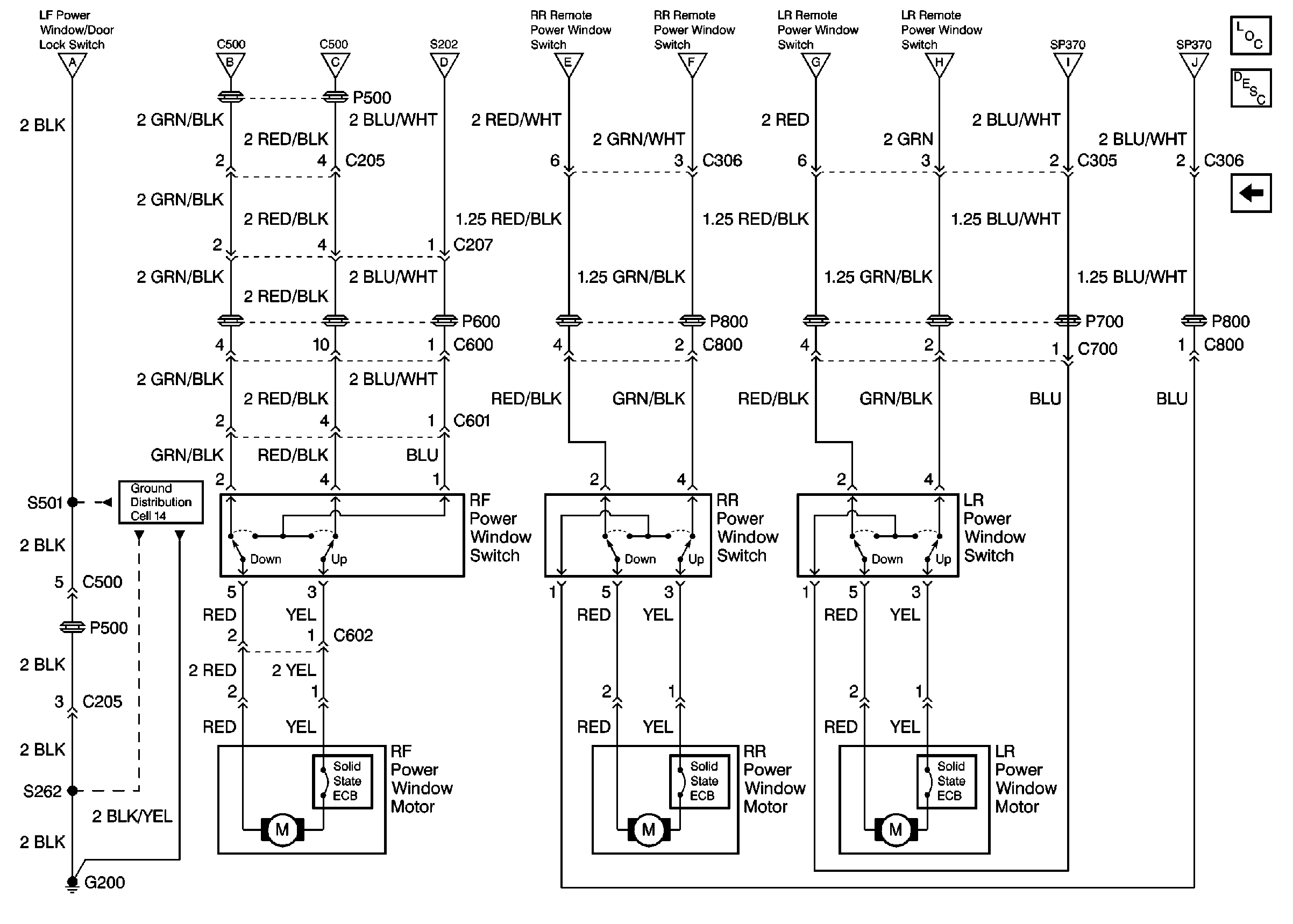
Cell 120: RF and Rear Window Switches/Motors
Figure
2:
Cell 120: RF and Rear Window Switches/Motors
Ground Distribution Schematics
Power Door Systems Components
Power Windows Circuit Description
Cell 120: LH Front and Remote Window Switches