GM Service Manual Online
For 1990-2009 cars only
Makes
🢒
Chevrolet
🢒
1999
🢒
Tracker - 2WD
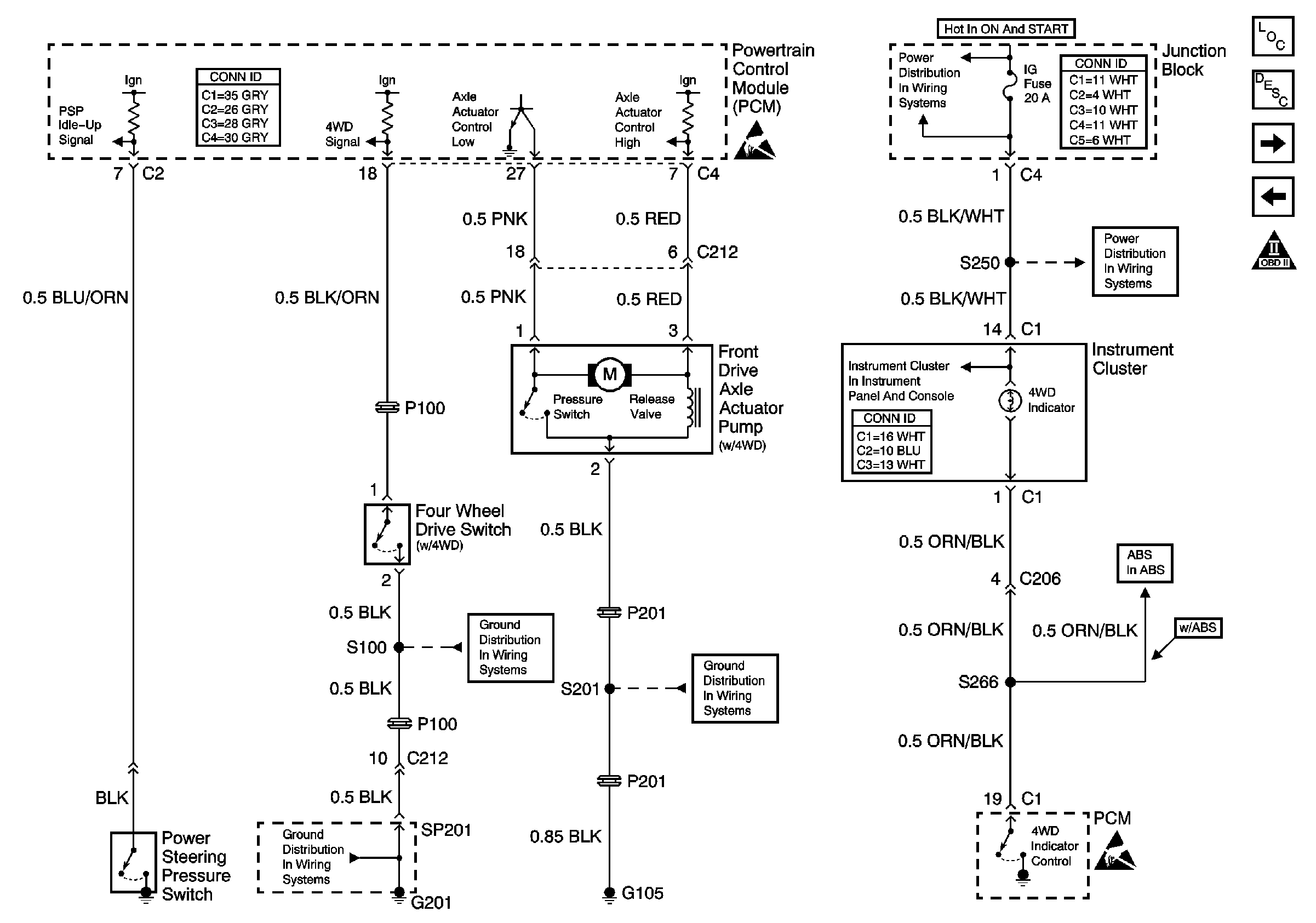
🢒 Four Wheel Drive Inputs/Outputs
Four Wheel Drive Inputs/Outputs
Four Wheel Drive Inputs/Outputs
Engine Controls Components
A/C Controls and Idle-Up Signals
EGR Valve and EVAP Controls
Handling ESD Sensitive Parts Notice
IG, TURN and WIP Fuses
ABS Schematics
Handling ESD Sensitive Parts Notice
IG, TURN and WIP Fuses
(Engine Indicators)
Handling ESD Sensitive Parts Notice
G105
G201
G201